Your dashboard services.
Register to access all tools.

Your dashboard services.
Register to access all tools.

DEHNpatch – 用于网络端口及以太网应用的电涌保护器

  • 网络接口电涌保护
  • 可达10 Gbit/s (满足 Class EA / 500 MHz)
  • 符合CAT 6A信道要求的跳线电涌保护
  • IP66产品用于室外应用保护
  • PoE供电,符合IEEE 802.3(兼容 PoE++ / 4PPoE)
  • 便于改造现有系统

Details

带跳线型号,全屏蔽设计(线缆长度3m)
lorem ipsum
可选安装套件作为 19“ 机架解决方案的附件
lorem ipsum
室外安装型号,防护等级高达IP66
lorem ipsum
作为智能系统组件,易于维护,具有状态指示和遥信信号
lorem ipsum

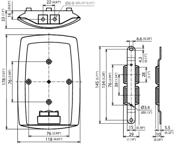
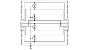
DPA CLE IP66

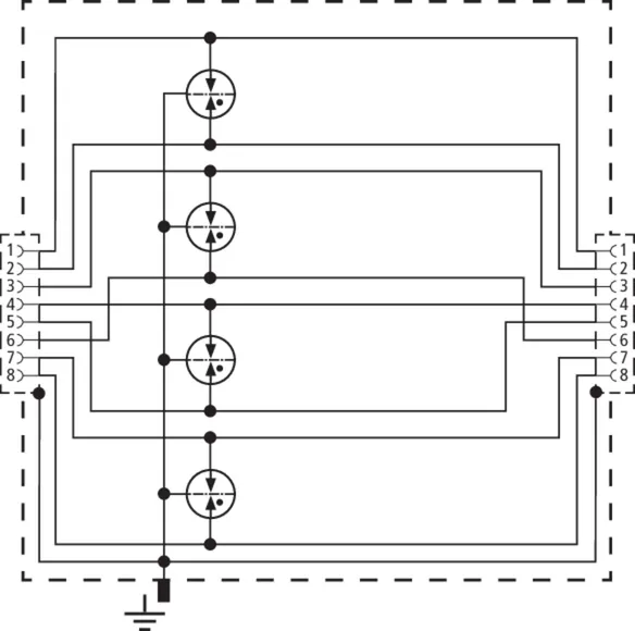
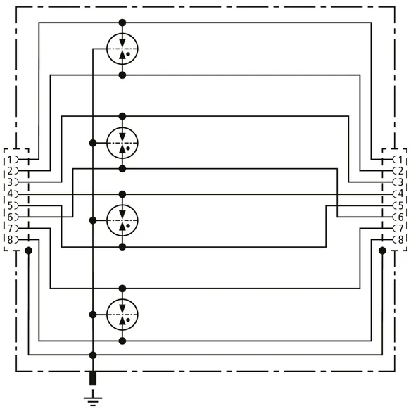
通用型网络电涌保护器,用于保护千兆以太网。满足PoE供电(IEEE 802.3 兼容 PoE++ / 4PPoE)及与之相似的符合Class E的结构化布线系统,外壳防护等级达到IP66,有效防尘防水,适用于室内和室外保护。所有线对都有气体放电管进行保护,每线对都有一组自适应滤波矩阵。带RJ45插座的全屏蔽电涌保护方案。通用安装配件,可在桅杆及墙面安装。
外部附件:用于桅杆安装的紧固带。

1 Product

Part No. 929221 DPA CLE IP66

GTIN 4013364342866, Customs tariff No. (EU): 853630, Gross weight: 745.00 g, PU: 1.00


Images

Additional information

Class E 电涌保护器 DEHNpatch DPA CLE IP66
室外电涌保护器,用于千兆以太网应用
PoE供电(兼容PoE++ / 4PPoE)
全屏蔽IP66外壳
SPD 分类:Type 2 / P1
依据 EN 61643-21 测试
依据 EN 50173 通用型电涌保护器
用于保护所有到60V直流的数据服务(PoE++ / 4PPoE)
用于保护RJ45的4对数据网络接口
室内和室外应用

制造商: DEHN
型号: DPA CLE IP66
货号: 929221
其他类似产品

Certificates

 

Technical data

SPD分类 T
直流最大持续工作电压 (PoE) (线对-线对) (Uc ) 60 V
标称电流 (IL ) 1 A
D1 每线雷电冲击电流 (10/350 μs) (Iimp ) 0.8 kA
D1 总雷电冲击电流 (10/350 μs) (Iimp ) 4 kA
C2 总标称放电电流 (8/20 μs) (线-PG) (In ) 10 kA
截止频率 (fG ) 250 MHz
防护等级 (带连接线缆) IP 66
接线方式 (入/出) RJ45 插座 / RJ45 插座
认证 UL 497B, CSA

Product 929221 was added to Notepad.

Product 929221 was added to the cart.


DPA M CAT6

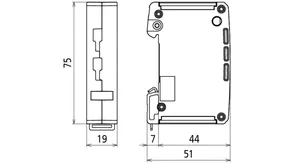
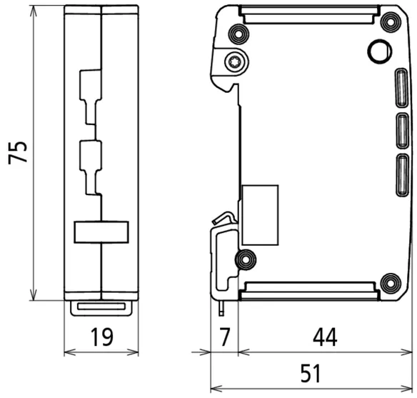
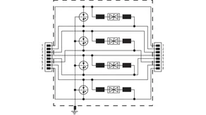
通用型网络电涌保护器,用于保护工业以太网,满足PoE供电 (IEEE 802.3 兼容 PoE++ / 4PPoE)及与之相似的符合Cat. 6及Class EA到500 MHz的结构化布线系统。全屏蔽型,自带网线,用于DIN轨安装(直到万兆以太网)。

1 Product

Part No. 929100 DPA M CAT6 RJ45S 48

GTIN 4013364102170, Customs tariff No. (EU): 853630, Gross weight: 244.00 g, PU: 1.00

Predecessor

Images

Additional information

DEHNpatch DPA M CAT 6 RJ45S 48 电涌保护器
自带网线,符合Cat. 6要求
SPD 分类:Type 2 / P1
依据 EN 61643-21和ISO/IEC 11801 测试
依据 EN 50173 直到57V直流普遍适用
用于RJ45接口的数据网络4线对保护
可单独使用或用于19寸机柜
线缆长度 3m
宽度 19mm

制造商: DEHN
型号: DPA M CAT6 RJ45S 48
货号: 929100
其他类似产品

Certificates

 

Technical data

SPD分类 T
直流最大持续工作电压 (Uc ) 48 V
直流最大持续工作电压 (PoE) (线对-线对) (Uc ) 57 V
标称电流 (IL ) 1 A
D1 每线雷电冲击电流 (10/350 μs) (Iimp ) 1 kA
C2 总标称放电电流 (8/20 μs) (线-PG) (In ) 10 kA
截止频率 (fG ) 250 MHz
接线方式 (入/出) RJ45 连接线 / RJ45 连接线

Product 929100 was added to Notepad.

Product 929100 was added to the cart.


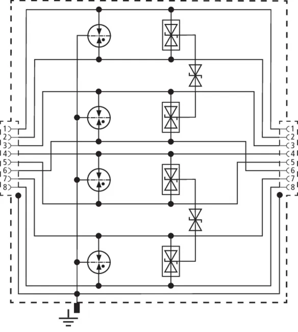
DEHNpatch Class EA (新)

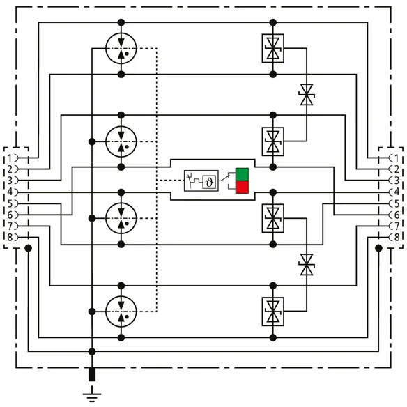
节省空间的,通用复合型雷电流与电涌保护器,采用RJ45连接技术,宽度19mm,集成状态指示功能,易于维护。用于保护工业以太网,数据服务器,IP摄像机系统,满足PoE供电 (IEEE 802.3 兼容 4PPoE)及与之相似的符合Class EA类要求,并可满足高达500 MHz的结构化布线系统,以及基于一般以太网接口各种应用。使用气体放电管保护所有线对。带RJ45插座,用于DIN轨安装。通过强大的气体放电管和信号芯线及线对间的二极管保护所有线对。 全屏蔽适配器设计,带有 RJ45 插座,用于 DIN 导轨安装。 外壳上有额外的螺钉连接,可用于的接地等电位连接。

1 Product

Part No. 929161 DPA CL8 EA 4PPOE

GTIN 4013364472921, Customs tariff No. (EU): 853630, Gross weight: 188.70 g, PU: 1.00


Images

Additional information

DEHNpatch CL8 EA 4PPOE电涌保护器
紧凑型复合雷电流电涌保护器
满足 ISO/IEC 11801 标准Class EA类传输的要求
用于在高达 10 GBit 的以太网和有源以太网(高达 4PPoE)的等应用中保护数据接口免受雷电流和电涌的影响
保护 RJ45 插座中全部 4 对线
全屏蔽设计
根据 EN/IEC 61643-21 测试
SPD分类:Type1/P2
冲击类别:D1、C1、C2、C3、B2
集成状态指示
通过独立的智能遥信单元进行监测
节省空间,宽度为 19 mm
通过 35mm DIN 导轨接地或通过外壳上的螺钉连接
最大持续工作电压:3.3 V DC
70°C 时的标称电流:1.5 A
截止频率:500 MHz
C2 每线标称放电电流(8/20):2.5 kA
C2 总标称放电电流(8/20):10 kA
D1 每线雷电冲击电流 (10/350 µs):0.5 kA
D1 总雷电冲击电流 (10/350 µs):4 kA
连接方式:RJ45插座


制造商: DEHN
型号: DPA CL8 EA 4PPOE
货号: 929161
其他类似产品

Certificates

 

Technical data

SPD分类 L
直流最大持续工作电压 (Uc ) 3.3 V
直流最大持续工作电压 (PoE) (线对-线对) (Uc ) 58 V
标称电流 (IL ) 1.5 A
D1 每线雷电冲击电流 (10/350 μs) (Iimp ) 0.5 kA
C2 总标称放电电流 (8/20 μs) (线-PG) (In ) 10 kA
截止频率 (fG ) 500 MHz
接线方式 (入/出) RJ45 插座 / RJ45 插座
认证 GHMT, UL 497B

Product 929161 was added to Notepad.

Product 929161 was added to the cart.


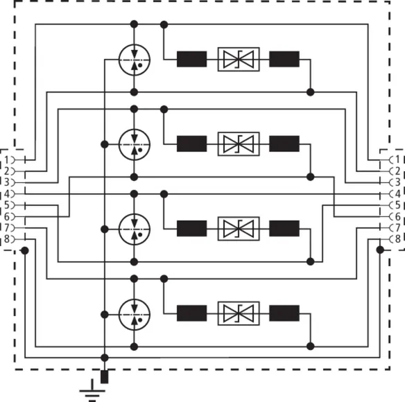
DEHNpatch Class E

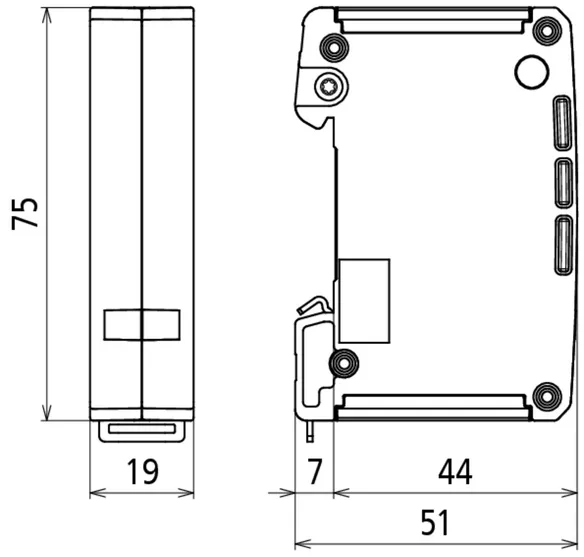
通用型网络电涌保护器,用于保护工业以太网,满足PoE供电 (IEEE 802.3 兼容 PoE++ / 4PPoE)及与之相似的符合Class E到250 MHz的结构化布线系统。所有线对都有气体放电管进行保护,每线对都有一组自适应滤波矩阵。全屏蔽型,带RJ45插座,用于DIN轨安装(直到千兆以太网)。

1 Product

Part No. 929121 DPA M CLE RJ45B 48

GTIN 4013364118935, Customs tariff No. (EU): 853630, Gross weight: 122.00 g, PU: 1.00

Predecessor

Images

Additional information

DEHNpatch DPA M CLE RJ45B 48 电涌保护器
Class E 电涌保护器,全屏蔽
SPD 分类:Type 2 / P1
依据 EN 61643-21 测试
依据 EN 50173 直到57V直流普遍适用
用于RJ45接口的数据网络4线对保护
可单独使用或用于19寸机柜
宽度 19mm

制造商: DEHN
型号: DPA M CLE RJ45B 48
货号: 929121
其他类似产品

Certificates

 

Technical data

SPD分类 T
直流最大持续工作电压 (Uc ) 48 V
直流最大持续工作电压 (PoE) (线对-线对) (Uc ) 57 V
标称电流 (IL ) 1 A
D1 每线雷电冲击电流 (10/350 μs) (Iimp ) 0.5 kA
C2 总标称放电电流 (8/20 μs) (线-PG) (In ) 10 kA
截止频率 (fG ) 250 MHz
接线方式 (入/出) RJ45 插座 / RJ45 插座
认证 CSA, UL 497B

Product 929121 was added to Notepad.

Product 929121 was added to the cart.


DEHNpatch Class D (新)

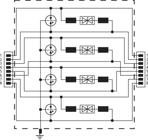
节省空间的,通用型雷电流保护器,采用RJ45连接技术,宽度19mm。用于保护工业以太网,数据服务器,IP摄像机系统,满足PoE供电 (IEEE 802.3 兼容 4PPoE)及与之相似的符合Class S类要求,并可满足高达100 MHz的结构化布线系统,以及基于一般以太网接口各种应用。使用气体放电管保护所有线对。全屏蔽适配器设计,带有 RJ45 插座,用于 DIN 导轨安装。 外壳上有额外的螺钉连接,可用于的接地等电位连接。

1 Product

Part No. 929166 DPA C8 D 4PPOE

GTIN 4013364472914, Customs tariff No. (EU): 853630, Gross weight: 178.25 g, PU: 1.00


Images

Additional information

DEHNpatch C8 D 4PPOE电涌保护器
紧凑型复合雷电流电涌保护器满足 ISO/IEC 11801 标准Class D类传输的要求
用于在高达 1 GBit 的以太网和有源以太网(满足 4PPoE)的等应用中保护数据接口免受雷电流的影响
保护 RJ45 插座中全部 4 对线
全屏蔽设计
根据 EN/IEC 61643-21 测试
SPD分类:Type1
冲击类别:D1、C2、C3
节省空间,宽度为 19 mm
通过 35mm DIN 导轨接地或通过外壳上的螺钉连接
最大持续工作电压:3.3 V DC
70°C 时的标称电流:1.5 A
截止频率:100 MHz
C2 每线标称放电电流(8/20):2.5 kA
C2 总标称放电电流(8/20):10 kA
D1 每线雷电冲击电流 (10/350 µs):0.5 kA
D1 总雷电冲击电流 (10/350 µs):4 kA
连接方式:RJ45插座

制造商: DEHN
型号: DPA C8 D 4PPOE
货号: 929166
其他类似产品

Certificates

 

Technical data

SPD分类 A
直流最大持续工作电压 (Uc ) 3.3 V
直流最大持续工作电压 (PoE) (线对-线对) (Uc ) 58 V
标称电流 (IL ) 1.5 A
D1 每线雷电冲击电流 (10/350 μs) (Iimp ) 0.5 kA
C2 总标称放电电流 (8/20 μs) (线-PG) (In ) 10 kA
截止频率 (fG ) 100 MHz
接线方式 (入/出) RJ45 插座 / RJ45 插座
认证 UL 497B

Product 929166 was added to Notepad.

Product 929166 was added to the cart.


DEHNpatch Class D

通用型网络电涌保护器,用于保护工业以太网,满足PoE供电 (IEEE 802.3 兼容 PoE++ / 4PPoE)及与之相似的符合Class D到100 MHz的结构化布线系统。使用气体放电管保护所有线对。带RJ45插座,用于DIN轨安装。

1 Product

Part No. 929126 DPA M CLD RJ45B 48

GTIN 4013364242258, Customs tariff No. (EU): 853630, Gross weight: 102.00 g, PU: 1.00


Images

Additional information

DEHNpatch DPA M CLD RJ45B 48 电涌保护器
Class D 电涌保护器
SPD 分类:Type 2 / P1
依据 EN 61643-21 测试
依据 EN 50173 直到57V直流普遍适用
用于RJ45接口的数据网络4线对保护
可单独使用或用于19寸机柜
宽度 19mm

制造商: DEHN
型号: DPA M CLD RJ45B 48
货号: 929126
其他类似产品

Certificates

 

Technical data

SPD分类 U
直流最大持续工作电压 (Uc ) 48 V
直流最大持续工作电压 (PoE) (线对-线对) (Uc ) 57 V
标称电流 (IL ) 1 A
D1 每线雷电冲击电流 (10/350 μs) (Iimp ) 0.5 kA
C2 总标称放电电流 (8/20 μs) (线-PG) (In ) 10 kA
截止频率 (fG ) 100 MHz
接线方式 (入/出) RJ45 插座 / RJ45 插座
认证 UL 497B

Product 929126 was added to Notepad.

Product 929126 was added to the cart.


back to top