Your dashboard services.
Register to access all tools.

Your dashboard services.
Register to access all tools.

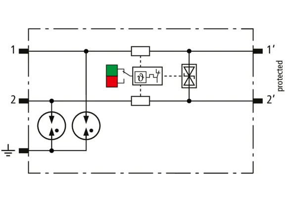
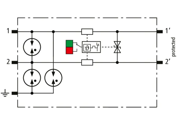
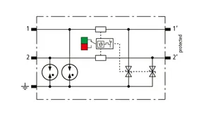
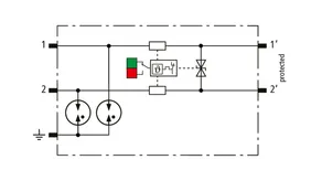
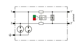
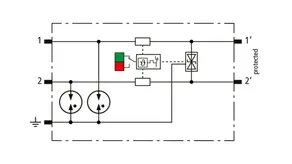
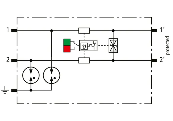
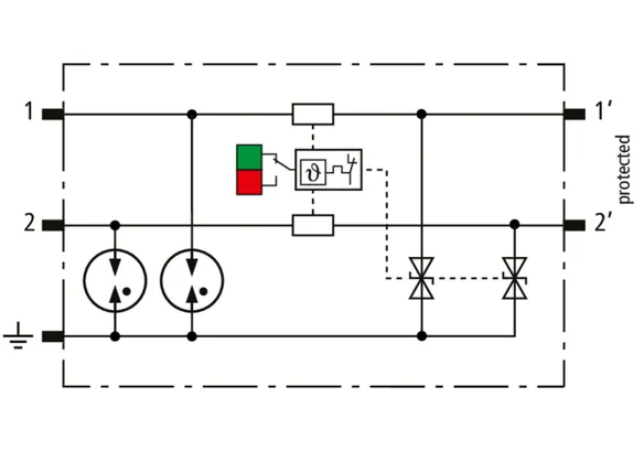
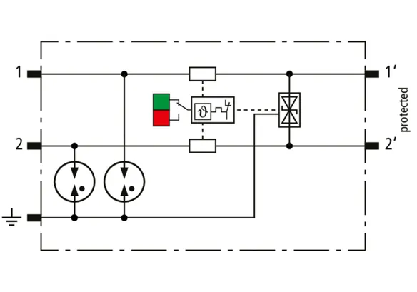
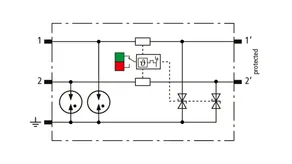
BLITZDUCTORconnect – 保护模块

通用型雷电流/电涌保护器
  • 用于保护测量及控制电路,总线系统及通信系统
  • 高总放电能力 3 kA (10/350 µs),10 kA (8/20 µs)
  • 最大冲击电流 (8/20µs) I最大 高达 20 kA
  • 低电压保护水平,可用于终端设备保护
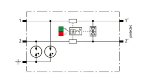
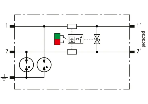
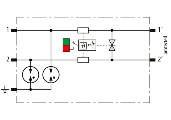
电涌保护器由保护模块和底座组成
  • 采用直插式端子,便于快速接线
  • 所有保护元件都集成于保护模块内
  • 模块两端带 secR 技术的释放按钮,用于安全更换模块
  • 采用故障保护功能,提供高系统可用性
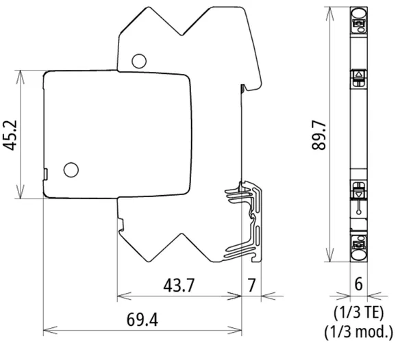
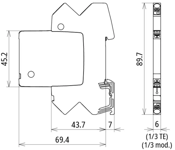
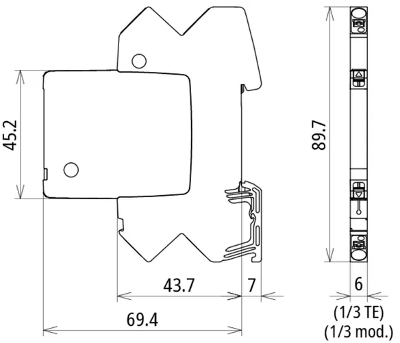
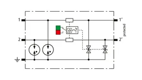
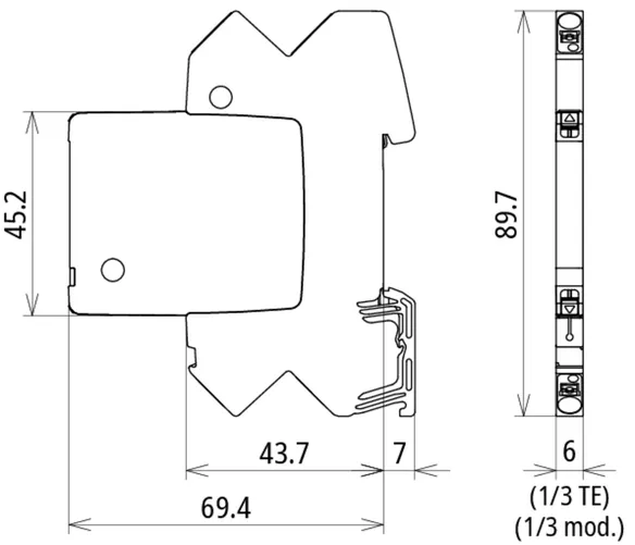
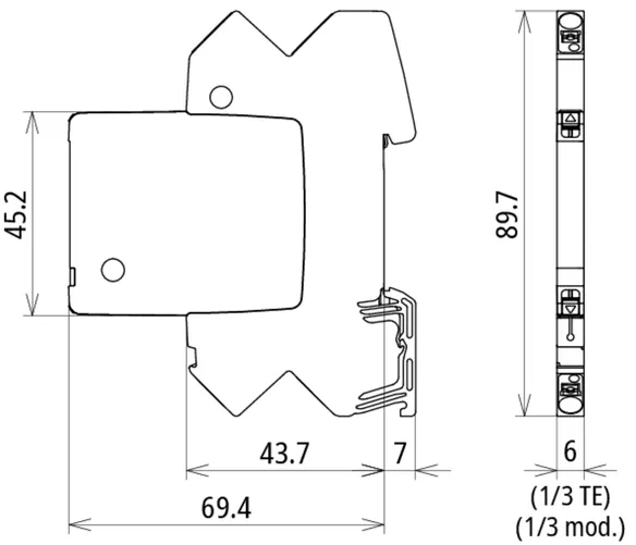
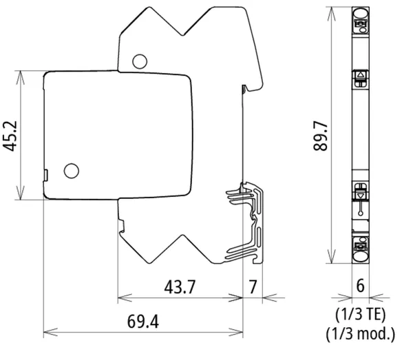
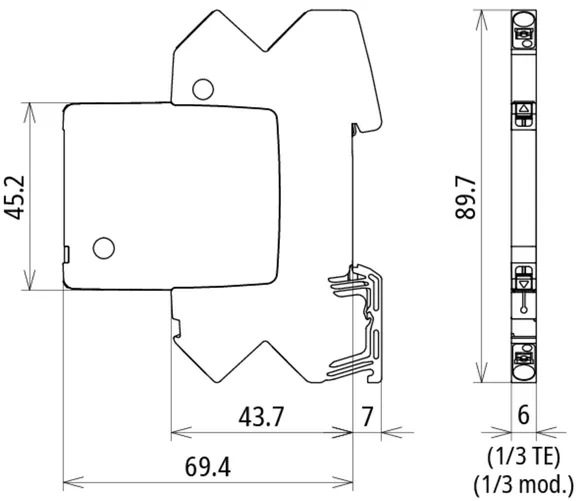
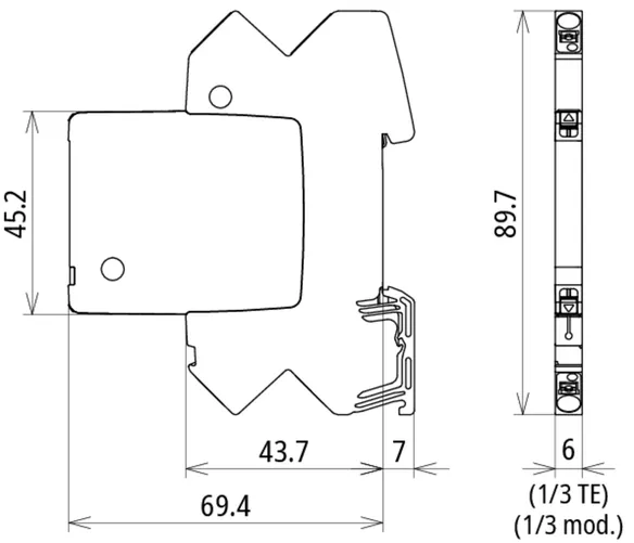
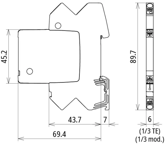
功能优化设计,宽度仅 6 mm
  • 模块集成 LifeCheck 功能和可视化状态指示
  • 通过可选的遥信报警单元,可以实现模块状态的简单遥信指示
  • 维护时,无需工具即可断开信号
  • 经过振动和冲击测试,确保操作安全

Details

安全锁扣 - 准确取出模块
模块两端带secR技术的释放按钮,实现安全操作
lorem ipsum
最高系统可用性
通过相关认证,可用于本质安全电路
lorem ipsum
维护方便
监测单元可以提供每组SPD的简单状态信息
lorem ipsum
快速检修 - 一眼识别
集成指示器,维护便捷
lorem ipsum

BCO ML2 B 180

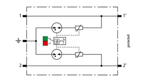
模块化雷电流保护器,宽度仅6 mm,节省空间,采用直插式接线技术,集成可视化状态指示,用于防雷等电位连接的2根单线保护,间接屏蔽接地。具有信号断开功能,用于维护测量。

1 Product

Part No. 927210 BCO ML2 B 180

GTIN 4013364405585, Customs tariff No. (EU): 853630, Gross weight: 57.75 g, PU: 1.00


Images

Additional information

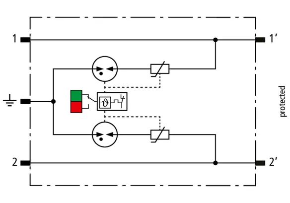
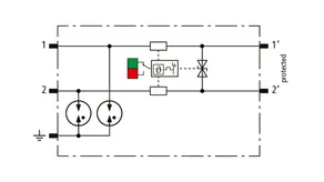
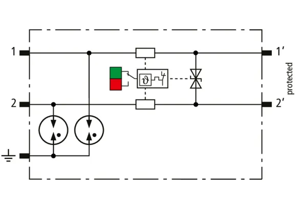
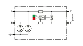
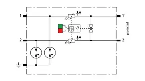
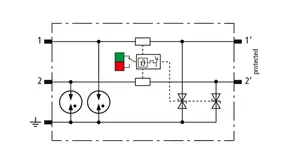
雷电流电涌保护器 BLITZDUCTORconnect ML2 B 180
模块化、可拔插式雷电流电涌保护器
用于保护 2 根单线用于
雷击防护等电位连接以及
屏蔽线的间接接地设计
根据 EN/IEC 61643-21 标准进行测试,
并根据 IEC 61643-22 的规定进行能量协调
电涌保护器等级,类型 1
脉冲类别:C2, C3, B2, D1
状态指示器,结构宽度 6 毫米
最大持续工作电压:180.0 V DC / 127.0 V AC
80°C 时的额定电流:1.2 A
C2 每线的标称放电电流(8/20):5 kA
C2 总标称放电电流 (8/20):10 kA
D1 每线的雷电冲击电流 (10/350 µs):1.5 kA
D1 总雷电冲击电流 (10/350 µs):3 kA
带信号隔离装置,便于维护
线路连接:推入式

制造商: DEHN
型号: BCO ML2 B 180
货号: 927210
其他类似产品

Certificates

 

Technical data

SPD分类 A
标称电压 (UN ) 180 V
直流最大持续工作电压 (UC ) 180 V
D1 每线雷电冲击电流 (10/350 μs) (Iimp ) 1.5 kA
C2 总标称放电电流 (8/20 μs) (In ) 10 kA
每线串联阻抗 0 ohms
认证 UL 497B, CSA, ATEX, IECEx, CCC, SIL
*) 详见:www.dehn.de

Product 927210 was added to Notepad.

Product 927210 was added to the cart.


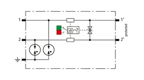
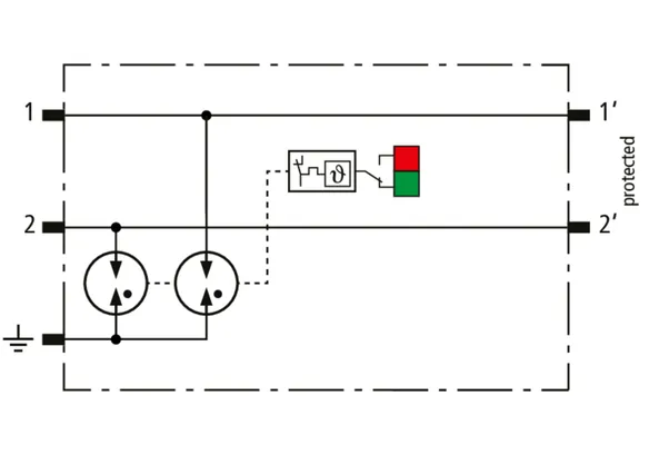
BCO ML2 BE

模块化复合型雷电流/电涌保护器,宽度仅6 mm,节省空间,采用直插式接线技术,集成可视化状态指示,用于具有公共参考电位的非平衡接口的2根单线保护。具有信号断开功能,用于维护测量。

4 Products

Part No. 927222 BCO ML2 BE 12

GTIN 4013364405592, Customs tariff No. (EU): 853630, Gross weight: 59.19 g, PU: 1.00

Predecessor

Images

Additional information

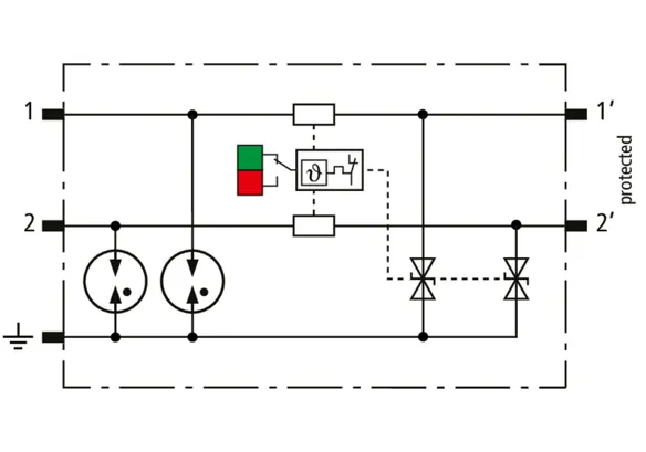
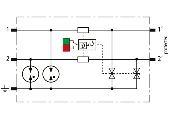
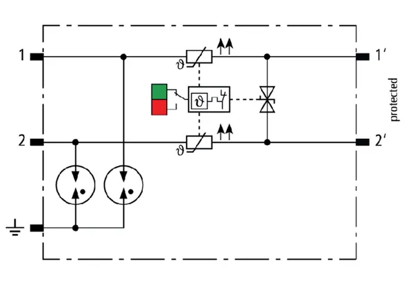
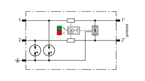
BLITZDUCTORconnect ML2 BE 12 复合雷电流电涌保护器
模块化、可拔插式复合雷电流电涌保护器
用于保护 2 根单线具有共同的
参考电位以及非对称接口
根据 EN/IEC 61643-21 标准进行测试,
并根据 IEC 61643-22 的规定进行能量协调
电涌保护器等级,类型 1 / P1
脉冲类别:C1, C2, C3, B2, D1
状态指示器,结构宽度 6 毫米
最大持续工作电压:15.0 V DC / 10.6 V AC
70°C 时的额定电流:0.75 A
C2 每线的标称放电电流(8/20):5 kA
C2 总标称放电电流 (8/20):10 kA
D1 每线的雷电冲击电流 (10/350 µs):1.5 kA
D1 总雷电冲击电流 (10/350 µs):3 kA
带信号隔离装置, 便于维护
线路连接:推入式

制造商: DEHN
型号: BCO ML2 BE 12
货号: 927222
其他类似产品

Certificates

 

Technical data

SPD分类 M
标称电压 (UN ) 12 V
直流最大持续工作电压 (UC ) 15 V
标称电流 (70 °C) (IL ) 0.75 A
D1 每线雷电冲击电流 (10/350 μs) (Iimp ) 1.5 kA
C2 总标称放电电流 (8/20 μs) (In ) 10 kA
每线串联阻抗 1 ohms
截止频率 (线-线) (fG ) 1.4 MHz
认证 UL 479B, CSA, ATEX, IECEx, CCC, SIL
*) 详见:www.dehn.de

Product 927222 was added to Notepad.

Product 927222 was added to the cart.

Part No. 927224 BCO ML2 BE 24

GTIN 4013364405608, Customs tariff No. (EU): 853630, Gross weight: 59.68 g, PU: 1.00

Predecessor

Images

Additional information

BLITZDUCTORconnect ML2 BE 24 复合雷电流电涌保护器
模块化、可拔插式复合雷电流电涌保护器
用于保护 2 根单线具有共同的
参考电位以及非对称接口
根据 EN/IEC 61643-21 标准进行测试,
并根据 IEC 61643-22 的规定进行能量协调
电涌保护器等级,类型 1 / P1
脉冲类别:C1, C2, C3, B2, D1
状态指示器,结构宽度 6 毫米
最大持续工作电压:33.0 V DC / 23.3 V AC
70°C 时的额定电流:0.75 A
C2 每线的标称放电电流(8/20):5 kA
C2 总标称放电电流 (8/20):10 kA
D1 每线的雷电冲击电流 (10/350 µs):1.5 kA
D1 总雷电冲击电流 (10/350 µs):3 kA
带信号隔离装置, 便于维护
线路连接:推入式

制造商: DEHN
型号: BCO ML2 BE 24
货号: 927224
其他类似产品

Certificates

 

Technical data

SPD分类 M
标称电压 (UN ) 24 V
直流最大持续工作电压 (UC ) 33 V
标称电流 (70 °C) (IL ) 0.75 A
D1 每线雷电冲击电流 (10/350 μs) (Iimp ) 1.5 kA
C2 总标称放电电流 (8/20 μs) (In ) 10 kA
每线串联阻抗 1 ohms
截止频率 (线-线) (fG ) 3.4 MHz
认证 UL 497B, CSA, ATEX, IECEx, CCC, SIL
*) 详见:www.dehn.de

Product 927224 was added to Notepad.

Product 927224 was added to the cart.

Part No. 927225 BCO ML2 BE 48

GTIN 4013364405615, Customs tariff No. (EU): 853630, Gross weight: 58.22 g, PU: 1.00

Predecessor

Images

Additional information

BLITZDUCTORconnect ML2 BE 48 复合雷电流电涌保护器
模块化、可拔插式复合雷电流电涌保护器
用于保护 2 根单线具有共同的
参考电位以及非对称接口
根据 EN/IEC 61643-21 标准进行测试,
并根据 IEC 61643-22 的规定进行能量协调
电涌保护器等级,类型 1 / P1
脉冲类别:C1, C2, C3, B2, D1
状态指示器,结构宽度 6 毫米
最大持续工作电压:54.0 V DC / 38.1 V AC
70°C 时的额定电流:0.75 A
C2 每线的标称放电电流(8/20):5 kA
C2 总标称放电电流 (8/20):10 kA
D1 每线的雷电冲击电流 (10/350 µs):1.5 kA
D1 总雷电冲击电流 (10/350 µs):3 kA
带信号隔离装置, 便于维护
线路连接:推入式

制造商: DEHN
型号: BCO ML2 BE 48
货号: 927225
其他类似产品

Certificates

 

Technical data

SPD分类 M
标称电压 (UN ) 48 V
直流最大持续工作电压 (UC ) 54 V
标称电流 (70 °C) (IL ) 0.75 A
D1 每线雷电冲击电流 (10/350 μs) (Iimp ) 1.5 kA
C2 总标称放电电流 (8/20 μs) (In ) 10 kA
每线串联阻抗 1 ohms
截止频率 (线-线) (fG ) 5 MHz
认证 UL 497B, CSA, ATEX, IECEx, CCC, SIL
*) 详见:www.dehn.de

Product 927225 was added to Notepad.

Product 927225 was added to the cart.

Part No. 927227 BCO ML2 BE 180

GTIN 4013364468658, Customs tariff No. (EU): 853630, Gross weight: 58.85 g, PU: 1.00

Predecessor

Images

Additional information

BLITZDUCTORconnect ML2 BE 180 复合雷电流电涌保护器
模块化、可拔插式复合雷电流电涌保护器
用于保护 2 根单线具有共同的
参考电位以及非对称接口
根据 EN/IEC 61643-21 标准进行测试,
并根据 IEC 61643-22 的规定进行能量协调
电涌保护器等级,类型 1 / P1
脉冲类别:C1, C2, C3, B2, D1
状态指示器,结构宽度 6 毫米
最大持续工作电压:180 V DC / 127 V AC
70°C 时的额定电流:0.5 A
C2 每线的标称放电电流(8/20):5 kA
C2 总标称放电电流 (8/20):10 kA
D1 每线的雷电冲击电流 (10/350 µs):1.5 kA
D1 总雷电冲击电流 (10/350 µs):3 kA
带信号隔离装置, 便于维护
线路连接:推入式

制造商: DEHN
型号: BCO ML2 BE 180
货号: 927227
其他类似产品

Certificates

 

Technical data

SPD分类 M
标称电压 (UN ) 180 V
直流最大持续工作电压 (UC ) 180 V
标称电流 (70 °C) (IL ) 0.5 A
D1 每线雷电冲击电流 (10/350 μs) (Iimp ) 1.5 kA
C2 总标称放电电流 (8/20 μs) (In ) 10 kA
每线串联阻抗 1.8 ohms
截止频率 (线-线) (fG ) 10 MHz
认证 UL 497B, SIL
*) 详见:www.dehn.de

Product 927227 was added to Notepad.

Product 927227 was added to the cart.


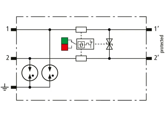
BCO ML2 BD

模块化复合型雷电流/电涌保护器,宽度仅6 mm,节省空间,采用直插式接线技术,集成可视化状态指示,用于浮地的平衡接口的1对线保护。具有信号断开功能,用于维护测量。

4 Products

Part No. 927242 BCO ML2 BD 12

GTIN 4013364405622, Customs tariff No. (EU): 853630, Gross weight: 58.35 g, PU: 1.00

Predecessor

Images

Additional information

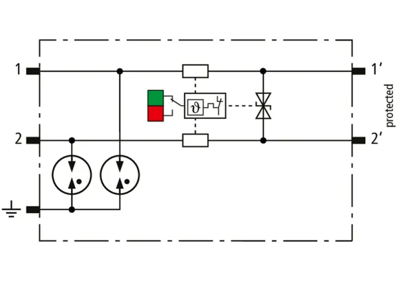
BLITZDUCTORconnect ML2 BD 12 复合雷电流电涌保护器
模块化、可拔插式复合雷电流电涌保护器
用于保护双线无电势
对称接口
根据 EN/IEC 61643-21 标准进行测试,
并根据 IEC 61643-22 进行能量协调
电涌保护器等级,类型 1 / P2
脉冲类别:C1, C2, C3, B2, D1
状态指示器,结构宽度 6 毫米
最大持续工作电压:15.0 V DC / 10.6 V AC
70°C 时的额定电流:0.75 A
C2 每线的标称放电电流(8/20):5 kA
C2 总标称放电电流 (8/20):10 kA
D1 每线的雷电冲击电流 (10/350 µs):1.5 kA
D1 总雷电冲击电流 (10/350 µs):3 kA
带信号隔离装置, 便于维护
线路连接:推入式

制造商: DEHN
型号: BCO ML2 BD 12
货号: 927242
其他类似产品

Certificates

 

Technical data

SPD分类 L
标称电压 (UN ) 12 V
直流最大持续工作电压 (UC ) 15 V
标称电流 (70 °C) (IL ) 0.75 A
D1 每线雷电冲击电流 (10/350 μs) (Iimp ) 1.5 kA
C2 总标称放电电流 (8/20 μs) (In ) 10 kA
每线串联阻抗 1 ohms
截止频率 (线-线) (fG ) 2.6 MHz
认证 UL 497B, CSA, ATEX, IECEx, CCC, SIL
*) 详见:www.dehn.de

Product 927242 was added to Notepad.

Product 927242 was added to the cart.

Part No. 927244 BCO ML2 BD 24

GTIN 4013364405639, Customs tariff No. (EU): 853630, Gross weight: 58.64 g, PU: 1.00

Predecessor

Images

Additional information

BLITZDUCTORconnect ML2 BD 24 复合雷电流电涌保护器
模块化、可拔插式复合雷电流电涌保护器
用于保护双线无电势
对称接口
根据 EN/IEC 61643-21 标准进行测试,
并根据 IEC 61643-22 进行能量协调
电涌保护器等级,类型 1 / P2
脉冲类别:C1, C2, C3, B2, D1
状态指示器,结构宽度 6 毫米
最大持续工作电压:36.0 V DC / 25.4 V AC
70°C 时的额定电流:0.75 A
C2 每线的标称放电电流(8/20):5 kA
C2 总标称放电电流 (8/20):10 kA
D1 每线的雷电冲击电流 (10/350 µs):1.5 kA
D1 总雷电冲击电流 (10/350 µs):3 kA
带信号隔离装置, 便于维护
线路连接:推入式

制造商: DEHN
型号: BCO ML2 BD 24
货号: 927244
其他类似产品

Certificates

 

Technical data

SPD分类 L
标称电压 (UN ) 24 V
直流最大持续工作电压 (UC ) 36 V
标称电流 (70 °C) (IL ) 0.75 A
D1 每线雷电冲击电流 (10/350 μs) (Iimp ) 1.5 kA
C2 总标称放电电流 (8/20 μs) (In ) 10 kA
每线串联阻抗 1 ohms
截止频率 (线-线) (fG ) 5.8 MHz
认证 UL 497B, CSA, ATEX, IECEx, CCC, SIL
*) 详见:www.dehn.de

Product 927244 was added to Notepad.

Product 927244 was added to the cart.

Part No. 927245 BCO ML2 BD 48

GTIN 4013364405646, Customs tariff No. (EU): 853630, Gross weight: 58.49 g, PU: 1.00

Predecessor

Images

Additional information

BLITZDUCTORconnect ML2 BD 48 复合雷电流电涌保护器
模块化、可拔插式复合雷电流电涌保护器
用于保护双线无电势
对称接口
根据 EN/IEC 61643-21 标准进行测试,
并根据 IEC 61643-22 进行能量协调
电涌保护器等级,类型 1 / P2
脉冲类别:C1, C2, C3, B2, D1
状态指示器,结构宽度 6 毫米
最大持续工作电压:56.0 V DC / 39.6 V AC
70°C 时的额定电流:0.75 A
C2 每线的标称放电电流(8/20):5 kA
C2 总标称放电电流 (8/20):10 kA
D1 每线的雷电冲击电流 (10/350 µs):1.5 kA
D1 总雷电冲击电流 (10/350 µs):3 kA
带信号隔离装置, 便于维护
线路连接:推入式

制造商: DEHN
型号: BCO ML2 BD 48
货号: 927245
其他类似产品

Certificates

 

Technical data

SPD分类 L
标称电压 (UN ) 48 V
直流最大持续工作电压 (UC ) 56 V
标称电流 (70 °C) (IL ) 0.75 A
D1 每线雷电冲击电流 (10/350 μs) (Iimp ) 1.5 kA
C2 总标称放电电流 (8/20 μs) (In ) 10 kA
每线串联阻抗 1 ohms
截止频率 (线-线) (fG ) 7.2 MHz
认证 UL 497B, CSA, ATEX, IECEx, CCC, SIL
*) 详见:www.dehn.de

Product 927245 was added to Notepad.

Product 927245 was added to the cart.

Part No. 927247 BCO ML2 BD 180

GTIN 4013364468665, Customs tariff No. (EU): 853630, Gross weight: 58.92 g, PU: 1.00

Predecessor

Images

Additional information

BLITZDUCTORconnect ML2 BD 180 复合雷电流电涌保护器
模块化、可拔插式复合雷电流电涌保护器
用于保护双线无电势
对称接口
根据 EN/IEC 61643-21 标准进行测试,
并根据 IEC 61643-22 进行能量协调
电涌保护器等级,类型 1 / P2
脉冲类别:C1, C2, C3, B2, D1
状态指示器,结构宽度 6 毫米
最大持续工作电压:180 V DC / 127 V AC
70°C 时的额定电流:0.5 A
C2 每线的标称放电电流(8/20):5 kA
C2 总标称放电电流 (8/20):10 kA
D1 每线的雷电冲击电流 (10/350 µs):1.5 kA
D1 总雷电冲击电流 (10/350 µs):3 kA
带信号隔离装置, 便于维护
线路连接:推入式

制造商: DEHN
型号: BCO ML2 BD 180
货号: 927247
其他类似产品

Certificates

 

Technical data

SPD分类 L
标称电压 (UN ) 180 V
直流最大持续工作电压 (UC ) 180 V
标称电流 (70 °C) (IL ) 0.5 A
D1 每线雷电冲击电流 (10/350 μs) (Iimp ) 1.5 kA
C2 总标称放电电流 (8/20 μs) (In ) 10 kA
每线串联阻抗 1.8 ohms
截止频率 (线-线) (fG ) 10 MHz
认证 UL 497B, SIL
*) 详见:www.dehn.de

Product 927247 was added to Notepad.

Product 927247 was added to the cart.


BCO ML2 BE HF

模块化复合型雷电流/电涌保护器,宽度仅6 mm,节省空间,采用直插式接线技术,集成可视化状态指示,用于具有公共参考电位的非平衡接口高频信号的2根单线保护。具有信号断开功能,用于维护测量。

2 Products

Part No. 927270 BCO ML2 BE HF 5

GTIN 4013364405653, Customs tariff No. (EU): 853630, Gross weight: 58.57 g, PU: 1.00

Predecessor

Images

Additional information

BLITZDUCTORconnect ML2 BE HF 复合雷电流电涌保护器
模块化、可拔插式复合雷电流电涌保护器
用于保护高频传输的 2 根单线
用于保护具有共同参考电位
的高频传输以及非对称接口
根据 EN/IEC 61643-21 标准进行测试,
并根据 IEC 61643-22 的规定进行能量协调
电涌保护器等级,类型 1 / P1
脉冲类别:C1, C2, C3, B2, D1
状态指示器,结构宽度 6 毫米
最大持续工作电压:8.5 V DC / 6.0 V AC
70°C 时的额定电流:0.75 A
截止频率 100 MHz
C2 每线的标称放电电流(8/20):5 kA
C2 总标称放电电流 (8/20):10 kA
D1 每线的雷电冲击电流 (10/350 µs):1.5 kA
D1 总雷电冲击电流 (10/350 µs):3 kA
带信号隔离装置, 便于维护
线路连接:推入式

制造商: DEHN
型号: BCO ML2 BE HF 5
货号: 927270
其他类似产品

Certificates

 

Technical data

SPD分类 M
标称电压 (UN ) 5 V
直流最大持续工作电压 (UC ) 8.5 V
标称电流 (70 °C) (IL ) 0.75 A
D1 每线雷电冲击电流 (10/350 μs) (Iimp ) 1.5 kA
C2 总标称放电电流 (8/20 μs) (In ) 10 kA
每线串联阻抗 1 ohms
认证 UL 497B, CSA, ATEX, IECEx, CCC, SIL
*) 详见:www.dehn.de

Product 927270 was added to Notepad.

Product 927270 was added to the cart.

Part No. 927274 BCO ML2 BE HF 24

GTIN 4013364468559, Customs tariff No. (EU): 853630, Gross weight: 58.30 g, PU: 1.00


Images

Additional information

BLITZDUCTORconnect ML2 BE HF 24 复合雷电流电涌保护器
模块化、可拔插式复合雷电流电涌保护器
用于保护高频传输的 2 根单线
用于保护具有共同参考电位
的高频传输以及非对称接口
根据 EN/IEC 61643-21 标准进行测试,
并根据 IEC 61643-22 的规定进行能量协调
电涌保护器等级,类型 1 / P1
脉冲类别:C1, C2, C3, B2, D1
状态指示器,结构宽度 6 毫米
最大持续工作电压:36 V DC/ 25.4 V AC
70°C 时的额定电流:0.75 A
截止频率 100 MHz
C2 每线的标称放电电流(8/20):5 kA
C2 总标称放电电流 (8/20):10 kA
D1 每线的雷电冲击电流 (10/350 µs):1.5 kA
D1 总雷电冲击电流 (10/350 µs):3 kA
带信号隔离装置, 便于维护
线路连接:推入式

制造商: DEHN
型号: BCO ML2 BE HF 24
货号: 927274
其他类似产品

Certificates

 

Technical data

SPD分类 M
标称电压 (UN ) 24 V
直流最大持续工作电压 (UC ) 36 V
标称电流 (70 °C) (IL ) 0.75 A
D1 每线雷电冲击电流 (10/350 μs) (Iimp ) 1.5 kA
C2 总标称放电电流 (8/20 μs) (In ) 10 kA
每线串联阻抗 1 ohms
认证 UL 497B, SIL
*) 详见:www.dehn.de

Product 927274 was added to Notepad.

Product 927274 was added to the cart.


BCO ML2 BD HF

节省空间的模块化复合雷电流电涌保护器(宽度为 6mm),采用推入式连接技术,带状态显示器,用于保护双股线。无地电位高频总线系统以及对称接口。带信号隔离装置,便于维护。

2 Products

Part No. 927271 BCO ML2 BD HF 5

GTIN 4013364405660, Customs tariff No. (EU): 853630, Gross weight: 58.42 g, PU: 1.00

Predecessor

Images

Additional information

BLITZDUCTORconnect ML2 BD HF 5 复合雷电流电涌保护器
模块化、可拔插式复合雷电流电涌保护器,用于保护
无电势高频总线系统和对称接口
的 1 根双线
根据 EN/IEC 61643-21 标准进行测试,
并根据 IEC 61643-22 的规定进行能量协调
电涌保护器等级,类型 1 / P2
脉冲类别:C1, C2, C3, B2, D1
状态指示器,结构宽度 6 毫米
最大持续工作电压:8.5 V DC / 6.0 V AC
70°C 时的额定电流:0.75 A
截止频率 100 MHz
C2 每线的标称放电电流(8/20):5 kA
C2 总标称放电电流 (8/20):10 kA
D1 每线的雷电冲击电流 (10/350 µs):1.5 kA
D1 总雷电冲击电流 (10/350 µs):3 kA
带信号隔离装置, 便于维护
线路连接:推入式

制造商: DEHN
型号: BCO ML2 BD HF 5
货号: 927271
其他类似产品

Certificates

 

Technical data

SPD分类 L
标称电压 (UN ) 5 V
直流最大持续工作电压 (UC ) 8.5 V
标称电流 (70 °C) (IL ) 0.75 A
D1 每线雷电冲击电流 (10/350 μs) (Iimp ) 1.5 kA
C2 总标称放电电流 (8/20 μs) (In ) 10 kA
每线串联阻抗 1 ohms
截止频率 (线-线) (fG ) 100 MHz
认证 UL 497B, CSA, ATEX, IECEx, CCC, SIL
*) 详见:www.dehn.de

Product 927271 was added to Notepad.

Product 927271 was added to the cart.

Part No. 927275 BCO ML2 BD HF 24

GTIN 4013364468566, Customs tariff No. (EU): 853630, Gross weight: 58.60 g, PU: 1.00

Predecessor

Images

Additional information

BLITZDUCTORconnect ML2 BD HF 24 复合雷电流电涌保护器
模块化、可拔插式复合雷电流电涌保护器,用于保护
无电势高频总线系统和对称接口
的 1 根双线
根据 EN/IEC 61643-21 标准进行测试,
并根据 IEC 61643-22 的规定进行能量协调
电涌保护器等级,类型 1 / P2
脉冲类别:C1, C2, C3, B2, D1
状态指示器,结构宽度 6 毫米
最大持续工作电压:36 V DC/ 25.4 V AC
70°C 时的额定电流:0.75 A
截止频率 100 MHz
C2 每线的标称放电电流(8/20):5 kA
C2 总标称放电电流 (8/20):10 kA
D1 每线的雷电冲击电流 (10/350 µs):1.5 kA
D1 总雷电冲击电流 (10/350 µs):3 kA
带信号隔离装置, 便于维护
线路连接:推入式

制造商: DEHN
型号: BCO ML2 BD HF 24
货号: 927275
其他类似产品

Certificates

 

Technical data

SPD分类 L
标称电压 (UN ) 24 V
直流最大持续工作电压 (UC ) 36 V
标称电流 (70 °C) (IL ) 0.75 A
D1 每线雷电冲击电流 (10/350 μs) (Iimp ) 1.5 kA
C2 总标称放电电流 (8/20 μs) (In ) 10 kA
每线串联阻抗 1 ohms
截止频率 (线-线) (fG ) 100 MHz
认证 UL 497B, SIL
*) 详见:www.dehn.de

Product 927275 was added to Notepad.

Product 927275 was added to the cart.


BCO ML2 BDHC5A 24

1 Product

Part No. 927254 BCO ML2 BD HC5A 24

GTIN 4013364513419, Customs tariff No. (EU): 853630, Gross weight: 60.63 g, PU: 1.00


Images

Additional information

复合型雷电流电涌保护器 BLITZDUCTORconnect ML2 BD HC5A 24
模块化、可拔插式复合雷电流电涌保护器,用于保护
无电势信号电路的 1 根双线,
额定电流高,适用于信息技术系统和测控电路。

根据 EN/IEC 61643-21 标准进行测试,
并根据 IEC 61643-22 的规定进行能量协调
电涌保护器等级,类型 1 / P2
脉冲类别:C1, C2, C3, B2, D1
状态指示器,结构宽度 6 毫米
最大持续工作电压:36 V DC / 25.4 V AC
80°C 时的额定电流:5 A
C2 每线的标称放电电流 (8/20):5 kA
C2 总标称放电电流 (8/20):10 kA
D1 每线的雷电冲击电流 (10/350 µs):1.5 kA
D1 总雷电冲击电流 (10/350 µs):3 kA
带信号隔离装置,便于维护
线路连接:推入式

制造商: DEHN
型号: BCO ML2 BD HC5A 24
货号: 927254
其他类似产品

Certificates

 

Technical data

SPD分类 L
标称电压 (UN ) 24 V
直流最大持续工作电压 (UC ) 36 V
标称电流 (80 °C) (IL ) 5 A
D1 每线雷电冲击电流 (10/350 μs) (Iimp ) 1.5 kA
C2 总标称放电电流 (8/20 μs) (In ) 10 kA
每线串联阻抗 0 ohms
认证 UL 497B, SIL
*) 详见:www.dehn.de

Product 927254 was added to Notepad.

Product 927254 was added to the cart.


BCO ML2 BPD 24

模块化复合型雷电流/电涌保护器,宽度仅6 mm,节省空间,采用直插式接线技术,集成可视化状态指示,用于直流24V系统的1对线的防护。也可以用于负极接地系统。集成的PTC电阻允许在短路电流超过额定电流,甚至达到40A后,仍然可以可靠地重置电涌保护器。维护产品或系统时可免工具断开信号。

1 Product

Part No. 927214 BCO ML2 BPD 24

GTIN 4013364473003, Customs tariff No. (EU): 853630, Gross weight: 58.00 g, PU: 1.00


Images

Additional information

BLITZDUCTORconnect ML2 BPD 24 复合雷电流电涌保护器
模块化、可拔插式复合雷电流电涌保护器,用于保护
24 V DC 系统中的双线,
也适用于负极接地的情况,
内置 PTC 电阻,用于一个
过电流保护高达 40A
根据 EN/IEC 61643-21 标准进行测试,
并根据 IEC 61643-22 的规定进行能量协调
电涌保护器等级,类型 1 / P2
脉冲类别:C1, C2, C3, B2, D1
状态指示器,结构宽度 6 毫米
最大持续工作电压:33.0 V DC / 23.3 V AC
70°C 时的额定电流:0.1 A
C2 每线的标称放电电流(8/20):5 kA
C2 总标称放电电流 (8/20):10 kA
D1 每线的雷电冲击电流 (10/350 µs):1.5 kA
D1 总雷电冲击电流 (10/350 µs):3 kA
带信号隔离装置, 便于维护
线路连接:推入式

制造商: DEHN
型号: BCO ML2 BPD 24
货号: 927214
其他类似产品

Certificates

 

Technical data

SPD分类 L
标称电压 (UN ) 24 V
直流最大持续工作电压 (UC ) 33 V
标称电流 (70 °C) (IL ) 0.1 A
D1 每线雷电冲击电流 (10/350 μs) (Iimp ) 1.5 kA
C2 总标称放电电流 (8/20 μs) (In ) 10 kA
每线串联阻抗 10 ohms
截止频率 (线-线) (fG ) 4.5 MHz
认证 UL 497B, SIL
*) 详见:www.dehn.de

Product 927214 was added to Notepad.

Product 927214 was added to the cart.


BCO ML2 MVG 230

模块化复合型雷电流/电涌保护器,宽度仅6 mm,节省空间,采用直插式接线技术,集成可视化状态指示,用于保护标称电压为 230 V 的 2 线未接地信号接口。维护产品或系统时可免工具断开信号。满足铁路行业信号系统的要求。(例如 DB RIL 819.0808 )。

1 Product

Part No. 927290 BCO ML2 MVG 230

GTIN 4013364466524, Customs tariff No. (EU): 853630, Gross weight: 60.12 g, PU: 1.00


Images

Additional information

BLITZDUCTORconnect ML2 MVG 230 电涌保护器
模块化,可插拔式电涌保护器
用于保护多线信号接口的
双线,标称电压为 230 V AC。
根据 EN/IEC 61643-21 标准进行测试,
并根据 IEC 61643-22 的规定进行能量协调
电涌保护器等级,类型 2 / P3
脉冲类别:C1, C2, C3
状态指示器,结构宽度 6 毫米
最大持续工作电压:320 V DC / 250 V AC
80°C 时的额定电流:3 A
C2 每线的标称放电电流(8/20):3 kA
C2 总标称放电电流 (8/20):6 kA
带信号隔离装置, 便于维护
线路连接:推入式
符合 DB RIL 819.0808 标准

制造商: DEHN
型号: BCO ML2 MVG 230
货号: 927290
其他类似产品

Certificates

 

Technical data

SPD分类 V
标称电压 (UN ) 230 V
标称电流 (80 °C) (IL ) 3 A
C2 总标称放电电流 (8/20 μs) (In ) 6 kA
每线串联阻抗 0 ohms
认证 SIL
*) 详见:www.dehn.de

Product 927290 was added to Notepad.

Product 927290 was added to the cart.


BCO ML2 BD EX 24

模块化复合型雷电流/电涌保护器,宽度仅6 mm,节省空间,采用直插式接线技术,集成可视化状态指示,用于本质安全电路和总线系统的1对线保护,符合FISCO要求。绝缘强度(线-地)> 500 V。具有信号断开功能,用于维护测量。

1 Product

Part No. 927284 BCO ML2 BD EX 24

GTIN 4013364405677, Customs tariff No. (EU): 853630, Gross weight: 65.18 g, PU: 1.00

Predecessor

Images

Additional information

BLITZDUCTORconnect ML2 BD EX 24 复合雷电流电涌保护器
模块化、可拔插式复合雷电流电涌保护器
用于保护双线的本质安全、
无电势的对称接口
根据 EN/IEC 61643-21 标准进行测试,
并根据 IEC 61643-22 进行能量协调
电涌保护器等级,类型 1 / P2
脉冲类别:C1, C2, C3, B2, D1
状态指示器,结构宽度 6 毫米
最大持续工作电压:36.0 V DC / 25.4 V AC
70°C 时的额定电流:0.75 A
符合 EN 60079-11 标准的最大输入电压:30 V
符合 EN 60079-11 标准的最大输入电流:0.5 A
C2 每线的标称放电电流(8/20):5 kA
C2 总标称放电电流 (8/20):10 kA
D1 每线的雷电冲击电流 (10/350 µs):1.5 kA
D1 总雷电冲击电流 (10/350 µs):3 kA
带信号隔离装置, 便于维护
线路连接:推入式

制造商: DEHN
型号: BCO ML2 BD EX 24
货号: 927284
其他类似产品

Certificates

 

Technical data

SPD分类 L
标称电压 (UN ) 24 V
直流最大持续工作电压 (UC ) 36 V
标称电流 (80 °C) (IL ) 0.5 A
D1 每线雷电冲击电流 (10/350 μs) (Iimp ) 1.5 kA
C2 总标称放电电流 (8/20 μs) (In ) 10 kA
每线串联阻抗 1 ohms
截止频率 (线-线) (fG ) 3.5 MHz
认证 ATEX, IECEx, CCC, SIL
*) 详见:www.dehn.de

Product 927284 was added to Notepad.

Product 927284 was added to the cart.


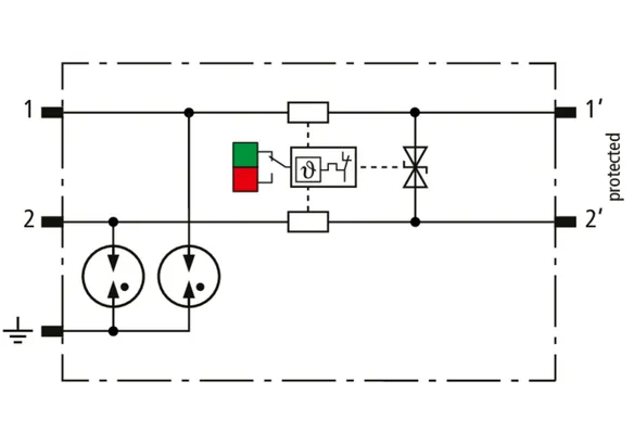
BCO MOD ML2 B

BLITZDUCTORconnect雷电流保护器保护模块,宽度仅6 mm,集成可视化状态指示,用于防雷等电位连接的2根单线保护,间接屏蔽接地。

1 Product

Part No. 927010 BCO MOD ML2 B 180

GTIN 4013364410114, Customs tariff No. (EU): 853630, Gross weight: 39.00 g, PU: 1.00


Images

Additional information

BLITZDUCTORconnect MOD ML2 B 180 雷电流保护器保护模块
可插拔雷电流保护器保护模块
用于防雷等电位连接的2根单线保护,间接屏蔽接地
依据 EN/IEC 61643-21 测试
依据 IEC 61643-22 能量协调
SPD 分类:Type 1
冲击类别:C2, C3, B2, D1
集成可视化状态指示,宽度6 mm
最大持续工作电压:180.0 V 直流 / 127.0 V 交流
标称电流 (80°C):1.2 A
C2 每线标称放电电流 (8/20 µs):5 kA
C2 总标称放电电流 (8/20 µs):10 kA
D1 每线雷电冲击电流 (10/350 µs):1.5 kA
D1 总雷电冲击电流 (10/350 µs):3 kA
可更换模块

制造商: DEHN
型号: BCO MOD ML2 B 180
货号: 927010
其他类似产品

Certificates

 

Technical data

SPD分类 A
标称电压 (UN ) 180 V
直流最大持续工作电压 (UC ) 180 V
D1 每线雷电冲击电流 (10/350 μs) (Iimp ) 1.5 kA
C2 总标称放电电流 (8/20 μs) (In ) 10 kA
每线串联阻抗 0 ohms
认证 UL 497B, CSA, ATEX, IECEx, CCC, SIL
*) 详见:www.dehn.de

Product 927010 was added to Notepad.

Product 927010 was added to the cart.


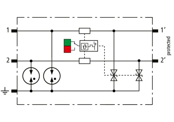
BCO MOD ML2 BE

BLITZDUCTORconnect复合型雷电流/电涌保护器保护模块,宽度仅6 mm,集成可视化状态指示,用于具有公共参考电位的非平衡接口的2根单线保护。

4 Products

Part No. 927022 BCO MOD ML2 BE 12

GTIN 4013364410121, Customs tariff No. (EU): 853630, Gross weight: 39.00 g, PU: 1.00


Images

Additional information

BLITZDUCTORconnect MOD ML2 BE 12 复合型雷电流/电涌保护器保护模块
可插拔复合型雷电流/电涌保护器保护模块
用于具有公共参考电位的非平衡接口的2根单线保护
依据 EN/IEC 61643-21 测试
依据 IEC 61643-22 能量协调
SPD 分类:Type 1 / P1
冲击类别:C1, C2, C3, B2, D1
集成可视化状态指示,宽度6 mm
最大持续工作电压:15.0 V 直流 / 10.6 V 交流
标称电流 (70°C):0.75 A
C2 每线标称放电电流 (8/20 µs):5 kA
C2 总标称放电电流 (8/20 µs):10 kA
D1 每线雷电冲击电流 (10/350 µs):1.5 kA
D1 总雷电冲击电流 (10/350 µs):3 kA
可更换模块

制造商: DEHN
型号: BCO MOD ML2 BE 12
货号: 927022
其他类似产品

Certificates

 

Technical data

SPD分类 M
标称电压 (UN ) 12 V
直流最大持续工作电压 (UC ) 15 V
标称电流 (70 °C) (IL ) 0.75 A
D1 每线雷电冲击电流 (10/350 μs) (Iimp ) 1.5 kA
C2 总标称放电电流 (8/20 μs) (In ) 10 kA
每线串联阻抗 1 ohms
截止频率 (线-线) (fG ) 1.4 MHz
认证 UL 497B, CSA, ATEX, IECEx, CCC, SIL
*) 详见:www.dehn.de

Product 927022 was added to Notepad.

Product 927022 was added to the cart.

Part No. 927024 BCO MOD ML2 BE 24

GTIN 4013364410138, Customs tariff No. (EU): 853630, Gross weight: 39.27 g, PU: 1.00


Images

Additional information

BLITZDUCTORconnect MOD ML2 BE 24 复合型雷电流/电涌保护器保护模块
可插拔复合型雷电流/电涌保护器保护模块
用于具有公共参考电位的非平衡接口的2根单线保护
依据 EN/IEC 61643-21 测试
依据 IEC 61643-22 能量协调
SPD 分类:Type 1 / P1
冲击类别:C1, C2, C3, B2, D1
集成可视化状态指示,宽度6 mm
最大持续工作电压:33.0 V 直流 / 23.3 V 交流
标称电流 (70°C):0.75 A
C2 每线标称放电电流 (8/20 µs):5 kA
C2 总标称放电电流 (8/20 µs):10 kA
D1 每线雷电冲击电流 (10/350 µs):1.5 kA
D1 总雷电冲击电流 (10/350 µs):3 kA
可更换模块

制造商: DEHN
型号: BCO MOD ML2 BE 24
货号: 927024
其他类似产品

Certificates

 

Technical data

SPD分类 M
标称电压 (UN ) 24 V
直流最大持续工作电压 (UC ) 33 V
标称电流 (70 °C) (IL ) 0.75 A
D1 每线雷电冲击电流 (10/350 μs) (Iimp ) 1.5 kA
C2 总标称放电电流 (8/20 μs) (In ) 10 kA
每线串联阻抗 1 ohms
截止频率 (线-线) (fG ) 3.4 MHz
认证 UL 497B, CSA, ATEX, IECEx, CCC, SIL
*) 详见:www.dehn.de

Product 927024 was added to Notepad.

Product 927024 was added to the cart.

Part No. 927025 BCO MOD ML2 BE 48

GTIN 4013364410145, Customs tariff No. (EU): 853630, Gross weight: 39.00 g, PU: 1.00


Images

Additional information

BLITZDUCTORconnect MOD ML2 BE 48 复合型雷电流/电涌保护器保护模块
可插拔复合型雷电流/电涌保护器保护模块
用于具有公共参考电位的非平衡接口的2根单线保护
依据 EN/IEC 61643-21 测试
依据 IEC 61643-22 能量协调
SPD 分类:Type 1 / P1
冲击类别:C1, C2, C3, B2, D1
集成可视化状态指示,宽度6 mm
最大持续工作电压:54.0 V 直流 / 38.1 V 交流
标称电流 (70°C):0.75 A
C2 每线标称放电电流 (8/20 µs):5 kA
C2 总标称放电电流 (8/20 µs):10 kA
D1 每线雷电冲击电流 (10/350 µs):1.5 kA
D1 总雷电冲击电流 (10/350 µs):3 kA
可更换模块

制造商: DEHN
型号: BCO MOD ML2 BE 48
货号: 927025
其他类似产品

Certificates

 

Technical data

SPD分类 M
标称电压 (UN ) 48 V
直流最大持续工作电压 (UC ) 54 V
标称电流 (70 °C) (IL ) 0.75 A
D1 每线雷电冲击电流 (10/350 μs) (Iimp ) 1.5 kA
C2 总标称放电电流 (8/20 μs) (In ) 10 kA
每线串联阻抗 1 ohms
截止频率 (线-线) (fG ) 5 MHz
认证 UL 497B, CSA, ATEX, IECEx, CCC, SIL
*) 详见:www.dehn.de

Product 927025 was added to Notepad.

Product 927025 was added to the cart.

Part No. 927027 BCO MOD ML2 BE 180

GTIN 4013364468689, Customs tariff No. (EU): 853630, Gross weight: 39.00 g, PU: 1.00


Images

Additional information

Combined arrester protection module
BLITZDUCTORconnect MOD ML2 BE 180
Pluggable combined arrester module for protecting two single lines sharing a common reference potential as well as unbalanced interfaces
Tested to EN/IEC 61643-21 and
energy-coordinated according to IEC 61643-22
SPD class type 1 / P1
Impulse category: C1, C2, C3, B2, D1
Status indication, width of 6 mm
Max. continuous operating voltage: 180 V DC / 127 V AC
Nominal current at 70°C: 0.5 A
C2 nominal impulse discharge current per line (8/20): 5 kA
C2 total nominal impulse discharge current (8/20): 10 kA
D1 lightning current impulse (10/350 µs) per line: 1.5 kA
D1 total lightning impulse current (10/350 µs): 3 kA
Exchange module

BLITZDUCTORconnect MOD ML2 BE 180 复合型雷电流/电涌保护器保护模块
可插拔复合型雷电流/电涌保护器保护模块
用于具有公共参考电位的非平衡接口的2根单线保护
依据 EN/IEC 61643-21 测试
依据 IEC 61643-22 能量协调
SPD 分类:Type 1 / P1
冲击类别:C1, C2, C3, B2, D1
集成可视化状态指示,宽度6 mm
最大持续工作电压:180 V 直流 / 127 V 交流
标称电流 (70°C):0.5 A
C2 每线标称放电电流 (8/20 µs):5 kA
C2 总标称放电电流 (8/20 µs):10 kA
D1 每线雷电冲击电流 (10/350 µs):1.5 kA
D1 总雷电冲击电流 (10/350 µs):3 kA
可更换模块


制造商: DEHN
型号: BCO MOD ML2 BE 180
货号: 927027
其他类似产品

Certificates

 

Technical data

SPD分类 M
标称电压 (UN ) 180 V
直流最大持续工作电压 (UC ) 180 V
标称电流 (70 °C) (IL ) 0,5 A
D1 每线雷电冲击电流 (10/350 μs) (Iimp ) 1.5 kA
C2 总标称放电电流 (8/20 μs) (In ) 10 kA
每线串联阻抗 1.8 ohms
截止频率 (线-线) (fG ) 10 MHz
认证 UL 497B, SIL
*) 详见:www.dehn.de

Product 927027 was added to Notepad.

Product 927027 was added to the cart.


BCO MOD ML2 BD

BLITZDUCTORconnect复合型雷电流/电涌保护器保护模块,宽度仅6 mm,集成可视化状态指示,用于浮地的平衡接口的1对线保护。

4 Products

Part No. 927042 BCO MOD ML2 BD 12

GTIN 4013364410152, Customs tariff No. (EU): 853630, Gross weight: 39.00 g, PU: 1.00


Images

Additional information

BLITZDUCTORconnect MOD ML2 BD 12 复合型雷电流/电涌保护器保护模块
可插拔复合型雷电流/电涌保护器保护模块
用于浮地的平衡接口的1对线保护
依据 EN/IEC 61643-21 测试
依据 IEC 61643-22 能量协调
SPD 分类:Type 1 / P2
冲击类别:C1, C2, C3, B2, D1
集成可视化状态指示,宽度6 mm
最大持续工作电压:15.0 V 直流 / 10.6 V 交流
标称电流 (70°C):0.75 A
C2 每线标称放电电流 (8/20 µs):5 kA
C2 总标称放电电流 (8/20 µs):10 kA
D1 每线雷电冲击电流 (10/350 µs):1.5 kA
D1 总雷电冲击电流 (10/350 µs):3 kA
可更换模块

制造商: DEHN
型号: BCO MOD ML2 BD 12
货号: 927042
其他类似产品

Certificates

 

Technical data

SPD分类 L
标称电压 (UN ) 12 V
直流最大持续工作电压 (UC ) 15 V
标称电流 (70 °C) (IL ) 0.75 A
D1 每线雷电冲击电流 (10/350 μs) (Iimp ) 1.5 kA
C2 总标称放电电流 (8/20 μs) (In ) 10 kA
每线串联阻抗 1 ohms
截止频率 (线-线) (fG ) 2.6 MHz
认证 UL 497B, CSA, ATEX, IECEx, CCC, SIL
*) 详见:www.dehn.de

Product 927042 was added to Notepad.

Product 927042 was added to the cart.

Part No. 927044 BCO MOD ML2 BD 24

GTIN 4013364410169, Customs tariff No. (EU): 853630, Gross weight: 39.00 g, PU: 1.00


Images

Additional information

BLITZDUCTORconnect MOD ML2 BD 24 复合型雷电流/电涌保护器保护模块
可插拔复合型雷电流/电涌保护器保护模块
用于浮地的平衡接口的1对线保护
依据 EN/IEC 61643-21 测试
依据 IEC 61643-22 能量协调
SPD 分类:Type 1 / P2
冲击类别:C1, C2, C3, B2, D1
集成可视化状态指示,宽度6 mm
最大持续工作电压:36.0 V 直流 / 25.4 V 交流
标称电流 (70°C):0.75 A
C2 每线标称放电电流 (8/20 µs):5 kA
C2 总标称放电电流 (8/20 µs):10 kA
D1 每线雷电冲击电流 (10/350 µs):1.5 kA
D1 总雷电冲击电流 (10/350 µs):3 kA
可更换模块

制造商: DEHN
型号: BCO MOD ML2 BD 24
货号: 927044
其他类似产品

Certificates

 

Technical data

SPD分类 L
标称电压 (UN ) 24 V
直流最大持续工作电压 (UC ) 36 V
标称电流 (70 °C) (IL ) 0.75 A
D1 每线雷电冲击电流 (10/350 μs) (Iimp ) 1.5 kA
C2 总标称放电电流 (8/20 μs) (In ) 10 kA
每线串联阻抗 1 ohms
截止频率 (线-线) (fG ) 5.8 MHz
认证 UL 497B, CSA, ATEX, IECEx, CCC, SIL
*) 详见:www.dehn.de

Product 927044 was added to Notepad.

Product 927044 was added to the cart.

Part No. 927045 BCO MOD ML2 BD 48

GTIN 4013364410176, Customs tariff No. (EU): 853630, Gross weight: 39.00 g, PU: 1.00


Images

Additional information

BLITZDUCTORconnect MOD ML2 BD 48 复合型雷电流/电涌保护器保护模块
可插拔复合型雷电流/电涌保护器保护模块
用于浮地的平衡接口的1对线保护
依据 EN/IEC 61643-21 测试
依据 IEC 61643-22 能量协调
SPD 分类:Type 1 / P2
冲击类别:C1, C2, C3, B2, D1
集成可视化状态指示,宽度6 mm
最大持续工作电压:54.0 V 直流 / 38.1 V 交流
标称电流 (70°C):0.75 A
C2 每线标称放电电流 (8/20 µs):5 kA
C2 总标称放电电流 (8/20 µs):10 kA
D1 每线雷电冲击电流 (10/350 µs):1.5 kA
D1 总雷电冲击电流 (10/350 µs):3 kA
可更换模块

制造商: DEHN
型号: BCO MOD ML2 BD 48
货号: 927045
其他类似产品

Certificates

 

Technical data

SPD分类 L
标称电压 (UN ) 48 V
直流最大持续工作电压 (UC ) 56 V
标称电流 (70 °C) (IL ) 0.75 A
D1 每线雷电冲击电流 (10/350 μs) (Iimp ) 1.5 kA
C2 总标称放电电流 (8/20 μs) (In ) 10 kA
每线串联阻抗 1 ohms
截止频率 (线-线) (fG ) 7.2 MHz
认证 UL 497B, CSA, ATEX, IECEx, CCC, SIL
*) 详见:www.dehn.de

Product 927045 was added to Notepad.

Product 927045 was added to the cart.

Part No. 927047 BCO MOD ML2 BD 180

GTIN 4013364468672, Customs tariff No. (EU): 853630, Gross weight: 39.00 g, PU: 1.00


Images

Additional information

Combined arrester protection module
BLITZDUCTORconnect MOD ML2 BD 180
Pluggable combined arrester module
For protecting one pair
of unearthed balanced interfaces
Tested to EN/IEC 61643-21 and
energy-coordinated according to IEC 61643-22
SPD class type 1 / P2
Impulse category: C1, C2, C3, B2, D1
Status indication, width of 6 mm
Max. continuous operating voltage: 180 V DC / 127 V AC
Nominal current at 70°C: 0.5 A
C2 nominal impulse discharge current per line (8/20): 5 kA
C2 total nominal impulse discharge current (8/20): 10 kA
D1 lightning current impulse (10/350 µs) per line: 1.5 kA
D1 total lightning impulse current (10/350 µs): 3 kA
Exchange module

BLITZDUCTORconnect MOD ML2 BD 180 复合型雷电流/电涌保护器保护模块
可插拔复合型雷电流/电涌保护器保护模块
用于不接地(浮地)的平衡接口的1对线保护
依据 EN/IEC 61643-21 测试
依据 IEC 61643-22 能量协调
SPD 分类:Type 1 / P2
冲击类别:C1, C2, C3, B2, D1
集成可视化状态指示,宽度6 mm
最大持续工作电压:180 V 直流 / 127 V 交流
标称电流 (70°C):0.5 A
C2 每线标称放电电流 (8/20 µs):5 kA
C2 总标称放电电流 (8/20 µs):10 kA
D1 每线雷电冲击电流 (10/350 µs):1.5 kA
D1 总雷电冲击电流 (10/350 µs):3 kA
可更换模块


制造商: DEHN
型号: BCO MOD ML2 BD 180
货号: 927047
其他类似产品

Certificates

 

Technical data

SPD分类 L
标称电压 (UN ) 180 V
直流最大持续工作电压 (UC ) 180 V
标称电流 (70 °C) (IL ) 0.5 A
D1 每线雷电冲击电流 (10/350 μs) (Iimp ) 1.5 kA
C2 总标称放电电流 (8/20 μs) (In ) 10 kA
每线串联阻抗 1.8 ohms
截止频率 (线-线) (fG ) 10 MHz
认证 UL 497B, SIL
*) 详见:www.dehn.de

Product 927047 was added to Notepad.

Product 927047 was added to the cart.


BCO MOD ML2 BE HF

BLITZDUCTORconnect复合型雷电流/电涌保护器保护模块,宽度仅6 mm,集成可视化状态指示,用于具有公共参考电位的非平衡接口高频信号的2根单线保护。

2 Products

Part No. 927070 BCO MOD ML2 BE HF 5

GTIN 4013364410183, Customs tariff No. (EU): 853630, Gross weight: 39.00 g, PU: 1.00


Images

Additional information

BLITZDUCTORconnect MOD ML2 BE HF 5 复合型雷电流/电涌保护器保护模块
可插拔复合型雷电流/电涌保护器保护模块
用于具有公共参考电位的非平衡接口高频信号的2根单线保护
依据 EN/IEC 61643-21 测试
依据 IEC 61643-22 能量协调
SPD 分类:Type 1 / P1
冲击类别:C1, C2, C3, B2, D1
集成可视化状态指示,宽度6 mm
最大持续工作电压:8.5 V 直流 / 6.0 V 交流
标称电流 (70°C):0.75 A
C2 每线标称放电电流 (8/20 µs):5 kA
C2 总标称放电电流 (8/20 µs):10 kA
D1 每线雷电冲击电流 (10/350 µs):1.5 kA
D1 总雷电冲击电流 (10/350 µs):3 kA
可更换模块

制造商: DEHN
型号: BCO MOD ML2 BE HF 5
货号: 927070
其他类似产品

Certificates

 

Technical data

SPD分类 M
标称电压 (UN ) 5 V
直流最大持续工作电压 (UC ) 8.5 V
标称电流 (70 °C) (IL ) 0.75 A
D1 每线雷电冲击电流 (10/350 μs) (Iimp ) 1.5 kA
C2 总标称放电电流 (8/20 μs) (In ) 10 kA
每线串联阻抗 1 ohms
认证 UL 497B, CSA, ATEX, IECEx, CCC, SIL
*) 详见:www.dehn.de

Product 927070 was added to Notepad.

Product 927070 was added to the cart.

Part No. 927074 BCO MOD ML2 BE HF 24

GTIN 4013364468573, Customs tariff No. (EU): 853630, Gross weight: 39.00 g, PU: 1.00


Images

Additional information

BLITZDUCTORconnect MOD ML2 BE HF 24 复合型雷电流/电涌保护器保护模块
可插拔复合型雷电流/电涌保护器保护模块
用于具有公共参考电位的非平衡接口高频信号的2根单线保护
依据 EN/IEC 61643-21 测试
依据 IEC 61643-22 能量协调
SPD 分类:Type 1 / P1
冲击类别:C1, C2, C3, B2, D1
集成可视化状态指示,宽度6 mm
最大持续工作电压:8.5 V 直流 / 6.0 V 交流
标称电流 (70°C):0.75 A
C2 每线标称放电电流 (8/20 µs):5 kA
C2 总标称放电电流 (8/20 µs):10 kA
D1 每线雷电冲击电流 (10/350 µs):1.5 kA
D1 总雷电冲击电流 (10/350 µs):3 kA
可更换模块

制造商: DEHN
型号: BCO MOD ML2 BE HF 24
货号: 927074
其他类似产品

Certificates

 

Technical data

SPD分类 M
标称电压 (UN ) 24 V
直流最大持续工作电压 (UC ) 36 V
标称电流 (70 °C) (IL ) 0.75 A
D1 每线雷电冲击电流 (10/350 μs) (Iimp ) 1.5 kA
C2 总标称放电电流 (8/20 μs) (In ) 10 kA
每线串联阻抗 1 ohms
认证 UL 497B, SIL
*) 详见:www.dehn.de

Product 927074 was added to Notepad.

Product 927074 was added to the cart.


BCO MOD ML2 BD HF

BLITZDUCTORconnect复合型雷电流/电涌保护器保护模块,宽度仅6 mm,集成可视化状态指示,用于浮地的平衡接口高频信号的1对线保护。

2 Products

Part No. 927071 BCO MOD ML2 BD HF 5

GTIN 4013364410190, Customs tariff No. (EU): 853630, Gross weight: 39.00 g, PU: 1.00


Images

Additional information

BLITZDUCTORconnect MOD ML2 BD HF 5 复合型雷电流/电涌保护器保护模块
可插拔复合型雷电流/电涌保护器保护模块
用于浮地的平衡接口高频信号的1对线保护
依据 EN/IEC 61643-21 测试
依据 IEC 61643-22 能量协调
SPD 分类:Type 1 / P2
冲击类别:C1, C2, C3, B2, D1
集成可视化状态指示,宽度6 mm
最大持续工作电压:8.5 V 直流 / 6.0 V 交流
标称电流 (70°C):0.75 A
C2 每线标称放电电流 (8/20 µs):5 kA
C2 总标称放电电流 (8/20 µs):10 kA
D1 每线雷电冲击电流 (10/350 µs):1.5 kA
D1 总雷电冲击电流 (10/350 µs):3 kA
可更换模块

制造商: DEHN
型号: BCO MOD ML2 BD HF 5
货号: 927071
其他类似产品

Certificates

 

Technical data

SPD分类 L
标称电压 (UN ) 5 V
直流最大持续工作电压 (UC ) 8.5 V
标称电流 (70 °C) (IL ) 0.75 A
D1 每线雷电冲击电流 (10/350 μs) (Iimp ) 1.5 kA
C2 总标称放电电流 (8/20 μs) (In ) 10 kA
每线串联阻抗 1 ohms
截止频率 (线-线) (fG ) 100 MHz
认证 UL 497B, CSA, ATEX, IECEx, CCC, SIL
*) 详见:www.dehn.de

Product 927071 was added to Notepad.

Product 927071 was added to the cart.

Part No. 927075 BCO MOD ML2 BD HF 24

GTIN 4013364468580, Customs tariff No. (EU): 853630, Gross weight: 39.00 g, PU: 1.00


Images

Additional information

Combined arrester protection module
BLITZDUCTORconnect MOD ML2 BD HF 24
Pluggable combined arrester module
For protecting 1 pair of unearthed
high-frequency bus systems
and balanced interfaces
Tested to EN/IEC 61643-21 and energetically
coordinated according to IEC 61643-22
SPD class type 1 / P2
Impulse category: C1, C2, C3, B2, D1
Status indication, width of 6 mm
Max. continuous operating voltage: 36 V DC / 25.4 V AC
Nominal current at 70°C: 0.75 A
Cut-off frequency 100 MHz
C2 nominal impulse discharge current per line (8/20): 5 kA
C2 total nominal impulse discharge current (8/20): 10 kA
D1 lightning current impulse (10/350 µs) per line: 1.5 kA
D1 total lightning impulse current (10/350 µs): 3 kA
Exchange module

BLITZDUCTORconnect MOD ML2 BD HF 24 复合型雷电流/电涌保护器保护模块
可插拔复合型雷电流/电涌保护器保护模块
用于不接地(浮地的)平衡接口高频信号的1对线保护
依据 EN/IEC 61643-21 测试
依据 IEC 61643-22 能量协调
SPD 分类:Type 1 / P2
冲击类别:C1, C2, C3, B2, D1
集成可视化状态指示,宽度6 mm
最大持续工作电压:36 V 直流 / 25.4 V 交流
标称电流 (70°C):0.75 A
截止频率: 100 MHz
C2 每线标称放电电流 (8/20 µs):5 kA
C2 总标称放电电流 (8/20 µs):10 kA
D1 每线雷电冲击电流 (10/350 µs):1.5 kA
D1 总雷电冲击电流 (10/350 µs):3 kA
可更换模块


制造商: DEHN
型号: BCO MOD ML2 BD HF 24
货号: 927075
其他类似产品

Certificates

 

Technical data

SPD分类 L
标称电压 (UN ) 24 V
直流最大持续工作电压 (UC ) 36 V
标称电流 (70 °C) (IL ) 0.75 A
D1 每线雷电冲击电流 (10/350 μs) (Iimp ) 1.5 kA
C2 总标称放电电流 (8/20 μs) (In ) 10 kA
每线串联阻抗 1 ohms
截止频率 (线-线) (fG ) 100 MHz
认证 UL 497B, SIL
*) 详见:www.dehn.de

Product 927075 was added to Notepad.

Product 927075 was added to the cart.


BCO MOD ML2 BDHC5A 24

1 Product

Part No. 927054 BCO MOD ML2 BD HC5A 24

GTIN 4013364513426, Customs tariff No. (EU): 853630, Gross weight: 41.00 g, PU: 1.00


Images

Additional information

复合型雷电流电涌保护器保护模块
BLITZDUCTORconnect MOD ML2 BD HC5A 24
可插拔复合型雷电流电涌保护器模块
用于保护无电势信号电路的 1 根双线,
额定电流高,
适用于信息技术系统和测控电路。
根据 EN/IEC 61643-21 标准进行测试,
并根据 IEC 61643-22 的规定进行能量协调
电涌保护器等级,类型 1 / P2
脉冲类别:C1, C2, C3, B2, D1
状态指示器,结构宽度 6 毫米
最大持续工作电压:36 V DC / 25.4 V AC
80°C 时的额定电流:5 A
C2 每线的标称放电电流 (8/20):5 kA
C2 总标称放电电流 (8/20):10 kA
D1 每线的雷电冲击电流 (10/350 µs):1.5 kA
D1 总雷电冲击电流 (10/350 µs):3 kA
替换模块

制造商: DEHN
型号: BCO MOD ML2 BD HC5A 24
货号: 927054
其他类似产品

Certificates

 

Technical data

SPD分类 L
标称电压 (UN ) 24 V
直流最大持续工作电压 (UC ) 36 V
标称电流 (80 °C) (IL ) 5 A
D1 每线雷电冲击电流 (10/350 μs) (Iimp ) 1.5 kA
C2 总标称放电电流 (8/20 μs) (In ) 10 kA
每线串联阻抗 0 ohms
认证 UL 497B, SIL
*) 详见:www.dehn.de

Product 927054 was added to Notepad.

Product 927054 was added to the cart.


BCO MOD ML2 BPD

BLITZDUCTORconnect复合型雷电流/电涌保护模块,宽度仅6 mm,集成可视化状态指示,用于直流24V系统的1对线的防护。也可以用于负极接地系统。集成的PTC电阻允许在短路电流超过额定电流,甚至达到40A后,仍然可以可靠地重置电涌保护器。

1 Product

Part No. 927014 BCO MOD ML2 BPD 24

GTIN 4013364473010, Customs tariff No. (EU): 853630, Gross weight: 39.00 g, PU: 1.00


Images

Additional information

Combined arrester protection module BLITZDUCTORconnect MOD ML2 BPD 24
Pluggable combined arrester module for protecting
a pair in 24 V DC systems; also suitable for use
with an earthed negative pole;
with integrated PTC resistors for
overcurrent protection of up to 40 A
Tested to EN/IEC 61643-21 and energetically
coordinated according to IEC 61643-22
SPD class type 1 / P2
Impulse category: C1, C2, C3, B2, D1
Status indication, width of 6 mm
Max. continuous operating voltage: 33.0 V DC / 23.3 V AC
Nominal current at 70°C: 0.1 A
C2 nominal impulse discharge current per line (8/20): 5 kA
C2 total nominal impulse discharge current (8/20): 10 kA
D1 lightning current impulse (10/350 µs) per line: 1.5 kA
D1 total lightning impulse current (10/350 µs): 3 kA
Exchange module

BLITZDUCTORconnect MOD ML2 BPD 24 复合型雷电流/电涌保护模块
可插拔合型雷电流/电涌保护模块,用于直流24V系统的1对线的防护。也可以用于负极接地系统。集成的PTC电阻,过流保护能力可达40A。
依据 EN/IEC 61643-21 测试
依据 IEC 61643-22 能量协调
SPD 分类:Type 1 / P2
冲击类别:C1, C2, C3, B2, D1
集成可视化状态指示,宽度6 mm
最大持续工作电压:33.0 V DC / 23.3 V AC
标称电流 (70°C):0.1 A
C2 每线标称放电电流 (8/20 µs):5 kA
C2 总标称放电电流 (8/20 µs):10 kA
D1 每线雷电冲击电流 (10/350 µs):1.5 kA
D1 总雷电冲击电流 (10/350 µs):3 kA
更换模块

制造商: DEHN
型号: BCO MOD ML2 BPD 24
货号: 927014
其他类似产品

Certificates

 

Technical data

SPD分类 L
标称电压 (UN ) 24 V
直流最大持续工作电压 (UC ) 33 V
标称电流 (70 °C) (IL ) 0.1 A
D1 每线雷电冲击电流 (10/350 μs) (Iimp ) 1.5 kA
C2 总标称放电电流 (8/20 μs) (In ) 10 kA
每线串联阻抗 10 ohms
截止频率 (线-线) (fG ) 4.5 MHz
认证 UL 497B, SIL
*) 详见:www.dehn.de

Product 927014 was added to Notepad.

Product 927014 was added to the cart.


BCO MOD ML2 MVG 230

BLITZDUCTORconnect 复合型雷电流/电涌保护器模块,宽度仅6 mm,集成可视化状态指示,用于保护标称电压为 230 V 的 2 线未接地信号接口。
满足铁路行业信号系统的要求。(例如 DB RIL 819.0808 )。

1 Product

Part No. 927090 BCO MOD ML2 MVG 230

GTIN 4013364466531, Customs tariff No. (EU): 853630, Gross weight: 39.00 g, PU: 1.00


Images

Additional information

复合型雷电流/电涌保护模块
BLITZDUCTORconnect ML2 MVG 230
用于保护标称电压为 230 V 的 2 线未接地信号接口。
符合EN/IEC 61643-21,并依据IEC 61643-22能量协调
SPD 产品分类 Type2 / P3
测试类型:C1 C2 C3
带有状态指示,宽度6毫米
最大持续工作电压:320V DC / 250V AC
标称电流(80℃):3 A
C2每线标称放电电流(8/20):3 kA
C2总标称放电电流(8/20):6kA
可在维护时免工具断开信号
可插拔模块
满足指令DB Ril 819.0808

制造商: DEHN
型号: BCO MOD ML2 MVG 230
货号: 927090
其他类似产品

Certificates

 

Technical data

SPD分类 V
标称电压 (UN ) 230 V
标称电流 (80 °C) (IL ) 3 A
C2 总标称放电电流 (8/20 μs) (In ) 6 kA
每线串联阻抗 0 ohms
认证 SIL
*) 详见:www.dehn.de

Product 927090 was added to Notepad.

Product 927090 was added to the cart.


BCO MOD ML2 BD EX 24

BLITZDUCTORconnect复合型雷电流/电涌保护器保护模块,宽度仅6 mm,集成可视化状态指示,用于本质安全电路和总线系统的1对线保护,符合FISCO要求。绝缘强度(线-地)> 500 V。

1 Product

Part No. 927084 BCO MOD ML2 BD EX 24

GTIN 4013364410206, Customs tariff No. (EU): 853630, Gross weight: 39.00 g, PU: 1.00


Images

Additional information

BLITZDUCTORconnect MOD ML2 BD EX 24 复合型雷电流/电涌保护器保护模块
可插拔复合型雷电流/电涌保护器保护模块
用于本质安全电路和总线系统的1对线保护
依据 EN/IEC 61643-21 测试
依据 IEC 61643-22 能量协调
SPD 分类:Type 1 / P2
冲击类别:C1, C2, C3, B2, D1
集成可视化状态指示,宽度6 mm
最大持续工作电压:36.0 V 直流 / 25.4 V 交流
标称电流 (70°C):0.75 A
依据 EN 60079-11,最大输入电压:30 V
依据 EN 60079-11,最大输入电流:0.5 A
C2 每线标称放电电流 (8/20 µs):5 kA
C2 总标称放电电流 (8/20 µs):10 kA
D1 每线雷电冲击电流 (10/350 µs):1.5 kA
D1 总雷电冲击电流 (10/350 µs):3 kA
可更换模块

制造商: DEHN
型号: BCO MOD ML2 BD EX 24
货号: 927084
其他类似产品

Certificates

 

Technical data

SPD分类 L
标称电压 (UN ) 24 V
直流最大持续工作电压 (UC ) 36 V
标称电流 (80 °C) (IL ) 0.5 A
D1 每线雷电冲击电流 (10/350 μs) (Iimp ) 1.5 kA
C2 总标称放电电流 (8/20 μs) (In ) 10 kA
每线串联阻抗 1 ohms
截止频率 (线-线) (fG ) 3.5 MHz
认证 ATEX, IECEx, CCC, SIL
*) 详见:www.dehn.de

Product 927084 was added to Notepad.

Product 927084 was added to the cart.


back to top