Your dashboard services.
Register to access all tools.

Potentialausgleichsschienen – Nachrichtentechnik

Erdungsschienen aus NIRO (V4A) – robuste und langlebige Lösungen für Erdungsverbindungen in der Nachrichtentechnik. Verfügbar mit 6 oder 3 Anschlusspunkten, bieten sie maximale Flexibilität und einfache Installation durch KS-Verbinder und Schraub-Mutter-Befestigung.

Zulassung: nach VG 96953-7

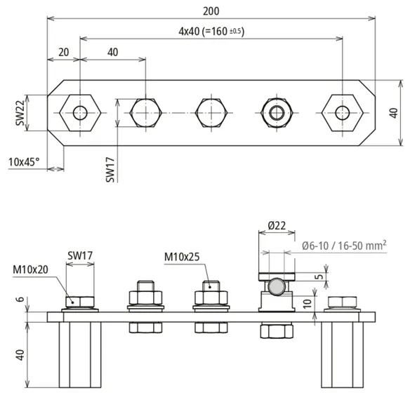
3 Anschlüsse

1 Product

Part No. 472246 PAS 3AP M10 KSM10 V4A

GTIN 4013364459885, Customs tariff No. (EU): 85359000, Gross weight: 768.00 g, PU: 1.00 Stk.


Images

Additional information

Potentialausgleichschiene aus NIRO (V4A)
zum Anschrauben über 6kt-Stützer
1x KS-Verbinder, 2x Schraube und Muttern
Anzahl Anschlüsse: 3
Anschlüsse: 1x KS-Verbinder, 2x Schraubanschluss M10
Werkstoff: NIRO (V4A)
Werkstoff-Nr. : 1.4571 / 1.4404 / 1.4401
Abmessung: 200 x 40 x 6 mm
Querschnitt: 240 mm2
Kurzschlussstrom (AC 50 Hz / DC): 8,9 kA
Schraube: M10 x 25 mm
Klemmbereich KS-Verbinder Rd: 6-10 mm
Zulassung: nach VG96953
Militärische Bezeichnung: VG96953T07E

Fabrikat: DEHN
Typ: PAS 3AP M10 KSM10 V4A
Art.-Nr.: 472246
oder gleichwertig.

Certificates

 

Technical data

Anzahl Anschlüsse 3
Anschlüsse 1x KS-Verbinder, 2x Schraubanschluss M10
Werkstoff NIRO (V4A)
Abmessung (l x b x t1) 200 x 40 x 6 mm
Querschnitt 240 mm2
Kurzschlussstrom (AC 50 Hz / DC) (1 s; ≤ 300 °C) 8,9 kA
Schraube di M10 x 25 mm
Klemmbereich KS-Verbinder Rd 6-10 mm
Zulassung nach VG96953

Product 472246 was added to Notepad.

Product 472246 was added to the cart.


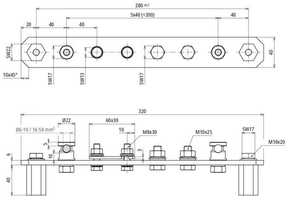
6 Anschlüsse

1 Product

Part No. 472245 PAS 6AP M8 M10 KSM10 V4A

GTIN 4013364449268, Customs tariff No. (EU): 85359000, Gross weight: 1.12 kg, PU: 1.00 Stk.


Images

Additional information

Potentialausgleichschiene aus NIRO (V4A)
zum Anschrauben über 6kt-Stützer
2x KS-Verbinder, 1x Fl -30mm,
2x Schraube und Muttern
Anzahl Anschlüsse: 6
Anschlüsse: 2x KS-Verbinder, 1x Lasche Fl 30 mm, 2x Schraubanschluss M10
Werkstoff: NIRO (V4A)
Werkstoff-Nr. : 1.4571 / 1.4404 / 1.4401
Abmessung: 320 x 40 x 6 mm
Querschnitt: 240 mm2
Kurzschlussstrom (AC 50 Hz / DC): 8,9 kA
Schraube: M8 x 30 mm / M10 x 25 mm
Klemmbereich KS-Verbinder Rd: 6-10 mm
Zulassung: nach VG96953
Militärische Bezeichnung: VG96953T07D

Fabrikat: DEHN
Typ: PAS 6AP M8 M10 KSM10 V4A
Art.-Nr.: 472245
oder gleichwertig.

Certificates

 

Technical data

Anzahl Anschlüsse 6
Anschlüsse 2x KS-Verbinder, 1x Lasche Fl 30 mm, 2x Schraubanschluss M10
Werkstoff NIRO (V4A)
Abmessung (l x b x t1) 320 x 40 x 6 mm
Querschnitt 240 mm2
Kurzschlussstrom (AC 50 Hz / DC) (1 s; ≤ 300 °C) 8,9 kA
Schraube di M8 x 30 mm / M10 x 25 mm
Klemmbereich KS-Verbinder Rd 6-10 mm
Zulassung nach VG96953

Product 472245 was added to Notepad.

Product 472245 was added to the cart.


Your dashboard services.
Register to access all tools.

Request a risk assessment
back to top