DEHNventil modular
:quality(98)/www.dehn.us/store/f/63203763/HDVORSCHAU/956315a0001_16-9.jpg)
:quality(98)/www.dehn.us/store/f/63203763/HDVORSCHAU/956315a0001_16-9.jpg)
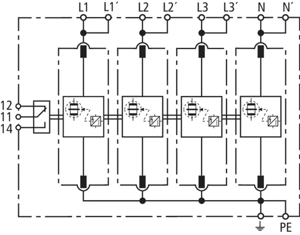
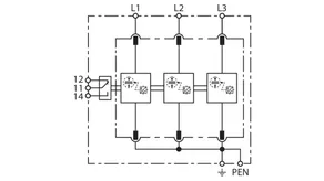
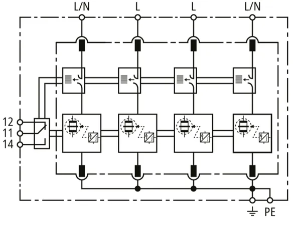
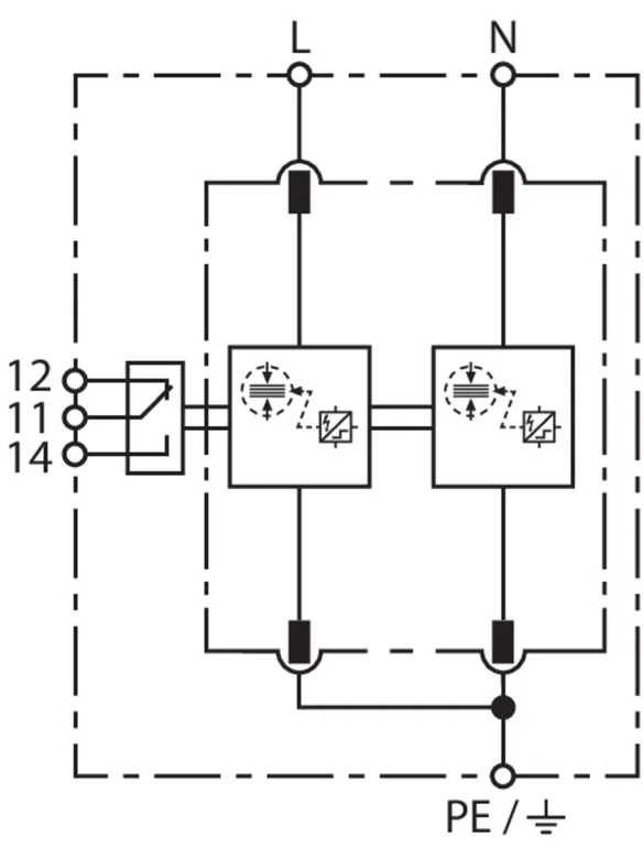
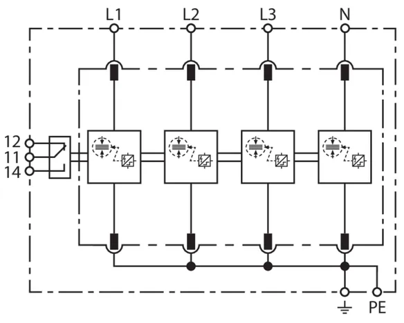
- Prewired spark-gap-based type 1 and type 2 and type 3 combined lightning current and surge arrester consisting of a base part and a single plug-in protection module
- RAC spark gap technology that is powerful yet gentle on terminal devices
- No tripping of 20 A gG fuses up to short-circuit currents of 50 kA rms
- Discharge capacity up to 100 kA (10/350 µs)
- Capable of protecting terminal equipment
- Operating state / fault indication by green / red indicator flag in the inspection window and monitoring of all modes of protection
- Easy replacement of protection modules without tools due to module locking system with module release buttons
Details
:quality(98)/www.dehn.us/store/f/63203764/HDVORSCHAU/954315a0004.jpg)
:quality(98)/www.dehn.us/store/f/63203764/HDVORSCHAU/954315a0004.jpg)
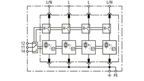
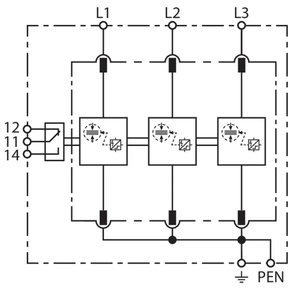
Part No. 956305 DV M2 TNC 255 FM
GTIN 4013364510586, Customs tariff No. (EU): 85363090, Gross weight: 519.19 g, PU: 1.00 pc(s)
PredecessorTechnical data
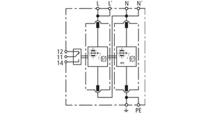
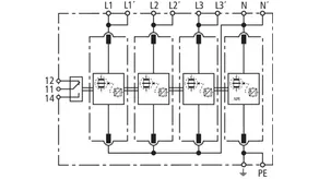
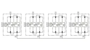
SPD according to EN 61643-11 / IEC 61643-11 | type 1 + type 2 + type 3 / class I + class II + class III |
Lightning impulse current (10/350 µs) [L1+L2+L3-PEN] (Itotal ) | 75 kA |
Lightning impulse current (10/350 µs) [L-PEN] (Iimp ) | 25 kA |
Voltage protection level (UP ) | ≤ 1.5 kV |
Max. backup fuse (L) up to IK = 50 kArms | 250 A gG |
Approvals | VDE, KEMA, UL |
Type of remote signalling contact | yes / changeover contact |
Extended technical data: | Use in switchgear installations with prospective short-circuit currents of more than 50 kArms |
– Max. prospective short-circuit current | 100 kArms (220 kApeak) |
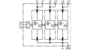
Part No. 956405 DV M2 TNS 255 FM
GTIN 4013364510562, Customs tariff No. (EU): 85363090, Gross weight: 583.68 g, PU: 1.00 pc(s)
PredecessorTechnical data
SPD according to EN 61643-11 / IEC 61643-11 | type 1 + type 2 + type 3 / class I + class II + class III |
Lightning impulse current (10/350 µs) [L1+L2+L3+N-PE] (Itotal ) | 100 kA |
Lightning impulse current (10/350 µs) [L, N-PE] (Iimp ) | 25 kA |
Voltage protection level [L-PE]/[N-PE] (UP ) | ≤ 1.5 / ≤ 1.5 kV |
Max. backup fuse (L) up to IK = 50 kArms | 250 A gG |
Approvals | VDE, KEMA, UL |
Type of remote signalling contact | yes / changeover contact |
Extended technical data: | Use in switchgear installations with prospective short-circuit currents of more than 50 kArms |
– Max. prospective short-circuit current | 100 kArms (220 kApeak) |
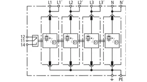
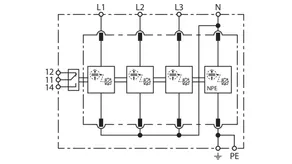
Part No. 956315 DV M2 TT 255 FM
GTIN 4013364528963, Customs tariff No. (EU): 85363090, Gross weight: 616.00 g, PU: 1.00 pc(s)
Technical data
SPD according to EN 61643-11 / IEC 61643-11 | type 1 + type 2 + type 3 / class I + class II + class III |
Lightning impulse current (10/350 µs) [L1+L2+L3+N-PE] (Itotal ) | 100 kA |
Lightning impulse current (10/350 µs) [L-N]/[N-PE] (Iimp ) | 25 / 100 kA |
Voltage protection level [L-N]/[N-PE] (UP ) | ≤ 1.5 / ≤ 1.5 kV |
Max. backup fuse (L) up to IK = 50 kArms | 250 A gG |
Approvals | VDE, KEMA, UL |
Type of remote signalling contact | yes / changeover contact |
Extended technical data: | Use in switchgear installations with prospective short-circuit currents of more than 50 kArms |
– Max. prospective short-circuit current | 100 kArms (220 kApeak) |
Supplementary data: | --------------------------------- |
– Voltage protection level [L-PE] (UP ) | 1.8 kV |
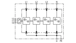
Part No. 956205 DV M2 TN 255 FM
GTIN 4013364510579, Customs tariff No. (EU): 85363090, Gross weight: 311.29 g, PU: 1.00 pc(s)
PredecessorTechnical data
SPD according to EN 61643-11 / IEC 61643-11 | type 1 + type 2 + type 3 / class I + class II + class III |
Lightning impulse current (10/350 µs) [L+N-PE] (Itotal ) | 50 kA |
Lightning impulse current (10/350 µs) [L, N-PE] (Iimp ) | 25 kA |
Voltage protection level [L-PE]/[N-PE] (UP ) | ≤ 1.5 / ≤ 1.5 kV |
Max. backup fuse (L) up to IK = 50 kArms | 250 A gG |
Approvals | VDE, KEMA, UL |
Type of remote signalling contact | yes / changeover contact |
Extended technical data: | Use in switchgear installations with prospective short-circuit currents of more than 50 kArms |
– Max. prospective short-circuit current | 100 kArms (220 kApeak) |
Part No. 956115 DV M2 TT 2P 255 FM
GTIN 4013364546929, Customs tariff No. (EU): 85363090, Gross weight: 327.00 g, PU: 1.00 pc(s)
Technical data
SPD according to EN 61643-11 / IEC 61643-11 | type 1 + type 2 + type 3 / class I + class II + class III |
Lightning impulse current (10/350 µs) [L+N-PE] (Itotal ) | 50 kA |
Lightning impulse current (10/350 µs) [L-N]/[N-PE] (Iimp ) | 25 / 50 kA |
Voltage protection level [L-N]/[N-PE] (UP ) | ≤ 1.5 / ≤ 1.5 kV |
Max. backup fuse (L) up to IK = 50 kArms | 250 A gG |
Approvals | VDE, KEMA, UL |
Type of remote signalling contact | yes / changeover contact |
Extended technical data: | Use in switchgear installations with prospective short-circuit currents of more than 50 kArms |
– Max. prospective short-circuit current | 100 kArms (220 kApeak) |
Supplementary data: | --------------------------------- |
– Voltage protection level [L-PE] (UP ) | 1.8 kV |
Part No. 951300 DV M TNC 255
GTIN 4013364108134, Customs tariff No. (EU): 85363090, Gross weight: 1004.00 g, PU: 1.00 pc(s)
PredecessorTechnical data
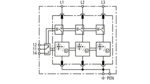
SPD according to EN 61643-11 / IEC 61643-11 | type 1 + type 2 / class I + class II |
Lightning impulse current (10/350 µs) [L1+L2+L3-PEN] (Itotal ) | 75 kA |
Lightning impulse current (10/350 µs) [L-PEN] (Iimp ) | 25 kA |
Voltage protection level (UP ) | ≤ 1.5 kV |
Max. backup fuse (L) up to IK = 50 kArms | 315 A gG |
Approvals | KEMA, VDE, UL |
Extended technical data: | Use in switchgear installations with prospective short-circuit currents of more than 50 kArms |
– Max. prospective short-circuit current | 100 kArms (220 kApeak) |
Part No. 951305 DV M TNC 255 FM
GTIN 4013364108141, Customs tariff No. (EU): 85363090, Gross weight: 1020.00 g, PU: 1.00 pc(s)
PredecessorTechnical data
SPD according to EN 61643-11 / IEC 61643-11 | type 1 + type 2 / class I + class II |
Lightning impulse current (10/350 µs) [L1+L2+L3-PEN] (Itotal ) | 75 kA |
Lightning impulse current (10/350 µs) [L-PEN] (Iimp ) | 25 kA |
Voltage protection level (UP ) | ≤ 1.5 kV |
Max. backup fuse (L) up to IK = 50 kArms | 315 A gG |
Approvals | KEMA, VDE, UL |
Type of remote signalling contact | changeover contact |
Extended technical data: | Use in switchgear installations with prospective short-circuit currents of more than 50 kArms |
– Max. prospective short-circuit current | 100 kArms (220 kApeak) |
Part No. 951400 DV M TNS 255
GTIN 4013364108158, Customs tariff No. (EU): 85363090, Gross weight: 1.40 kg, PU: 1.00 pc(s)
PredecessorTechnical data
SPD according to EN 61643-11 / IEC 61643-11 | type 1 + type 2 / class I + class II |
Lightning impulse current (10/350 µs) [L1+L2+L3+N-PE] (Itotal ) | 100 kA |
Lightning impulse current (10/350 µs) [L, N-PE] (Iimp ) | 25 kA |
Voltage protection level [L-PE]/[N-PE] (UP ) | ≤ 1.5 / ≤ 1.5 kV |
Max. backup fuse (L) up to IK = 50 kArms | 315 A gG |
Approvals | KEMA, VDE, UL |
Extended technical data: | Use in switchgear installations with prospective short-circuit currents of more than 50 kArms |
– Max. prospective short-circuit current | 100 kArms (220 kApeak) |
Part No. 951405 DV M TNS 255 FM
GTIN 4013364108165, Customs tariff No. (EU): 85363090, Gross weight: 1.40 kg, PU: 1.00 pc(s)
PredecessorTechnical data
SPD according to EN 61643-11 / IEC 61643-11 | type 1 + type 2 / class I + class II |
Lightning impulse current (10/350 µs) [L1+L2+L3+N-PE] (Itotal ) | 100 kA |
Lightning impulse current (10/350 µs) [L, N-PE] (Iimp ) | 25 kA |
Voltage protection level [L-PE]/[N-PE] (UP ) | ≤ 1.5 / ≤ 1.5 kV |
Max. backup fuse (L) up to IK = 50 kArms | 315 A gG |
Approvals | KEMA, VDE, UL |
Type of remote signalling contact | changeover contact |
Extended technical data: | Use in switchgear installations with prospective short-circuit currents of more than 50 kArms |
– Max. prospective short-circuit current | 100 kArms (220 kApeak) |
Part No. 951310 DV M TT 255
GTIN 4013364108172, Customs tariff No. (EU): 85363090, Gross weight: 1.31 kg, PU: 1.00 pc(s)
PredecessorTechnical data
SPD according to EN 61643-11 / IEC 61643-11 | type 1 + type 2 / class I + class II |
Lightning impulse current (10/350 µs) [L1+L2+L3+N-PE] (Itotal ) | 100 kA |
Lightning impulse current (10/350 µs) [L-N]/[N-PE] (Iimp ) | 25 / 100 kA |
Voltage protection level [L-N]/[N-PE] (UP ) | ≤ 1.5 / ≤ 1.5 kV |
Max. backup fuse (L) up to IK = 50 kArms | 315 A gG |
Approvals | KEMA, VDE, UL |
Extended technical data: | Use in switchgear installations with prospective short-circuit currents of more than 50 kArms |
– Max. prospective short-circuit current | 100 kArms (220 kApeak) |
Supplementary data: | --------------------------------- |
– Voltage protection level [L-PE] (UP ) | 2.2 kV |
Part No. 951315 DV M TT 255 FM
GTIN 4013364108189, Customs tariff No. (EU): 85363090, Gross weight: 1.32 kg, PU: 1.00 pc(s)
PredecessorTechnical data
SPD according to EN 61643-11 / IEC 61643-11 | type 1 + type 2 / class I + class II |
Lightning impulse current (10/350 µs) [L1+L2+L3+N-PE] (Itotal ) | 100 kA |
Lightning impulse current (10/350 µs) [L-N]/[N-PE] (Iimp ) | 25 / 100 kA |
Voltage protection level [L-N]/[N-PE] (UP ) | ≤ 1.5 / ≤ 1.5 kV |
Max. backup fuse (L) up to IK = 50 kArms | 315 A gG |
Approvals | KEMA, VDE, UL |
Type of remote signalling contact | changeover contact |
Extended technical data: | Use in switchgear installations with prospective short-circuit currents of more than 50 kArms |
– Max. prospective short-circuit current | 100 kArms (220 kApeak) |
Supplementary data: | --------------------------------- |
– Voltage protection level [L-PE] (UP ) | 2.2 kV |
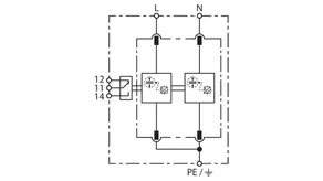
Part No. 951200 DV M TN 255
GTIN 4013364108097, Customs tariff No. (EU): 85363090, Gross weight: 754.00 g, PU: 1.00 pc(s)
PredecessorTechnical data
SPD according to EN 61643-11 / IEC 61643-11 | type 1 + type 2 / class I + class II |
Lightning impulse current (10/350 µs) [L+N-PE] (Itotal ) | 50 kA |
Lightning impulse current (10/350 µs) [L, N-PE] (Iimp ) | 25 kA |
Voltage protection level [L-PE]/[N-PE] (UP ) | ≤ 1.5 / ≤ 1.5 kV |
Max. backup fuse (L) up to IK = 50 kArms | 315 A gG |
Approvals | KEMA, VDE, UL |
Extended technical data: | Use in switchgear installations with prospective short-circuit currents of more than 50 kArms |
– Max. prospective short-circuit current | 100 kArms (220 kApeak) |
Part No. 951205 DV M TN 255 FM
GTIN 4013364108103, Customs tariff No. (EU): 85363090, Gross weight: 698.50 g, PU: 1.00 pc(s)
PredecessorTechnical data
SPD according to EN 61643-11 / IEC 61643-11 | type 1 + type 2 / class I + class II |
Lightning impulse current (10/350 µs) [L+N-PE] (Itotal ) | 50 kA |
Lightning impulse current (10/350 µs) [L, N-PE] (Iimp ) | 25 kA |
Voltage protection level [L-PE]/[N-PE] (UP ) | ≤ 1.5 / ≤ 1.5 kV |
Max. backup fuse (L) up to IK = 50 kArms | 315 A gG |
Approvals | KEMA, VDE, UL |
Type of remote signalling contact | changeover contact |
Extended technical data: | Use in switchgear installations with prospective short-circuit currents of more than 50 kArms |
– Max. prospective short-circuit current | 100 kArms (220 kApeak) |
Part No. 951110 DV M TT 2P 255
GTIN 4013364108110, Customs tariff No. (EU): 85363090, Gross weight: 688.59 g, PU: 1.00 pc(s)
PredecessorTechnical data
SPD according to EN 61643-11 / IEC 61643-11 | type 1 + type 2 / class I + class II |
Lightning impulse current (10/350 µs) [L+N-PE] (Itotal ) | 50 kA |
Lightning impulse current (10/350 µs) [L-N]/[N-PE] (Iimp ) | 25 / 50 kA |
Voltage protection level [L-N]/[N-PE] (UP ) | ≤ 1.5 / ≤ 1.5 kV |
Max. backup fuse (L) up to IK = 50 kArms | 315 A gG |
Approvals | KEMA, VDE, UL |
Extended technical data: | Use in switchgear installations with prospective short-circuit currents of more than 50 kArms |
– Max. prospective short-circuit current | 100 kArms (220 kApeak) |
Supplementary data: | --------------------------------- |
– Voltage protection level [L-PE] (UP ) | 2.2 kV |
Part No. 951115 DV M TT 2P 255 FM
GTIN 4013364108127, Customs tariff No. (EU): 85363090, Gross weight: 694.38 g, PU: 1.00 pc(s)
PredecessorTechnical data
SPD according to EN 61643-11 / IEC 61643-11 | type 1 + type 2 / class I + class II |
Lightning impulse current (10/350 µs) [L+N-PE] (Itotal ) | 50 kA |
Lightning impulse current (10/350 µs) [L-N]/[N-PE] (Iimp ) | 25 / 50 kA |
Voltage protection level [L-N]/[N-PE] (UP ) | ≤ 1.5 / ≤ 1.5 kV |
Max. backup fuse (L) up to IK = 50 kArms | 315 A gG |
Approvals | KEMA, VDE, UL |
Type of remote signalling contact | changeover contact |
Extended technical data: | Use in switchgear installations with prospective short-circuit currents of more than 50 kArms |
– Max. prospective short-circuit current | 100 kArms (220 kApeak) |
Supplementary data: | --------------------------------- |
– Voltage protection level [L-PE] (UP ) | 2.2 kV |
Part No. 961305 DV ACI M TNC 264 FM
GTIN 4013364513440, Customs tariff No. (EU): 85363090, Gross weight: 2.42 kg, PU: 1.00 pc(s)
Technical data
SPD as per EN 61673-11 / IEC 61643-11 | type 1 + type 2 + type 3 / class I + class II + class III |
Lightning impulse current (10/350 µs) [L1+L2+L3-PEN] (Itotal ) | 75 kA |
Lightning impulse current (10/350 µs) [L-PEN] (Iimp ) | 25 kA |
Voltage protection level (UP ) | ≤ 1,5 kV |
Extended technical data: | Use in switchgear installations with prospective short-circuit currents of more than 50 kArms |
– Max. prospective short-circuit current | 100 kAeff (220 kApeak) |
Part No. 961405 DV ACI M TNS 264 FM
GTIN 4013364513365, Customs tariff No. (EU): 85363090, Gross weight: 2.42 kg, PU: 1.00 pc(s)
Technical data
SPD as per EN 61673-11 / IEC 61643-11 | type 1 + type 2 + type 3 / class I + class II + class III |
Lightning impulse current (10/350 µs) [L1+L2+L3+N-PE] (Itotal ) | 100 kA |
Lightning impulse current (10/350 µs) [L, N-PE] (Iimp ) | 25 kA |
Voltage protection level [L-PE]/[N-PE] (UP ) | ≤ 1,5 kV |
Extended technical data: | Use in switchgear installations with prospective short-circuit currents of more than 50 kArms |
– Max. prospective short-circuit current | 100 kAeff (220 kApeak) |
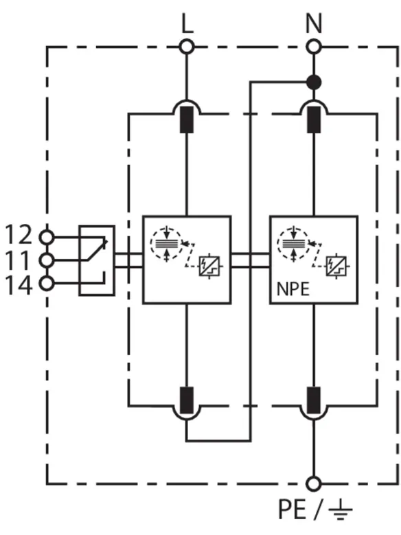
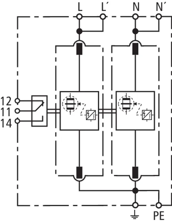
DEHNventil M2 880 FM
Kit consisting of pluggable lightning and surge arresters, including insulated module wiring bar for use in inverter systems with active anti-PID with maximum DC offset of 750 V DC. Wiring of the earthing systems in accordance with IEC 60364-4-44, Table 44.A1 – RE and Z as well as RE and RA connected.
1 Product
Part No. 961151 DV M2 880 FM
GTIN 4013364532557, Customs tariff No. (EU): 85363090, Gross weight: 1.07 kg, PU: 1.00 pc(s)
Technical data
SPD according to EN 61643-11 / IEC 61643-11 | type 1 + type 2 / class I + class II |
Lightning impulse current (10/350 µs) [1,2-3] (Iimp ) | 12.5 kA |
Max. backup fuse (L) up to IK = 50 kArms | 160 A gG |
Type of remote signalling contact | yes / changeover contact |
Supplementary data: | --------------------------------- |
– Anti-PID voltage (U1-3 + UPID ) | 508 VAC + 750 VDC – withstand |