Your dashboard services.
Register to access all tools.

Your dashboard services.
Register to access all tools.

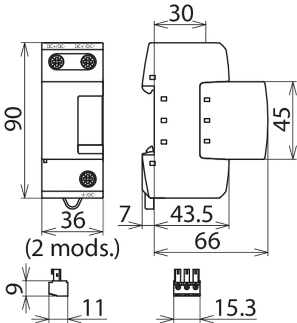
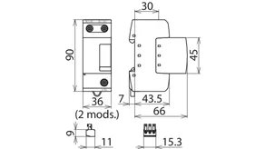
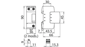
DEHNsecure modular

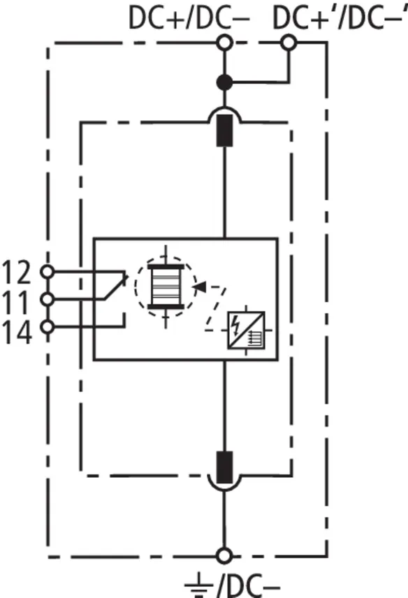
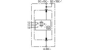
  • Coordinated spark-gap-based lightning current arrester consisting of a base part and a plug-in protection module
  • Spark gap technology particularly suited for use in d.c. circuits
  • High lightning current discharge capacity of 25 kA (10/350 µs)
  • Directly coordinated with DEHNguard SE DC ... surge protective devices
  • Low voltage protection level
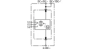
  • Operating state / fault indication by green / red indicator flag in the inspection window
  • Easy replacement of protection modules due to module locking system with module release button

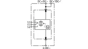
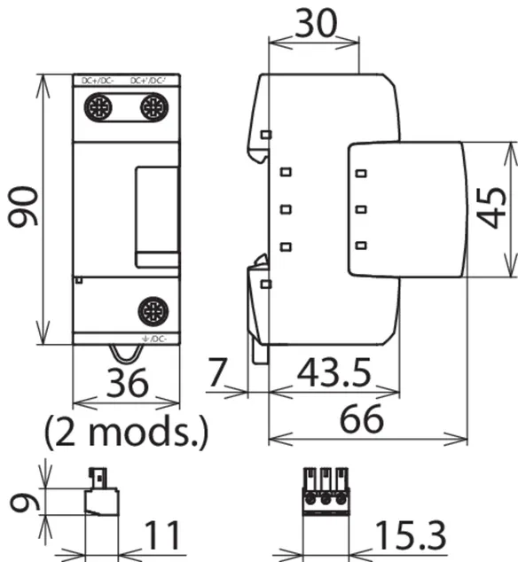
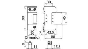
DEHNsecure M 1 ...

Coordinated and modular single-pole lightning current arrester for d.c. applications.

3 Products

Part No. 971121 DSE M 1 60

GTIN 4013364138582, Customs tariff No. (EU): 85363090, Gross weight: 300.00 g, PU: 1.00 pc(s)


Images

Additional information

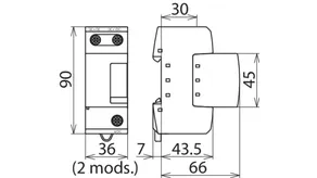
Coordinated DEHNsecure M 1 60 lightning current arrester
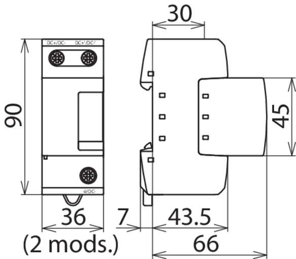
Modular, pluggable and coordinated single-pole
lightning current arrester, width: 2 mod.
for d.c. applications
Type 1 SPD according to EN 61643-11
Spark gap technology ideally suited for use in d.c. circuits
Fault indication
Max. continuous operating voltage: 60 V a.c.
Voltage protection level: <= 1.5 kV
Lightning impulse current (10/350 µs): 25 kA
Short-circuit strength (d.c.): 25 kA
Energy-coordinated according to IEC 62305-4 with
arresters of the Red/Line series

Brand: DEHN
Type: DSE M 1 60
Part No.: 971121
or equivalent.

Certificates

 

Wave breaker function

In the case of spark-gap-based type 1 arresters, the entire current flows through the type 1 arrester during the discharge process. Like a wave breaker, the incoming energy is greatly broken down, which significantly relieves the downstream SPDs. All type 1 arresters in the Red/Line product range feature the WBF wave breaker function.

Technical data

SPD classification according to EN 61643-11 / IEC 61643-11 type 1 / class I
Max. continuous operating voltage (d.c.) (UC ) 60 V
Lightning impulse current (10/350 µs) (Iimp ) 25 kA
Voltage protection level (UP ) ≤ 1.5 kV
Max. mains-side overcurrent protection 250 A gG
Approvals UL
Extended technical data: when used in safety lighting systems

Product 971121 was added to Notepad.

Product 971121 was added to the cart.

Part No. 971120 DSE M 1 220

GTIN 4013364133631, Customs tariff No. (EU): 85363090, Gross weight: 268.20 g, PU: 1.00 pc(s)


Images

Additional information

Coordinated DEHNsecure M 1 220 lightning current arrester
Modular, pluggable and coordinated single-pole
lightning current arrester, width: 2 mod.
for d.c. applications
Type 1 SPD according to EN 61643-11
Spark gap technology ideally suited for use in d.c. circuits
Fault indication
Max. continuous operating voltage: 220 V a.c.
Voltage protection level: <= 2.5 kV
Lightning impulse current (10/350 µs): 25 kA
Short-circuit strength (d.c.): 25 kA
Energy-coordinated according to IEC 62305-4
with arresters of the Red/Line series

Brand: DEHN
Type: DSE M 1 220
Part No.: 971120
or equivalent.

Certificates

 

Wave breaker function

In the case of spark-gap-based type 1 arresters, the entire current flows through the type 1 arrester during the discharge process. Like a wave breaker, the incoming energy is greatly broken down, which significantly relieves the downstream SPDs. All type 1 arresters in the Red/Line product range feature the WBF wave breaker function.

Technical data

SPD classification according to EN 61643-11 / IEC 61643-11 type 1 / class I
Max. continuous operating voltage (d.c.) (UC ) 220 V
Lightning impulse current (10/350 µs) (Iimp ) 25 kA
Voltage protection level (UP ) ≤ 2.5 kV
Max. mains-side overcurrent protection 250 A gG
Extended technical data: when used in safety lighting systems

Product 971120 was added to Notepad.

Product 971120 was added to the cart.

Part No. 971122 DSE M 1 242

GTIN 4013364144477, Customs tariff No. (EU): 85363090, Gross weight: 273.70 g, PU: 1.00 pc(s)


Images

Additional information

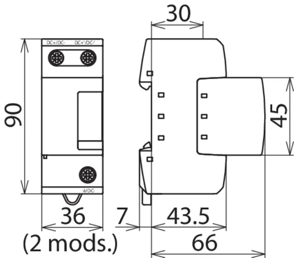
Coordinated DEHNsecure M 1 242 lightning current arrester
Modular, pluggable and coordinated single-pole
lightning current arrester, width: 2 mod.
for d.c. applications
Type 1 SPD according to EN 61643-11
Spark gap technology ideally suited for use in d.c. circuits
Fault indication
Max. continuous operating voltage: 242 V a.c.
Voltage protection level: <= 2.5 kV
Lightning impulse current (10/350 µs): 25 kA
Short-circuit strength (d.c.): 25 kA
Energy-coordinated according to IEC 62305-4
with arresters of the Red/Line series

Brand: DEHN
Type: DSE M 1 242
Part No.: 971122
or equivalent.

Certificates

 

Wave breaker function

In the case of spark-gap-based type 1 arresters, the entire current flows through the type 1 arrester during the discharge process. Like a wave breaker, the incoming energy is greatly broken down, which significantly relieves the downstream SPDs. All type 1 arresters in the Red/Line product range feature the WBF wave breaker function.

Technical data

SPD classification according to EN 61643-11 / IEC 61643-11 type 1 / class I
Max. continuous operating voltage (d.c.) (UC ) 242 V
Lightning impulse current (10/350 µs) (Iimp ) 25 kA
Voltage protection level (UP ) ≤ 2.5 kV
Max. mains-side overcurrent protection 250 A gG
Extended technical data: when used in safety lighting systems
– Max. continuous operating voltage (AC) (UC ) 255 V

Product 971122 was added to Notepad.

Product 971122 was added to the cart.


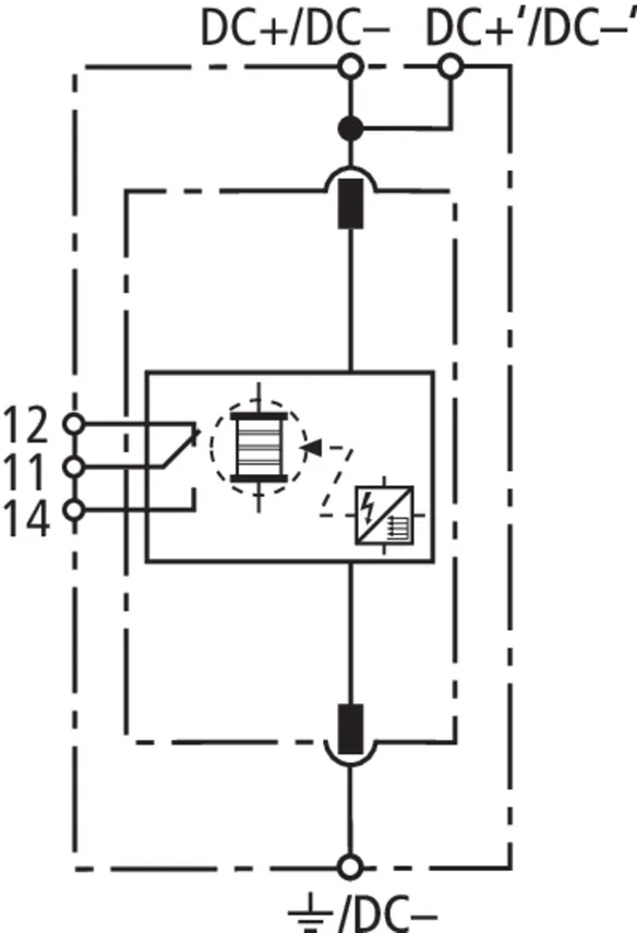
DEHNsecure M 1 ... FM

Coordinated and modular single-pole lightning current arrester for d.c. applications; with remote signalling contact for monitoring device (floating changeover contact).

3 Products

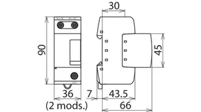
Part No. 971126 DSE M 1 60 FM

GTIN 4013364138599, Customs tariff No. (EU): 85363090, Gross weight: 304.00 g, PU: 1.00 pc(s)


Images

Additional information

Coordinated DEHNsecure M 1 60 FM lightning current arrester
Modular, pluggable and coordinated single-pole
lightning current arrester, width: 2 mod.
for d.c. applications
With remote signalling contact
Type 1 SPD according to EN 61643-11
Spark gap technology ideally suited for use in d.c. circuits
Fault indication
Max. continuous operating voltage: 60 V a.c.
Voltage protection level: <=1.5 kV
Lightning impulse current (10/350 µs): 25 kA
Short-circuit strength (d.c.): 25 kA
Energy-coordinated according to IEC 62305-4
with arresters of the Red/Line series

Brand: DEHN
Type: DSE M 1 60 FM
Part No.: 971126
or equivalent.

Certificates

 

Wave breaker function

In the case of spark-gap-based type 1 arresters, the entire current flows through the type 1 arrester during the discharge process. Like a wave breaker, the incoming energy is greatly broken down, which significantly relieves the downstream SPDs. All type 1 arresters in the Red/Line product range feature the WBF wave breaker function.

Technical data

SPD classification according to EN 61643-11 / IEC 61643-11 type 1 / class I
Max. continuous operating voltage (d.c.) (UC ) 60 V
Lightning impulse current (10/350 µs) (Iimp ) 25 kA
Voltage protection level (UP ) ≤ 1.5 kV
Max. mains-side overcurrent protection 250 A gG
Approvals UL
Type of remote signalling contact changeover contact
Extended technical data: when used in safety lighting systems

Product 971126 was added to Notepad.

Product 971126 was added to the cart.

Part No. 971125 DSE M 1 220 FM

GTIN 4013364133648, Customs tariff No. (EU): 85363090, Gross weight: 241.90 g, PU: 1.00 pc(s)


Images

Additional information

Coordinated DEHNsecure M 1 220 FM lightning current arrester
Modular, pluggable and coordinated single-pole
lightning current arrester, width: 2 mod.
for d.c. applications
With remote signalling contact
Type 1 SPD according to EN 61643-11
Spark gap technology ideally suited for use in d.c. circuits
Fault indication
Max. continuous operating voltage: 220 V a.c.
Voltage protection level: <=2.5 kV
Lightning impulse current (10/350 µs): 25 kA
Short-circuit strength (d.c.): 25 kA
Energy-coordinated according to IEC 62305-4
with arresters of the Red/Line series

Brand: DEHN
Type: DSE M 1 220 FM
Part No.: 971125
or equivalent.

Certificates

 

Wave breaker function

In the case of spark-gap-based type 1 arresters, the entire current flows through the type 1 arrester during the discharge process. Like a wave breaker, the incoming energy is greatly broken down, which significantly relieves the downstream SPDs. All type 1 arresters in the Red/Line product range feature the WBF wave breaker function.

Technical data

SPD classification according to EN 61643-11 / IEC 61643-11 type 1 / class I
Max. continuous operating voltage (d.c.) (UC ) 220 V
Lightning impulse current (10/350 µs) (Iimp ) 25 kA
Voltage protection level (UP ) ≤ 2.5 kV
Max. mains-side overcurrent protection 250 A gG
Type of remote signalling contact changeover contact
Extended technical data: when used in safety lighting systems

Product 971125 was added to Notepad.

Product 971125 was added to the cart.

Part No. 971127 DSE M 1 242 FM

GTIN 4013364144484, Customs tariff No. (EU): 85363090, Gross weight: 269.50 g, PU: 1.00 pc(s)


Images

Additional information

Coordinated DEHNsecure M 1 242 FM lightning current arrester
Modular, pluggable and coordinated single-pole
lightning current arrester, width: 2 mod.
for d.c. applications
With remote signalling contact
Type 1 SPD according to EN 61643-11
Spark gap technology ideally suited for use in d.c. circuits
Fault indication
Max. continuous operating voltage: 242 V a.c.
Voltage protection level: <=2.5 kV
Lightning impulse current (10/350 µs): 25 kA
Short-circuit strength (d.c.): 25 kA
Energy-coordinated according to IEC 62305-4
with arresters of the Red/Line series

Brand: DEHN
Type: DSE M 1 242 FM
Part No.: 971127
or equivalent.

Certificates

 

Wave breaker function

In the case of spark-gap-based type 1 arresters, the entire current flows through the type 1 arrester during the discharge process. Like a wave breaker, the incoming energy is greatly broken down, which significantly relieves the downstream SPDs. All type 1 arresters in the Red/Line product range feature the WBF wave breaker function.

Technical data

SPD classification according to EN 61643-11 / IEC 61643-11 type 1 / class I
Max. continuous operating voltage (d.c.) (UC ) 242 V
Lightning impulse current (10/350 µs) (Iimp ) 25 kA
Voltage protection level (UP ) ≤ 2.5 kV
Max. mains-side overcurrent protection 250 A gG
Type of remote signalling contact changeover contact
Extended technical data: when used in safety lighting systems
– Max. continuous operating voltage (AC) (UC ) 255 V

Product 971127 was added to Notepad.

Product 971127 was added to the cart.


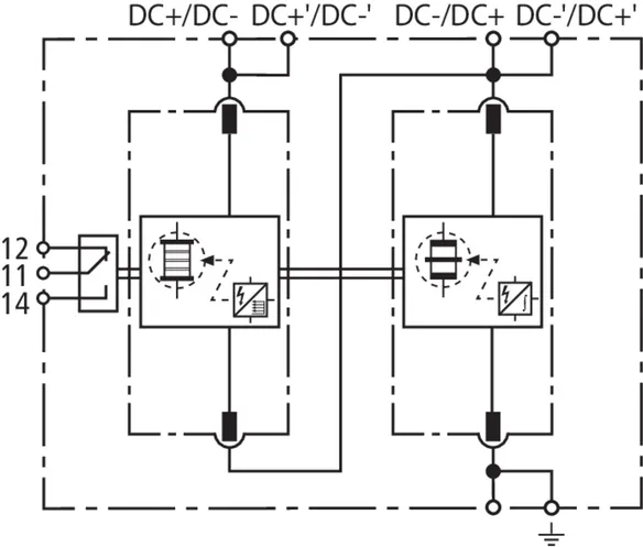
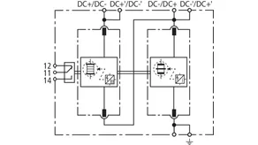
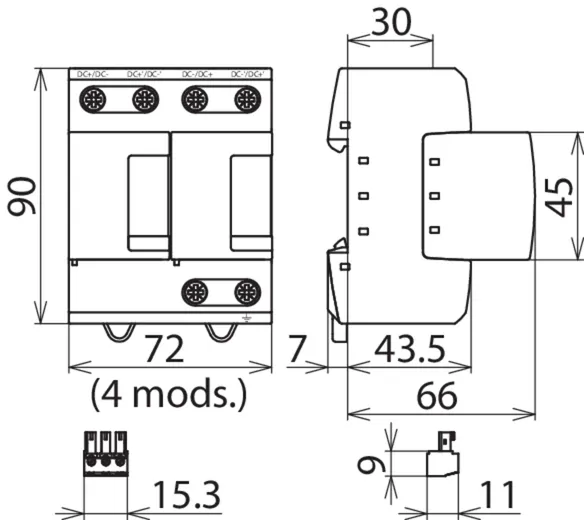
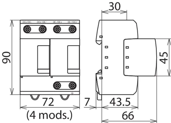
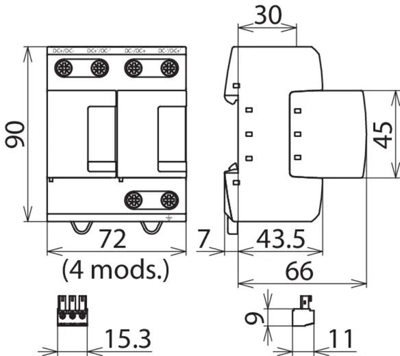
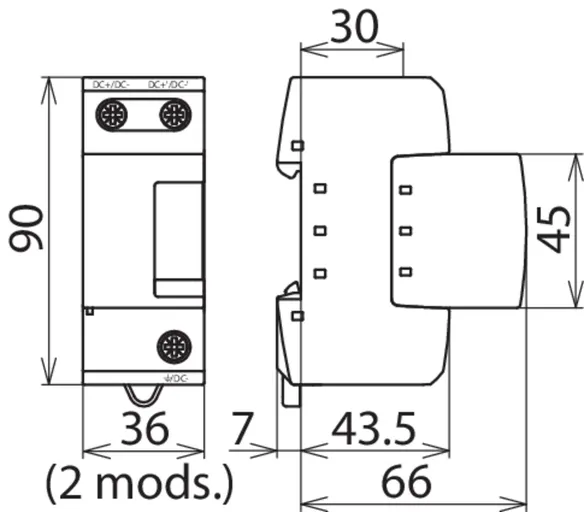
DEHNsecure M 2P ... (FM)

Coordinated and modular two-pole lightning current arrester for d.c. applications up to 60 V (1+1 configuration); FM version with floating remote signalling contact.

2 Products

Part No. 971221 DSE M 2P 60

GTIN 4013364138612, Customs tariff No. (EU): 85363090, Gross weight: 638.00 g, PU: 1.00 pc(s)


Images

Additional information

Coordinated DEHNsecure M 2P 60 lightning current arrester
Modular, pluggable and coordinated two-pole
lightning current arrester, width: 4 mod.
for d.c. applications
Type 1 SPD according to EN 61643-11
Spark gap technology ideally suited for use in d.c. circuits
Fault indication
Max. continuous operating voltage: 60 V a.c.
Voltage protection level: <=1.5 kV
Lightning impulse current (10/350 µs): 50 kA
Short-circuit strength (d.c.): 25 kA
Energy-coordinated according to IEC 62305-4
with arresters of the Red/Line series

Brand: DEHN
Type: DSE M 2P 60
Part No.: 971221
or equivalent.

Certificates

 

Wave breaker function

In the case of spark-gap-based type 1 arresters, the entire current flows through the type 1 arrester during the discharge process. Like a wave breaker, the incoming energy is greatly broken down, which significantly relieves the downstream SPDs. All type 1 arresters in the Red/Line product range feature the WBF wave breaker function.

Technical data

SPD classification according to EN 61643-11 / IEC 61643-11 type 1 / class I
Max. continuous operating voltage (d.c.) (UC ) 60 V
Lightning impulse current (10/350 µs) (DC+/DC- -> DC-/DC+) / (DC-/DC+ -> 9) (Iimp ) 25 / 50 kA
Voltage protection level (DC+/DC- -> DC-/DC+) / (DC-/DC+ -> 9) (UP ) ≤ 1.5 / ≤ 1.5 kV
Max. mains-side overcurrent protection 250 A gG
Approvals UL

Product 971221 was added to Notepad.

Product 971221 was added to the cart.

Part No. 971226 DSE M 2P 60 FM

GTIN 4013364138629, Customs tariff No. (EU): 85363090, Gross weight: 675.00 g, PU: 1.00 pc(s)


Images

Additional information

Coordinated DEHNsecure M 2P 60 FM lightning current arrester
Modular, pluggable and coordinated two-pole lightning
current arresters, width: 4 mod.
for d.c. applications
with remote signalling contact
Type 1 SPD in accordance with EN 61643-11
Spark gap technology particularly suitable for use
in d.c. circuits
Fault indication
Max. continuous operating voltage: 60 V d.c.
Voltage protection level: <= 1.5 kV
Lightning impulse current (10/350): 50 kA
Short-circuit strength (d.c.): 25 kA
Energy-coordinated according to IEC 62305-4
with arresters of the Red/Line series

Brand: DEHN
Type: DSE M 2P 60 FM
Part No.: 971226
or equivalent.

Certificates

 

Wave breaker function

In the case of spark-gap-based type 1 arresters, the entire current flows through the type 1 arrester during the discharge process. Like a wave breaker, the incoming energy is greatly broken down, which significantly relieves the downstream SPDs. All type 1 arresters in the Red/Line product range feature the WBF wave breaker function.

Technical data

SPD classification according to EN 61643-11 / IEC 61643-11 type 1 / class I
Max. continuous operating voltage (d.c.) (UC ) 60 V
Lightning impulse current (10/350 µs) (DC+/DC- -> DC-/DC+) / (DC-/DC+ -> 9) (Iimp ) 25 / 50 kA
Voltage protection level (DC+/DC- -> DC-/DC+) / (DC-/DC+ -> 9) (UP ) ≤ 1.5 / ≤ 1.5 kV
Max. mains-side overcurrent protection 250 A gG
Approvals UL
Type of remote signalling contact changeover contact

Product 971226 was added to Notepad.

Product 971226 was added to the cart.


DEHNsecure NG 2P 60 FM

Coordinated and modular two-pole lightning current arrester for DC applications up to 60 V (1+1 configuration); FM version with floating remote signalling contact.

1 Product

Part No. 971222 DSE NG 2P 60 FM

GTIN 4013364489523, Customs tariff No. (EU): 85363090, Gross weight: 507.00 g, PU: 1.00 pc(s)


Images

Additional information

Coordinated lightning current arrester DEHNsecure NG 2P 60 FM
Two-pole, modular, pluggable
and coordinated lightning current arrester
for DC applications, width of 4 DIN modules
with remote signalling contact
Type 1 arrester as per EN 61643-11
Spark gap technology ideally suited for use in DC
circuits
Fault indication
Max. continuous operating voltage: 60 V DC
Voltage protection level: <= 1,5 kV
Lightning impulse current (10/350): 50 kA
DC short-circuit strength: 10 kA
Energy coordination according to DIN EN 62305-4
Arrester of the Red/Line series

Brand: DEHN
Type: DSE NG 2P 60 FM
Part No.: 971222
or equivalent.

 

Wave breaker function

In the case of spark-gap-based type 1 arresters, the entire current flows through the type 1 arrester during the discharge process. Like a wave breaker, the incoming energy is greatly broken down, which significantly relieves the downstream SPDs. All type 1 arresters in the Red/Line product range feature the WBF wave breaker function.

Technical data

SPD classification according to EN 61643-11 / IEC 61643-11 type 1 / class I
Max. continuous operating voltage (d.c.) (UC ) 60 V
Lightning impulse current (10/350 µs) (DC+/DC- -> DC-/DC+) / (DC-/DC+ -> 9) (Iimp ) 25 / 50 kA
Voltage protection level (DC+/DC- -> DC-/DC+) / (DC-/DC+ -> 9) (UP ) ≤ 1.5 / ≤ 1.5 kV
Max. mains-side overcurrent protection 250 A gG
Type of remote signalling contact changeover contact

Product 971222 was added to Notepad.

Product 971222 was added to the cart.


back to top