Your dashboard services.
Register to access all tools.

Your dashboard services.
Register to access all tools.

DEHNcord

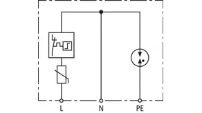
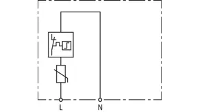
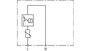
  • Single-pole, two-pole or three-pole surge protective device with monitoring system and disconnector
  • Visual fault indication
  • Types with disconnection of the load circuit in the event of a fault and protection of the control phase
  • Compact design also for outdoor use
  • Can be fitted in junction boxes, flush-mounted systems, cable ducts and flush-type boxes

Details

lorem ipsum

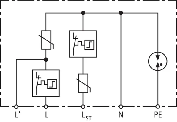
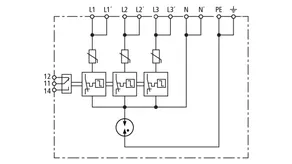
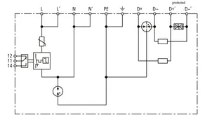
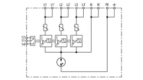
DEHNcord 3P TT 275 FM

Compact three-phase arrester for TT and TN-S systems.

1 Product

Part No. 900439 DCOR 3P TT 275 FM

GTIN 4013364436053, Customs tariff No. (EU): 85363030, Gross weight: 129.38 g, PU: 1.00 pc(s)


Images

Additional information

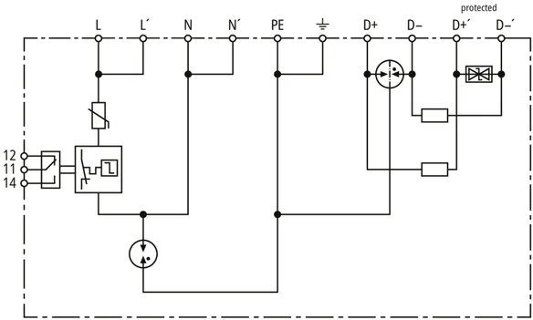
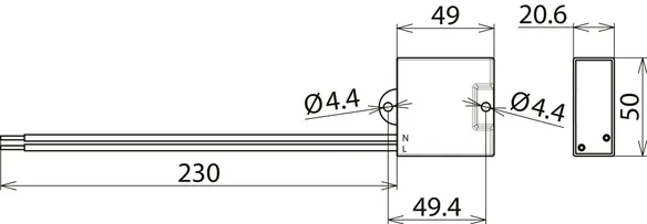
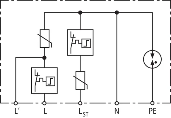
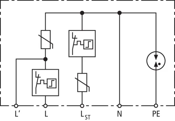
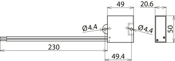
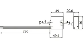
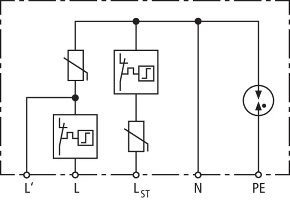
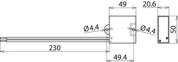
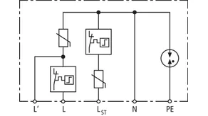
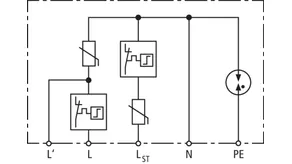
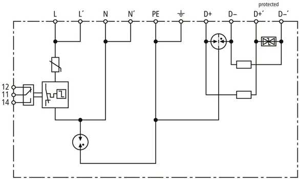
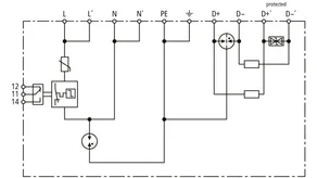
DEHNcord 3P TT 275 FM surge arrester
Multipole type 2 + type 3 surge arrester according to EN 61643-11
for use in installation systems
with remote signalling contact, operating state/fault indication
mounted on DIN rails or using screw lugs
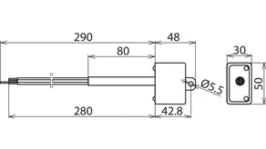
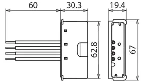
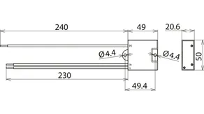
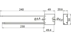
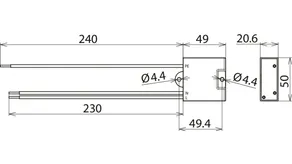
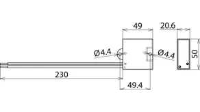
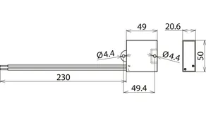
Compact dimensions: 94 x 39.5 x 36 mm
Max. continuous operating voltage: 275 V a.c.
Max. continuous operating voltage: 350 V a.c.
Voltage protection level: <= 1.5 kV
Nominal discharge current (8/20): 10 kA
Total discharge current (8/20): 40 kA
Follow current extinguishing capability [N-PE]: 100 A rms
Max. mains-side overcurrent protection: 25 A gG (series connection) / 40 A gG (parallel connection)
Max. load current (a.c.): 25 A
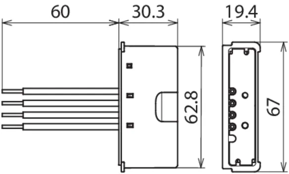
Conductor connection: Push-in
Energy coordination with arresters
of the Red/Line series according to EN 62305-4

Brand: DEHN
Type: DCOR 3P TT 275 FM
Part No.: 900439
or equivalent.

Certificates

 

Technical data

SPD according to EN 61643-11 / IEC 61643-11 type 2 + type 3 / class II + class III
Max. continuous operating voltage (a.c.) [L-N] (UC ) 275 V (50 / 60 Hz)
Max. continuous operating voltage (d.c.) (UC ) 350 V
Nominal discharge current (8/20 µs) [L-N] (In ) 10 kA
Max. discharge current (8/20 µs) [L-N] (Imax ) 20 kA
Nominal discharge current (8/20 µs) [N-PE] (In ) 10 kA
Max. discharge current (8/20 µs) [N-PE] (Imax ) 40 kA
Voltage protection level [L-N] (UP ) ≤ 1.5 kV
Voltage protection level [N-PE] (UP ) ≤ 1.5 kV
Approvals KEMA

Product 900439 was added to Notepad.

Product 900439 was added to the cart.


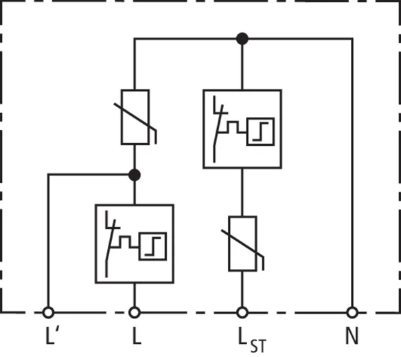
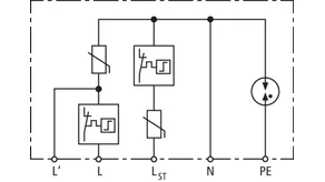
DEHNcord 1P 275 D FM

Single-phase, compact arrester for TT systems with integrated protective circuit for DALI interface.

1 Product

Part No. 900438 DCOR 1P 275 D FM

GTIN 4013364526891, Customs tariff No. (EU): 85363030, Gross weight: 86.27 g, PU: 1.00 pc(s)


Images

Additional information

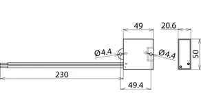
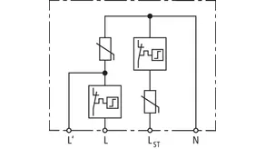
DEHNcord 1P 275 D FM surge arrester
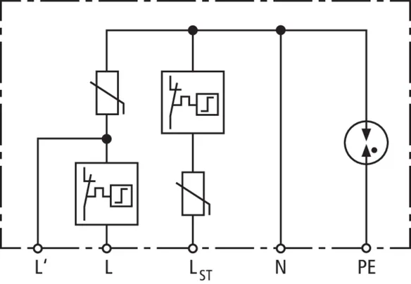
Single-phase surge arrester
DEHNcord according to EN 61643-11
and EN 61643-21 with integrated
protective circuit for communication interface
for use in installation systems
with remote signalling contact, operating state/fault indication
Installed either on a DIN rail or using screw lugs
Compact dimensions: 94 x 39.5 x 36 mm
Technical values (power side):
Max. continuous operating voltage: 275 V AC
Voltage protection level: <= 1.5 kV
Nominal discharge current (8/20) 10 kA
Follow current extinguishing capability [N-PE]: 100 A rms
Max. mains-side overcurrent protection:
25 A gG in series / 40 A gG in parallel
Max. load current 25 A
Technical values (signal side):
Max. continuous operating voltage: 28 V DC
Voltage protection level line-line for In C2: ≤ 50 V
C2 nominal discharge current (8/20 µs) per line: 5 kA
Nominal current at 45°C: 0.3 A
Conductor connection: Push-in
Energy coordination according to DIN EN 62305-4
with arresters of the Red/Line series

Brand: DEHN
Type: DCOR 1P 275 D FM
Part No.: 900438
or equivalent.

Certificates

 

Technical data

Technical data
SPD according to EN 61643-11 / IEC 61643-11 type 2 + type 3 / class II + class III
Max. continuous operating voltage (a.c.) [L-N] (UC ) 275 V (50 / 60 Hz)
Max. continuous operating voltage (d.c.) (UC ) 350 V
Nominal discharge current (8/20 µs) [L-N] (In ) 10 kA
Max. discharge current (8/20 µs) [L-N] (Imax ) 20 kA
Nominal discharge current (8/20 µs) [N-PE] (In ) 10 kA
Max. discharge current (8/20 µs) [N-PE] (Imax ) 40 kA
Voltage protection level [L-N] (UP ) ≤ 1.5 kV
Voltage protection level [N-PE] (UP ) ≤ 1.5 kV
Approvals KEMA
Signal-side technical data
SPD class U
Nominal voltage DC (UN ) 24 V
Max. continuous operating voltage (DC) (UC ) 28 V
C2 Total nominal discharge current (8/20 µs) (In ) 10 kA
Series impedance per line 1.8 ohms
Cut-off frequency line-line (100 ohms) (fG ) 10 MHz

Product 900438 was added to Notepad.

Product 900438 was added to the cart.


DEHNcord L 2P

Two-pole surge arrester for all installation systems (1+1 configuration) and luminaires of protection class I; compact design.

2 Products

Part No. 900430 DCOR L 2P 275

GTIN 4013364157286, Customs tariff No. (EU): 85363030, Gross weight: 73.00 g, PU: 1.00 pc(s)


Images

Additional information

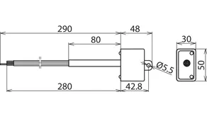
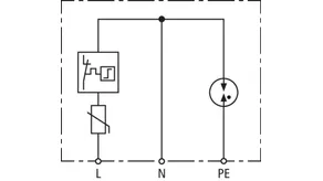
DEHNcord L 2P 275 surge arrester
Two-pole surge arrester for all 230 V installation
systems
Type 2 SPD according to EN 61643-11
For use in cable duct systems, flush-mounted
systems and flush-type boxes
Fault indication
Max. continuous operating voltage: 275 V a.c.
Voltage protection level: <= 1.5 kV
Nominal discharge current: 5 kA
Total discharge current: 20 kA
Max. mains-side overcurrent protection: 25 A gG
or B/C 16 A
Energy-coordinated according to IEC 62305-4
with arresters of the Red/Line series

Brand: DEHN
Type: DCOR L 2P 275
Part No.: 900430
or equivalent.

Certificates

 

Technical data

SPD according to EN 61643-11 / IEC 61643-11 type 2 / class II
Max. continuous operating voltage (a.c.) [L-N] (UC ) 275 V (50 / 60 Hz)
Nominal discharge current (8/20 µs) (In ) 5 kA
Max. discharge current (8/20 µs) (Imax ) 10 kA
Voltage protection level [L-N] (UP ) ≤ 1.5 kV
Voltage protection level [N-PE] (UP ) ≤ 1.5 kV
Max. mains-side overcurrent protection 25 A gG
Approvals KEMA

Product 900430 was added to Notepad.

Product 900430 was added to the cart.

Part No. 900432 DCOR L 2P 320

GTIN 4013364157309, Customs tariff No. (EU): 85363030, Gross weight: 74.00 g, PU: 1.00 pc(s)


Images

Additional information

DEHNcord L 2P 320 surge arrester
Two-pole surge arrester for all 230/277 V installation
systems
Type 2 SPD according to EN 61643-11
For use in cable duct systems, flush-mounted
systems and flush-type boxes
Fault indication
Max. continuous operating voltage: 320 V a.c.
Voltage protection level: <= 1.75 kV
Nominal discharge current: 5 kA
Total discharge current: 20 kA
Max. mains-side overcurrent protection: 25 A gG
or B/C 16 A
Energy-coordinated according to IEC 62305-4
with arresters of the Red/Line series

Brand: DEHN
Type: DCOR L 2P 320
Part No.: 900432
or equivalent.

Certificates

 

Technical data

SPD according to EN 61643-11 / IEC 61643-11 type 2 / class II
Max. continuous operating voltage (a.c.) [L-N] (UC ) 320 V (50 / 60 Hz)
Nominal discharge current (8/20 µs) (In ) 5 kA
Max. discharge current (8/20 µs) (Imax ) 10 kA
Voltage protection level [L-N] (UP ) ≤ 1.75 kV
Voltage protection level [N-PE] (UP ) ≤ 1.5 kV
Max. mains-side overcurrent protection 25 A gG
Approvals KEMA

Product 900432 was added to Notepad.

Product 900432 was added to the cart.


DEHNcord L 1P

Single-pole surge arrester for luminaires of protection class II; compact design.

2 Products

Part No. 900431 DCOR L 1P 275

GTIN 4013364310827, Customs tariff No. (EU): 85363030, Gross weight: 60.00 g, PU: 1.00 pc(s)


Images

Additional information

DEHNcord L 1P 275 surge arrester
Single-pole surge arrester for all 230 V installation
systems
Type 2 SPD according to EN 61643-11
For use in cable duct systems, flush-mounted
systems and flush-type boxes
Fault indication
Max. continuous operating voltage: 275 V a.c.
Voltage protection level: <= 1.5 kV
Nominal discharge current: 5 kA
Max. mains-side overcurrent protection: 25 A gG
or B/C 16 A
Energy-coordinated according to IEC 62305-4
with arresters of the Red/Line series

Brand: DEHN
Type: DCOR L 1P 275
Part No.: 900431
or equivalent.

Certificates

 

Technical data

SPD according to EN 61643-11 / IEC 61643-11 type 2 / class II
Max. continuous operating voltage (a.c.) [L-N] (UC ) 275 V (50 / 60 Hz)
Nominal discharge current (8/20 µs) (In ) 5 kA
Max. discharge current (8/20 µs) (Imax ) 10 kA
Voltage protection level [L-N] (UP ) ≤ 1.5 kV
Max. mains-side overcurrent protection 25 A gG
Approvals KEMA

Product 900431 was added to Notepad.

Product 900431 was added to the cart.

Part No. 900433 DCOR L 1P 320

GTIN 4013364157316, Customs tariff No. (EU): 85363030, Gross weight: 61.00 g, PU: 1.00 pc(s)


Images

Additional information

DEHNcord L 1P 320 surge arrester
Single-pole surge arrester for all 230/277 V installation
systems
Type 2 SPD according to EN 61643-11
For use in cable duct systems, flush-mounted
systems and flush-type boxes
Fault indication
Max. continuous operating voltage: 320 V a.c.
Voltage protection level: <= 1.75 kV
Nominal discharge current: 5 kA
Max. mains-side overcurrent protection: 25 A gG
or B/C 16 A
Energy-coordinated according to IEC 62305-4
with arresters of the Red/Line series

Brand: DEHN
Type: DCOR L 1P 320
Part No.: 900433
or equivalent.

Certificates

 

Technical data

SPD according to EN 61643-11 / IEC 61643-11 type 2 / class II
Max. continuous operating voltage (a.c.) [L-N] (UC ) 320 V (50 / 60 Hz)
Nominal discharge current (8/20 µs) (In ) 5 kA
Max. discharge current (8/20 µs) (Imax ) 10 kA
Voltage protection level [L-N] (UP ) ≤ 1.75 kV
Max. mains-side overcurrent protection 25 A gG
Approvals KEMA

Product 900433 was added to Notepad.

Product 900433 was added to the cart.


DEHNcord L 2P SN1864

Surge arrester for luminaires of protection class II; compact design. With disconnection in the event of a fault.

1 Product

Part No. 999906 DCOR L 2P SN1864

GTIN 4013364310926, Customs tariff No. (EU): 85363030, Gross weight: 70.50 g, PU: 1.00 pc(s)


Images

Additional information

Surge arrester DEHNcord L 2P SN1864
Multi-pole surge arrester Type 2 according to EN 61643-11
for use in cable junction boxes.
With protection of the control phase
Disconnection of the light in case of fault and
integrated visual fault indication
for supply voltage
Max. continuous operating voltage: 275 V ac
Voltage protection level: <= 1.5 kV
Nominal discharge current (8/20): 5 kA
Total discharge current: 20 kA
Max. mains-side overcurrent
protection: 16 A gG
Max. load current AC: 10 A
Energy coordination acc. to DIN EN 62305-4
with arresters of the Red/Line family

Brand: DEHN
Type: DCOR L 2P SN1864
Part No.: 999906
or equivalent.

Certificates

 

Technical data

SPD according to EN 61643-11 / IEC 61643-11 type 2 / class II
Max. continuous operating voltage (a.c.) [L-N] (UC ) 275 V (50 / 60 Hz)
Nominal discharge current (8/20 µs) (In ) 5 kA
Max. discharge current (8/20 µs) (Imax ) 10 kA
Voltage protection level [L-N] (UP ) ≤ 1.5 kV
Max. mains-side overcurrent protection B 16 A

Product 999906 was added to Notepad.

Product 999906 was added to the cart.


DEHNcord L 2P SN1860

Surge arrester for all installation systems; compact design. With disconnection of the load circuit in the event of a fault.

1 Product

Part No. 999937 DCOR L 2P SN1860

GTIN 4013364303195, Customs tariff No. (EU): 85363030, Gross weight: 86.00 g, PU: 1.00 pc(s)


Images

Additional information

DEHNcord L 2P SN1860 surge arrester
Multipole type 2 surge arrester according to EN 61643-11
with cables for installation in junction boxes.
LED can be disconnected in case of a fault
Integrated visual fault indication for the supply voltage
Max. continuous operating voltage: 275 V a.c.
Voltage protection level: <= 1.5 kV
Nominal discharge current (8/20): 5 kA
Summary discharge current: 20 kA
Follow current extinguishing capability [N-PE]: 100 A rms
Max. mains-side overcurrent protection: 16 A gG
Max. load current (a.c.): 10 A
Energy coordination with arresters
of the Red/Line series according to EN 62305-4

Brand: DEHN
Type: DCOR L 2P SN1860
Part No.: 999937
or equivalent.

Certificates

 

Technical data

SPD according to EN 61643-11 / IEC 61643-11 type 2 / class II
Max. continuous operating voltage (a.c.) [L-N] (UC ) 275 V (50 / 60 Hz)
Nominal discharge current (8/20 µs) (In ) 5 kA
Max. discharge current (8/20 µs) (Imax ) 10 kA
Voltage protection level [L-N] (UP ) ≤ 1.5 kV
Voltage protection level [N-PE] (UP ) ≤ 1.5 kV
Max. mains-side overcurrent protection B 16 A

Product 999937 was added to Notepad.

Product 999937 was added to the cart.


DEHNcord L 2P 275 SO LTG

Surge arrester for all installation systems; compact design. With disconnection of the load circuit in the event of a fault.

1 Product

Part No. 900446 DCOR L 2P 275 SO LTG

GTIN 4013364292970, Customs tariff No. (EU): 85363030, Gross weight: 62.50 g, PU: 1.00 pc(s)


Images

Additional information

DEHNcord L 2P 275 SO LTG surge arrester
Multipole type 2 surge arrester according to EN 61643-11
with cables for installation in junction boxes.
LED can be disconnected in case of a fault
Integrated visual fault indication for the supply voltage
Max. continuous operating voltage: 275 V a.c.
Voltage protection level: <= 1.5 kV
Nominal discharge current (8/20): 5 kA
Summary discharge current: 20 kA
Follow current extinguishing capability [N-PE]: 100 A rms
Max. mains-side overcurrent protection: 16 A gG
Max. load current (a.c.): 10 A
Energy coordination with arresters
of the Red/Line series according to EN 62305-4

Brand: DEHN
Type: DCOR L 2P 275 SO LTG
Part No.: 900446
or equivalent.

Certificates

 

Technical data

SPD according to EN 61643-11 / IEC 61643-11 type 2 / class II
Max. continuous operating voltage (a.c.) [L-N] (UC ) 275 V (50 / 60 Hz)
Nominal discharge current (8/20 µs) (In ) 5 kA
Max. discharge current (8/20 µs) (Imax ) 10 kA
Voltage protection level [L-N] (UP ) ≤ 1.5 kV
Voltage protection level [N-PE] (UP ) ≤ 1.5 kV
Max. mains-side overcurrent protection B 16 A
Approvals KEMA

Product 900446 was added to Notepad.

Product 900446 was added to the cart.


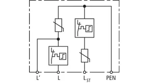
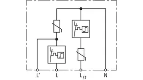
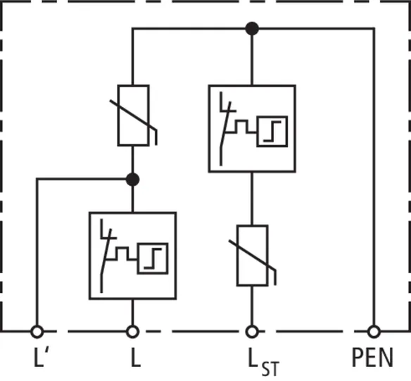
DEHNcord L 3P 275 SO LTG

Three-pole surge arrester for all installation systems; compact design. With disconnection of the load circuit in the event of a fault and protection of the control phase.

1 Product

Part No. 900445 DCOR L 3P 275 SO LTG

GTIN 4013364280380, Customs tariff No. (EU): 85363030, Gross weight: 71.50 g, PU: 1.00 pc(s)


Images

Additional information

DEHNcord L 3P 275 SO LTG surge arrester
Multipole type 2 surge arrester according to EN 61643-11
for installation in junction boxes.
Protection of the control phase
LED can be disconnected in case of a fault
Integrated separate visual fault indication for the supply voltage and control phase
Max. continuous operating voltage: 275 V a.c.
Voltage protection level: <= 1.5 kV
Nominal discharge current (8/20): 5 kA
Total discharge current (8/20): 20 kA
Follow current extinguishing capability [N-PE]: 100 A rms
Max. mains-side overcurrent protection: 16 A gG
Max. load current (a.c.): 10 A
Energy coordination with arresters
of the Red/Line series according to EN 62305-4

Brand: DEHN
Type: DCOR L 3P 275 SO LTG
Part No.: 900445
or equivalent.

Certificates

 

Technical data

SPD according to EN 61643-11 / IEC 61643-11 type 2 / class II
Max. continuous operating voltage (a.c.) [L-N] (UC ) 275 V (50 / 60 Hz)
Nominal discharge current (8/20 µs) (In ) 5 kA
Max. discharge current (8/20 µs) (Imax ) 10 kA
Voltage protection level [L-N] (UP ) ≤ 1.5 kV
Voltage protection level [N-PE] (UP ) ≤ 1.5 kV
Max. mains-side overcurrent protection B 16 A
Approvals KEMA

Product 900445 was added to Notepad.

Product 900445 was added to the cart.


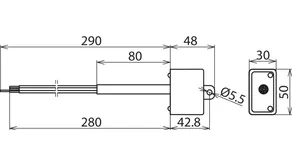
SK EK480 G2S-2d LM DCOR

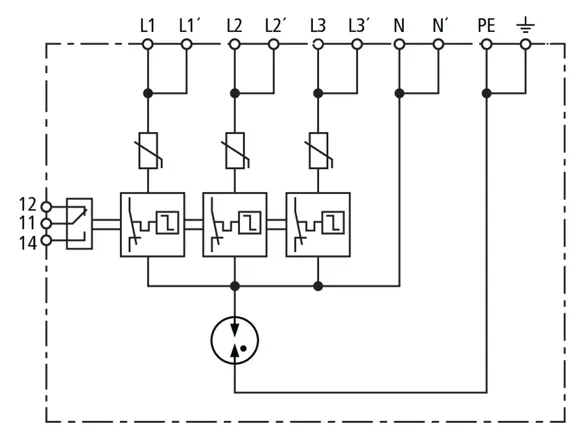
The EK480 fuse box is a high-quality product from Langmatz which stands out for its excellent workmanship and tried and tested features. The EK480 series meets all mechanical and electrical requirements and standards. This ensures the effective protection of luminaires with high-quality electronics against surges resulting from switching operations or nearby lightning strikes.

1 Product

Part No. 900443 SK EK480 G2S-2d LM DCOR

GTIN 4013364394322, Customs tariff No. (EU): 85362010, Gross weight: 788.00 g, PU: 20.00 pc(s)


Images

Additional information

EK480 fuse box with surge arrester
DEHNcord L 3P 275 SO LTG
for protecting LED masts
Protection of the control phase
LED can be disconnected in case of a fault
Integrated separate visual fault indication for the supply voltage and control phase
Max. continuous operating voltage: 275 V a.c.
Voltage protection level: <= 1.5 kV
Nominal discharge current (8/20): 5 kA
Total discharge current (8/20): 20 kA
Follow current extinguishing capability [N-PE]: 100 A rms
Max. mains-side overcurrent protection: 16 A gG
Max. load current (a.c.): 10 A
Energy coordination with arresters
of the Red/Line series according to EN 62305-4

Brand: DEHN
Type: SK EK480 G2S-2d LM DCOR
Part No.: 900443
or equivalent.

Certificates

 

Technical data

Data of fuse box
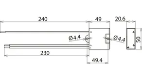
Dimensions 276 x 81 x 70 mm
For masts with an inside diameter from 89 mm
Clamping technology incoming: sliding clamp technology / outgoing: spring clamp technology
Max. cross-section of connectable cable 1 - 3 cables (4 or 5 x 16 mm2)
Outgoing terminals max. 2.5 mm2
Data of DEHNcord L 3P 275 SO LTG surge protective device
SPD according to EN 61643-11 / IEC 61643-11 type 2 / class II
Max. continuous operating a.c. voltage [L-N] (UC ) 275 V (50 / 60 Hz)
Nominal discharge current (8/20 µs) (In ) 5 kA
Max. discharge current (8/20 µs) (Imax ) 10 kA
Voltage protection level [L-N] (UP ) ≤ 1.5 kV
Voltage protection level [N-PE] (UP ) ≤ 1.5 kV
Max. mains-side overcurrent protection B 16 A

Product 900443 was added to Notepad.

Product 900443 was added to the cart.


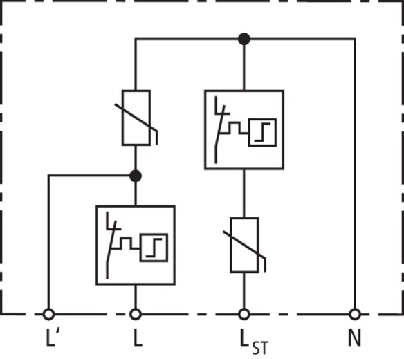
DEHNcord L 2P 275 SO LT

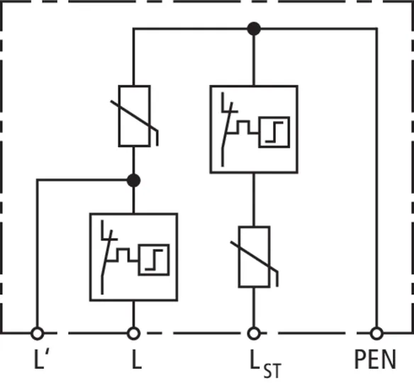
Two-pole surge arrester for TNC systems; compact design. With disconnection of the load circuit in the event of a fault and protection of the control phase.

1 Product

Part No. 900435 DCOR L 2P 275 SO LT

GTIN 4013364292963, Customs tariff No. (EU): 85363030, Gross weight: 70.00 g, PU: 1.00 pc(s)


Images

Additional information

DEHNcord L 2P 275 SO LT surge arrester
Multipole type 2 surge arrester according to EN 61643-11
with cables for installation in junction boxes.
Protection of the control phase
LED can be disconnected in case of a fault
Integrated visual fault indication for the supply voltage
Max. continuous operating voltage: 275 V a.c.
Voltage protection level: <= 1.5 kV
Nominal discharge current (8/20): 5 kA
Summary discharge current: 20 kA
Max. mains-side overcurrent protection: 16 A gG
Max. load current (a.c.): 10 A
Energy coordination with arresters
of the Red/Line series according to EN 62305-4

Brand: DEHN
Type: DCOR L 2P 275 SO LT
Part No.: 900435
or equivalent.

Certificates

 

Technical data

SPD according to EN 61643-11 / IEC 61643-11 type 2 / class II
Max. continuous operating voltage (a.c.) [L-PEN] (UC ) 275 V (50 / 60 Hz)
Nominal discharge current (8/20 µs) (In ) 5 kA
Max. discharge current (8/20 µs) (Imax ) 10 kA
Voltage protection level [L-PEN] (UP ) ≤ 1.5 kV
Max. mains-side overcurrent protection B 16 A
Approvals KEMA

Product 900435 was added to Notepad.

Product 900435 was added to the cart.


DEHNcord L 3P 275 SO IP

Three-pole surge arrester for all installation systems; compact design. IP 65 degree of protection. With disconnection of the load circuit in the event of a fault and protection of the control phase.

1 Product

Part No. 900447 DCOR L 3P 275 SO IP

GTIN 4013364282216, Customs tariff No. (EU): 85363030, Gross weight: 146.60 g, PU: 1.00 pc(s)


Images

Additional information

DEHNcord L 2P 275 SO IP surge arrester
Multipole type 2 surge arrester according to EN 61643-11
with cables for outdoor installation
(IP65 degree of protection) e.g. on junction boxes.
With protection of the control phase
LED can be disconnected in case of a fault
Integrated visual fault indication for the
supply voltage and control phase
With fixing lug
Max. continuous operating voltage: 275 V a.c.
Voltage protection level: <= 1.5 kV
Nominal discharge current (8/20): 5 kA
Summary discharge current: 20 kA
Follow current extinguishing capability [N-PE]: 100 A rms
Max. mains-side overcurrent protection: 16 A gG
Max. load current (a.c.): 10 A
Energy coordination with arresters
of the Red/Line series according to EN 62305-4

Brand: DEHN
Type: DCOR L 3P 275 SO IP
Part No.: 900447
or equivalent.

Certificates

 

Technical data

SPD according to EN 61643-11 / IEC 61643-11 type 2 / class II
Max. continuous operating voltage (a.c.) [L-N] (UC ) 275 V (50 / 60 Hz)
Nominal discharge current (8/20 µs) (In ) 5 kA
Max. discharge current (8/20 µs) (Imax ) 10 kA
Voltage protection level [L-N] (UP ) ≤ 1.5 kV
Voltage protection level [N-PE] (UP ) ≤ 1.5 kV
Max. mains-side overcurrent protection B 16 A

Product 900447 was added to Notepad.

Product 900447 was added to the cart.


DEHNcord L 2P 275 SO IP

Two-pole arrester for all installation systems; compact design. IP 65 degree of protection. With disconnection of the load circuit in the event of a fault.

1 Product

Part No. 900448 DCOR L 2P 275 SO IP

GTIN 4013364293007, Customs tariff No. (EU): 85363030, Gross weight: 139.90 g, PU: 1.00 pc(s)


Images

Additional information

DEHNcord L 2P 275 SO IP surge arrester
Multipole type 2 surge arrester according to EN 61643-11
with cables for outdoor installation
(IP65 degree of protection) e.g. on junction boxes.
LED can be disconnected in case of a fault
Integrated visual fault indication for the supply voltage
With fixing lug
Max. continuous operating voltage: 275 V a.c.
Voltage protection level: <= 1.5 kV
Nominal discharge current (8/20): 5 kA
Summary discharge current: 20 kA
Follow current extinguishing capability [N-PE]: 100 A rms
Max. mains-side overcurrent protection: 16 A gG
Max. load current (a.c.): 10 A
Energy coordination with arresters
of the Red/Line series according to EN 62305-4

Brand: DEHN
Type: DCOR L 2P 275 SO IP
Part No.: 900448
or equivalent.

Certificates

 

Technical data

SPD according to EN 61643-11 / IEC 61643-11 type 2 / class II
Max. continuous operating voltage (a.c.) [L-N] (UC ) 275 V (50 / 60 Hz)
Nominal discharge current (8/20 µs) (In ) 5 kA
Max. discharge current (8/20 µs) (Imax ) 10 kA
Voltage protection level [L-N] (UP ) ≤ 1.5 kV
Voltage protection level [N-PE] (UP ) ≤ 1.5 kV
Max. mains-side overcurrent protection B 16 A

Product 900448 was added to Notepad.

Product 900448 was added to the cart.


DEHNcord R 3P

Surge arrester for electric Venetian blinds; compact design.

1 Product

Part No. 900449 DCOR R 3P 275

GTIN 4013364320031, Customs tariff No. (EU): 85363030, Gross weight: 151.00 g, PU: 1.00 pc(s)


Images

Additional information

DEHNcord R 3P 275 surge arrester
Multipole type 2 surge arrester according to EN 61643-11
for outdoor installation (degree of protection IP54)
for protecting electric sun blinds/blinds or Venetian blinds
Interruption of the load circuit in the event of a fault
For downstream operation
Acoustic fault indication for both protective paths
Max. continuous operating voltage: 275 V a.c.
Voltage protection level: <= 1.5 kV
Nominal discharge current (8/20): 2.5 kA
Total discharge current (8/20) [L+N-PE]: 15 kA
Follow current extinguishing capability [N-PE]: 100 A rms
Nominal load current (a.c.): 10 A
Energy coordination according to IEC/EN 62305-4
with arresters of the Red/Line series

Brand: DEHN
Type: DCOR R 3P 275
Part No.: 900449
or equivalent.

Certificates

 

Technical data

SPD according to EN 61643-11 / IEC 61643-11 type 2 / class II
Max. continuous operating voltage (a.c.) [L-N] (UC ) 275 V (50 / 60 Hz)
Nominal discharge current (8/20 µs) (In ) 2.5 kA
Max. discharge current (8/20 µs) (Imax ) 5 kA
Voltage protection level [L-N] (UP ) ≤ 1.5 kV
Connector Hirschmann STAK 3 / STAS 3

Product 900449 was added to Notepad.

Product 900449 was added to the cart.


back to top