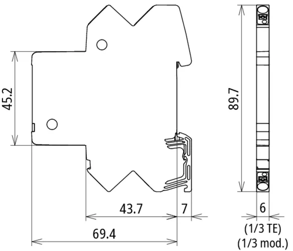
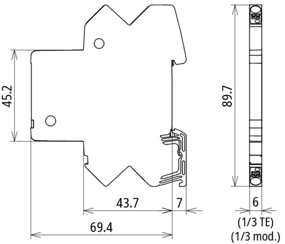
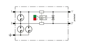
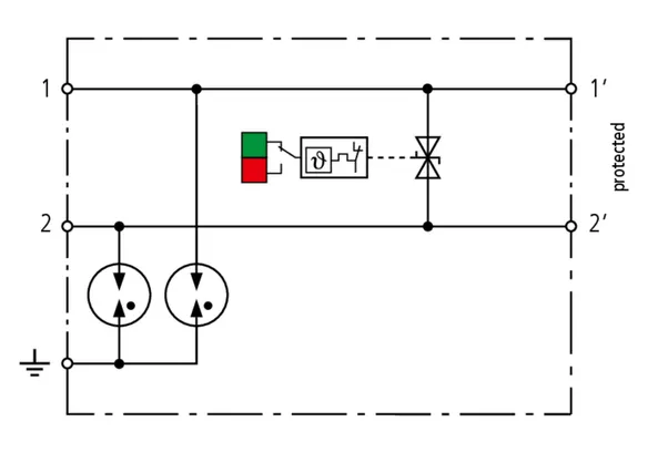
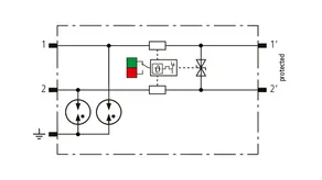
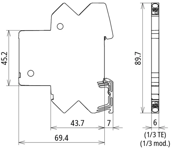
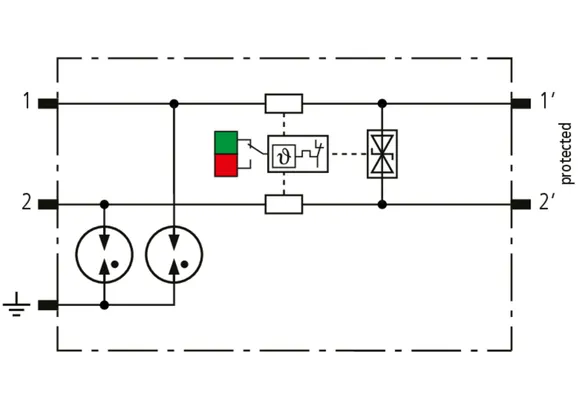
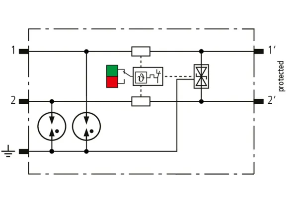
BLITZDUCTORconnect – Compact
:quality(98)/www.dehn.us/store/f/62531141/HDVORSCHAU/927224a0004_16-9.jpg)
:quality(98)/www.dehn.us/store/f/62531141/HDVORSCHAU/927224a0004_16-9.jpg)
- For protecting data bus interfaces as well as measuring and control circuits
- High discharge capacity of 3 kA (10/350 µs), 10 kA (8/20 µs)
- Max. impulse current carrying capability (8/20 µs) Imax up to 20 kA
- Low voltage protection level, also capable of protecting terminal equipment
- Fast and simple cable connection thanks to push-in connection technology
- High system availability thanks to fail-safe performance
- LifeCheck and visual status indication integrated in the module
- Simple remote signalling of the status with the help of an optional remote signalling unit
- Vibration and shock-tested for safe operation
Details
:quality(98)/www.dehn.us/store/f/62531144/HDVORSCHAU/927910a0004.jpg)
Simple status message with monitoring unit for arrester groups
:quality(98)/www.dehn.us/store/f/62531144/HDVORSCHAU/927910a0004.jpg)
:quality(98)/www.dehn.us/store/f/62531143/HDVORSCHAU/927910a0003.jpg)
Push-in connection technology for simple and fast cable connection
:quality(98)/www.dehn.us/store/f/62531143/HDVORSCHAU/927910a0003.jpg)
:quality(98)/www.dehn.us/store/f/62531142/HDVORSCHAU/927924a1_Detail_1.jpg)
Integrated indication for easy and fast maintenance
:quality(98)/www.dehn.us/store/f/62531142/HDVORSCHAU/927924a1_Detail_1.jpg)
:quality(98)/www.dehn.us/store/f/62531145/HDVORSCHAU/927984a1_Detail_4.jpg)
Approvals for use in intrinsically safe measuring circuits
:quality(98)/www.dehn.us/store/f/62531145/HDVORSCHAU/927984a1_Detail_4.jpg)
Part No. 927910 BCO CL2 B 180
GTIN 4013364411739, Customs tariff No. (EU): 85363010, Gross weight: 57.86 g, PU: 1.00 pc(s)
Technical data
Standards | |
Certification | UL |
UL Standard | UL 497b |
UL File Number | E156818 |
Test values according to UL 497b | |
Type (SPD classification) | BCO CL2 B 180 |
Strike voltage Line to Ground 100 V/s min. | 260 V |
Strike voltage Line to Ground 100 V/s max. | 552 V |
Strike voltage Line to Line 100 V/s min. | 184 V |
Strike voltage Line to Line 100 V/s max. | 285 V |
SPD class | A |
Max. continuous operating voltage (d.c.) (UC ) | 180 V |
Nominal current (IL ) | 1.2 A |
D1 Lightning impulse current (10/350 µs) per line (Iimp ) | 1.5 kA |
C2 Total nominal discharge current (8/20 µs) (In ) | 10 kA |
Series resistance per line | 0 ohms |
Approvals | UL 497B, CSA, ATEX, IECEx, CCC, SIL |
*) For details, see: www.dehn-international.com |
Part No. 927922 BCO CL2 BE 12
GTIN 4013364411951, Customs tariff No. (EU): 85363010, Gross weight: 57.86 g, PU: 1.00 pc(s)
PredecessorTechnical data
Standards | |
Certification | UL |
UL Standard | UL 497b |
UL File Number | E156818 |
Test values according to UL 497b | |
Type (SPD classification) | BCO CL2 BE 12 |
Strike voltage Line to Ground 100 V/s min. | 33,4 V |
Strike voltage Line to Ground 100 V/s max. | 37 V |
Strike voltage Line to Line 100 V/s min. | 16,7 V |
Strike voltage Line to Line 100 V/s max. | 18,5 V |
SPD class | M |
Max. continuous operating voltage (d.c.) (UC ) | 15 V |
Nominal current at 70 °C (IL ) | 0.75 A |
D1 Lightning impulse current (10/350 µs) per line (Iimp ) | 1.5 kA |
C2 Total nominal discharge current (8/20 µs) (In ) | 10 kA |
Series resistance per line | 1 ohms |
Cut-off frequency line-line (fG ) | 1.4 MHz |
Approvals | UL 497B, CSA, ATEX, IECEx, CCC, SIL |
*) For details, see: www.dehn-international.com |
Part No. 927924 BCO CL2 BE 24
GTIN 4013364411968, Customs tariff No. (EU): 85363010, Gross weight: 57.86 g, PU: 1.00 pc(s)
PredecessorTechnical data
Standards | |
Certification | <TRANSLATION_PLACEHOLDER> |
UL Standard | <TRANSLATION_PLACEHOLDER> |
UL File Number | <TRANSLATION_PLACEHOLDER> |
Test values according to UL 497b | |
Type (SPD classification) | <TRANSLATION_PLACEHOLDER> |
Strike voltage Line to Ground 100 V/s min. | <TRANSLATION_PLACEHOLDER> V |
Strike voltage Line to Ground 100 V/s max. | <TRANSLATION_PLACEHOLDER> V |
Strike voltage Line to Line 100 V/s min. | <TRANSLATION_PLACEHOLDER> V |
Strike voltage Line to Line 100 V/s max. | <TRANSLATION_PLACEHOLDER> V |
SPD class | M |
Max. continuous operating voltage (d.c.) (UC ) | 33 V |
Nominal current at 70 °C (IL ) | 0.75 A |
D1 Lightning impulse current (10/350 µs) per line (Iimp ) | 1.5 kA |
C2 Total nominal discharge current (8/20 µs) (In ) | 10 kA |
Series resistance per line | 1 ohms |
Cut-off frequency line-line (fG ) | 3.4 MHz |
Approvals | UL 497B, CSA, ATEX, IECEx, CCC, SIL |
*) For details, see: www.dehn-international.com |
Part No. 927925 BCO CL2 BE 48
GTIN 4013364411975, Customs tariff No. (EU): 85363010, Gross weight: 57.86 g, PU: 1.00 pc(s)
PredecessorTechnical data
Standards | |
Certification | UL |
UL Standard | UL 497b |
UL File Number | E156818 |
Test values according to UL 497b | |
Type (SPD classification) | BCO CL2 BE 48 |
Strike voltage Line to Ground 100 V/s min. | 120 V |
Strike voltage Line to Ground 100 V/s max. | 132,6 V |
Strike voltage Line to Line 100 V/s min. | 60 V |
Strike voltage Line to Line 100 V/s max. | 66,3 V |
SPD class | M |
Max. continuous operating voltage (d.c.) (UC ) | 54 V |
Nominal current at 70 °C (IL ) | 0.75 A |
D1 Lightning impulse current (10/350 µs) per line (Iimp ) | 1.5 kA |
C2 Total nominal discharge current (8/20 µs) (In ) | 10 kA |
Series resistance per line | 1 ohms |
Cut-off frequency line-line (fG ) | 5 MHz |
Approvals | UL 497B, CSA, ATEX, IECEx, CCC, SIL |
*) For details, see: www.dehn-international.com |
Part No. 927942 BCO CL2 BD 12
GTIN 4013364411777, Customs tariff No. (EU): 85363010, Gross weight: 57.86 g, PU: 1.00 pc(s)
PredecessorTechnical data
Standards | |
Certification | UL |
UL Standard | UL 497b |
UL File Number | E156818 |
Test values according to UL 497b | |
Type (SPD classification) | BCO CL2 BD 12 |
Strike voltage Line to Ground 100 V/s min. | 16,7 V |
Strike voltage Line to Ground 100 V/s max. | 18,5 V |
Strike voltage Line to Line 100 V/s min. | 72 V |
Strike voltage Line to Line 100 V/s max. | 108 V |
SPD class | L |
Max. continuous operating voltage (d.c.) (UC ) | 15 V |
Nominal current at 70 °C (IL ) | 0.75 A |
D1 Lightning impulse current (10/350 µs) per line (Iimp ) | 1.5 kA |
C2 Total nominal discharge current (8/20 µs) (In ) | 10 kA |
Series resistance per line | 1 ohms |
Cut-off frequency line-line (fG ) | 2.6 MHz |
Approvals | UL 497B, CSA, ATEX, IECEx, CCC, SIL |
*) For details, see: www.dehn-international.com |
Part No. 927944 BCO CL2 BD 24
GTIN 4013364411784, Customs tariff No. (EU): 85363010, Gross weight: 57.86 g, PU: 1.00 pc(s)
PredecessorTechnical data
Standards | |
Certification | <TRANSLATION_PLACEHOLDER> |
UL Standard | <TRANSLATION_PLACEHOLDER> |
UL File Number | <TRANSLATION_PLACEHOLDER> |
Test values according to UL 497b | |
Type (SPD classification) | <TRANSLATION_PLACEHOLDER> |
Strike voltage Line to Ground 100 V/s min. | <TRANSLATION_PLACEHOLDER> V |
Strike voltage Line to Ground 100 V/s max. | <TRANSLATION_PLACEHOLDER> V |
Strike voltage Line to Line 100 V/s min. | <TRANSLATION_PLACEHOLDER> V |
Strike voltage Line to Line 100 V/s max. | <TRANSLATION_PLACEHOLDER> V |
SPD class | L |
Max. continuous operating voltage (d.c.) (UC ) | 36 V |
Nominal current at 70 °C (IL ) | 0.75 A |
D1 Lightning impulse current (10/350 µs) per line (Iimp ) | 1.5 kA |
C2 Total nominal discharge current (8/20 µs) (In ) | 10 kA |
Series resistance per line | 1 ohms |
Cut-off frequency line-line (fG ) | 5.8 MHz |
Approvals | UL 497B, CSA, ATEX, IECEx, CCC, SIL |
*) For details, see: www.dehn-international.com |
Part No. 927945 BCO CL2 BD 48
GTIN 4013364411807, Customs tariff No. (EU): 85363010, Gross weight: 57.86 g, PU: 1.00 pc(s)
PredecessorTechnical data
Standards | |
Certification | UL |
UL Standard | UL 497b |
UL File Number | E156818 |
Test values according to UL 497b | |
Type (SPD classification) | BCO CL2 BD 48 |
Strike voltage Line to Ground 100 V/s min. | 62,2 V |
Strike voltage Line to Ground 100 V/s max. | 68,8 V |
Strike voltage Line to Line 100 V/s min. | 72 V |
Strike voltage Line to Line 100 V/s max. | 108 V |
SPD class | L |
Max. continuous operating voltage (d.c.) (UC ) | 56 V |
Nominal current at 70 °C (IL ) | 0.75 A |
D1 Lightning impulse current (10/350 µs) per line (Iimp ) | 1.5 kA |
C2 Total nominal discharge current (8/20 µs) (In ) | 10 kA |
Series resistance per line | 1 ohms |
Cut-off frequency line-line (fG ) | 7.2 MHz |
Approvals | UL 497B, CSA, ATEX, IECEx, CCC, SIL |
*) For details, see: www.dehn-international.com |
Part No. 927970 BCO CL2 BE HF 5
GTIN 4013364411982, Customs tariff No. (EU): 85363010, Gross weight: 57.86 g, PU: 1.00 pc(s)
Technical data
Standards | |
Certification | UL |
UL Standard | UL 497b |
UL File Number | E156818 |
Test values according to UL 497b | |
Type (SPD classification) | BCO CL2 BE HF 5 |
Strike voltage Line to Ground 100 V/s min. | 20,6 V |
Strike voltage Line to Ground 100 V/s max. | 23,6 V |
Strike voltage Line to Line 100 V/s min. | 10,3 V |
Strike voltage Line to Line 100 V/s max. | 11,8 V |
SPD class | M |
Max. continuous operating voltage (d.c.) (UC ) | 8.5 V |
Nominal current at 70 °C (IL ) | 0.75 A |
D1 Lightning impulse current (10/350 µs) per line (Iimp ) | 1.5 kA |
C2 Total nominal discharge current (8/20 µs) (In ) | 10 kA |
Series resistance per line | 1 ohms |
Approvals | UL 497B, CSA, ATEX, IECEx, CCC, SIL |
*) For details, see: www.dehn-international.com |
Part No. 927971 BCO CL2 BD HF 5
GTIN 4013364411999, Customs tariff No. (EU): 85363010, Gross weight: 57.86 g, PU: 1.00 pc(s)
PredecessorTechnical data
Standards | |
Certification | UL |
UL Standard | UL 497b |
UL File Number | E156818 |
Test values according to UL 497b | |
Type (SPD classification) | BCO CL2 BD HF 5 |
Strike voltage Line to Ground 100 V/s min. | 10,3 V |
Strike voltage Line to Ground 100 V/s max. | 11,8 V |
Strike voltage Line to Line 100 V/s min. | 72 V |
Strike voltage Line to Line 100 V/s max. | 108 V |
SPD class | L |
Max. continuous operating voltage (d.c.) (UC ) | 8.5 V |
Nominal current at 70 °C (IL ) | 0.75 A |
D1 Lightning impulse current (10/350 µs) per line (Iimp ) | 1.5 kA |
C2 Total nominal discharge current (8/20 µs) (In ) | 10 kA |
Series resistance per line | 1 ohms |
Cut-off frequency line-line (fG ) | 100 MHz |
Approvals | UL 497B, CSA, ATEX, IECEx, CCC, SIL |
*) For details, see: www.dehn-international.com |
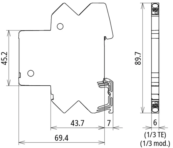
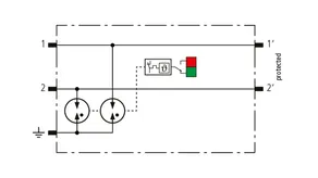
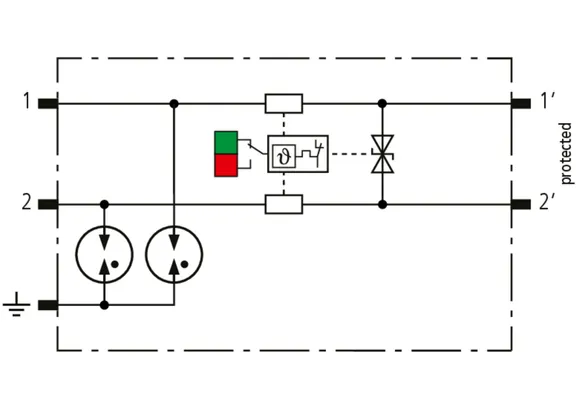
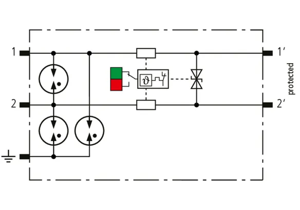
BCO CL2 E
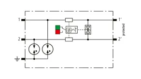
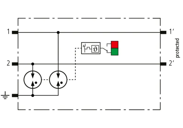
Space-saving, compact surge arrester with a width of 6 mm and push-in connection technology with status indication. Finely limiting, single-stage surge protection with powerful diodes for protecting two single cores sharing a common reference potential as well as unbalanced interfaces.
3 Products
Part No. 927987 BCO CL2 E 12
GTIN 4013364485754, Customs tariff No. (EU): 85363010, Gross weight: 55.94 g, PU: 1.00 pc(s)
PredecessorTechnical data
Test values according to UL 497b | |
Type (SPD classification) | BCO CL2 E 12 |
Strike voltage Line to Ground 100 V/s min. | 33,4 V |
Strike voltage Line to Ground 100 V/s max. | 37 V |
Strike voltage Line to Line 100 V/s min. | 16,7 V |
Strike voltage Line to Line 100 V/s max. | 18,5 V |
SPD class | W |
Max. continuous operating voltage (d.c.) (UC ) | 15 V |
Nominal current at 60 °C (IL ) | 10 A |
Nominal current at 80 °C (IL ) | 6 A |
C1 Total nominal discharge current (8/20 µs) (In ) | 3 kA |
Series resistance per line | 0 ohms |
Approvals | UL 497B, SIL |
*) For details, see: www.dehn-international.com | |
Standards | |
Certification | UL |
UL Standard | UL 497b |
UL File Number | E156818 |
Part No. 927988 BCO CL2 E 24
GTIN 4013364485747, Customs tariff No. (EU): 85363010, Gross weight: 56.04 g, PU: 1.00 pc(s)
PredecessorTechnical data
Test values according to UL 497b | |
Type (SPD classification) | BCO CL2 E 24 |
Strike voltage Line to Ground 100 V/s min. | 73,4 V |
Strike voltage Line to Ground 100 V/s max. | 84 V |
Strike voltage Line to Line 100 V/s min. | 36,7 V |
Strike voltage Line to Line 100 V/s max. | 42 V |
SPD class | W |
Max. continuous operating voltage (d.c.) (UC ) | 33 V |
Nominal current at 60 °C (IL ) | 10 A |
Nominal current at 80 °C (IL ) | 6 A |
C1 Total nominal discharge current (8/20 µs) (In ) | 1.2 kA |
Series resistance per line | 0 ohms |
Approvals | UL 497B, SIL |
*) For details, see: www.dehn-international.com | |
Standards | |
Certification | UL |
UL Standard | UL 497b |
UL File Number | E156818 |
Part No. 927989 BCO CL2 E 48
GTIN 4013364485761, Customs tariff No. (EU): 85363010, Gross weight: 36.58 g, PU: 1.00 pc(s)
PredecessorTechnical data
Test values according to UL 497b | |
Type (SPD classification) | BCO CL2 E 48 |
Strike voltage Line to Ground 100 V/s min. | 128,8 V |
Strike voltage Line to Ground 100 V/s max. | 142,4 V |
Strike voltage Line to Line 100 V/s min. | 64,4 V |
Strike voltage Line to Line 100 V/s max. | 71,2 V |
SPD class | W |
Max. continuous operating voltage (d.c.) (UC ) | 58 V |
Nominal current at 60 °C (IL ) | 10 A |
Nominal current at 80 °C (IL ) | 6 A |
C1 Total nominal discharge current (8/20 µs) (In ) | 0.8 kA |
Series resistance per line | 0 ohms |
Approvals | UL 497B, SIL |
*) For details, see: www.dehn-international.com | |
Standards | |
Certification | UL |
UL Standard | UL 497b |
UL File Number | E156818 |
Part No. 927954 BCO CL4 BC 24
GTIN 4013364485730, Customs tariff No. (EU): 85363010, Gross weight: 80.10 g, PU: 1.00 pc(s)
Technical data
SPD class | L |
Max. continuous operating voltage (d.c.) (UC ) | 36 V |
Nominal current at 80 °C (IL ) | 3 A |
D1 Lightning impulse current (10/350 µs) per line (Iimp ) | 2.5 kA |
C2 Total nominal discharge current (8/20 µs) (In ) | 20 kA |
Series resistance per line | 0 ohms |
Approvals | UL 497B, SIL |
*) For details, see: www.dehn-international.com |
Part No. 927408 BCO CL2 BD HC10A 24
GTIN 4013364463653, Customs tariff No. (EU): 85363010, Gross weight: 68.30 g, PU: 1.00 pc(s)
PredecessorTechnical data
Standards | |
Certification | <TRANSLATION_PLACEHOLDER> |
UL Standard | <TRANSLATION_PLACEHOLDER> |
UL File Number | <TRANSLATION_PLACEHOLDER> |
Test values according to UL 497b | |
Type (SPD classification) | <TRANSLATION_PLACEHOLDER> |
Strike voltage Line to Ground 100 V/s min. | <TRANSLATION_PLACEHOLDER> V |
Strike voltage Line to Ground 100 V/s max. | <TRANSLATION_PLACEHOLDER> V |
Strike voltage Line to Line 100 V/s max. | <TRANSLATION_PLACEHOLDER> V |
SPD class | L |
Max. continuous operating voltage (d.c.) (UC ) | 45 V |
Nominal current at 80 °C (IL ) | 10 A |
D1 Lightning impulse current (10/350 µs) per line (Iimp ) | 2.5 kA |
C2 Total nominal discharge current (8/20 µs) (In ) | 20 kA |
Series resistance per line | 0 ohms |
Approvals | UL 497B, SIL |
*) For details, see: www.dehn-international.com |
Part No. 927984 BCO CL2 BD EX 24
GTIN 4013364412002, Customs tariff No. (EU): 85363010, Gross weight: 57.86 g, PU: 1.00 pc(s)
PredecessorTechnical data
Standards | |
Certification | UL |
UL Standard | UL 497b |
UL File Number | E156818 |
SPD class | L |
Max. continuous operating voltage (d.c.) (UC ) | 36 V |
Nominal current at 80 °C (IL ) | 0.5 A |
D1 Lightning impulse current (10/350 µs) per line (Iimp ) | 1.5 kA |
C2 Total nominal discharge current (8/20 µs) (In ) | 10 kA |
Series resistance per line | 1 ohms |
Cut-off frequency line-line (fG ) | 3.5 MHz |
Approvals | ATEX, IECEx, CCC, SIL |
*) For details, see: www.dehn-international.com |