Your dashboard services.
Register to access all tools.

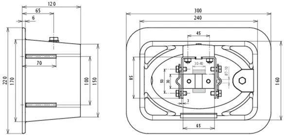
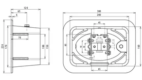
UF Test Joint Boxes

For underground installation, for disconnecting the down conductor from the earth-termination system for measuring purposes.

Type GCI – with integrated, easily accessible test joint

Detachable with a key, including terminal for the down conductor and the earthing conductor, open (without bottom).

1 Product

Part No. 549001 UFTSK 7.10 FL40 300X220X120 GG

GTIN 4013364025554, Customs tariff No. (EU): 85359000, Gross weight: 6.10 kg, PU: 1.00 pc(s)


Images

Additional information

UF test joint boxes, GCI
UF test joint boxes for underground installation
with integrated, easily accessible test joint
terminal for the down conductor and earthing cable included,
open at the bottom
Material: GCI
Dimensions: 300 x 220 x 120 mm
Material of test joint: StSt

Brand: DEHN
Type: UFTSK 7.10 FL40 300X220X120 GG
Part No.: 549001
or equivalent.

Certificates

 

Technical data

Material GCI
Colour black (varnished) ●
Dimensions 300 x 220 x 120 mm
Clamping range Rd / Fl 7-10 / 30-40 mm
Max. permissible load 40 kN

Product 549001 was added to Notepad.

Product 549001 was added to the cart.


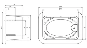
Type GCI – without test joint

Open (without bottom).

1 Product

Part No. 549000 UFTSK 300X220X120 GG

GTIN 4013364025547, Customs tariff No. (EU): 85389099, Gross weight: 6.20 kg, PU: 1.00 pc(s)


Images

Additional information

UF test joint boxes, GCI, without test joint
UF test joint boxes for underground installation
without test joint
open at the bottom
Material: GCI
Dimensions: 300 x 220 x 120 mm

Brand: DEHN
Type: UFTSK 300X220X120 GG
Part No.: 549000
or equivalent.

Certificates

 

Technical data

Material GCI
Colour black (varnished) ●
Dimensions 300 x 220 x 120 mm
Max. permissible load 40 kN

Product 549000 was added to Notepad.

Product 549000 was added to the cart.


Type plastic – with integrated, easily accessible test joint

Detachable with a key, including terminal for the down conductor and the earthing conductor, open (without bottom).

1 Product

Part No. 549050 UFTSK 7.10 FL40 197X197X204 K

GTIN 4013364128217, Customs tariff No. (EU): 85359000, Gross weight: 2.18 kg, PU: 1.00 pc(s)


Images

Additional information

UF test joint boxes, plastic
UF test joint boxes
for underground installation
with integrated, easily accessible
test joint terminal for the down conductor
and earthing cable included,
open at the bottom
Material: plastic
Dimensions: 197 x 197 x 204 mm
Material of test joint: StSt

Brand: DEHN
Type: UFTSK 7.10 FL40 197X197X204 K
Part No.: 549050
or equivalent.

Certificates

 

Technical data

Material plastic
Colour grey
Dimensions 197 x 197 x 204 mm
Clamping range Rd / Fl 7-10 / 30-40 mm
Max. permissible load 15 kN

Product 549050 was added to Notepad.

Product 549050 was added to the cart.


Type plastic – without test joint

Open (without bottom).

1 Product

Part No. 549051 UFTSK 197X197X204 K

GTIN 4013364128224, Customs tariff No. (EU): 85389099, Gross weight: 1.66 kg, PU: 1.00 pc(s)


Images

Additional information

UF test joint boxes, plastic, without test joint
UF test joint boxes for underground installation
without test joint
open at the bottom
Material: plastic
Dimensions: 197 x 197 x 204 mm

Brand: DEHN
Type: UFTSK 197X197X204 K
Part No.: 549051
or equivalent.

Certificates

 

Technical data

Material plastic
Colour grey
Dimensions 197 x 197 x 204 mm
Max. permissible load 15 kN

Product 549051 was added to Notepad.

Product 549051 was added to the cart.


Type StSt – with integrated, easily accessible test joint

Detachable with a key, including terminal for the down conductor and the earthing conductor, open (without bottom).

1 Product

Part No. 549090 UFTSK 7.10 FL40 200X200X105 V2A

GTIN 4013364128231, Customs tariff No. (EU): 85359000, Gross weight: 3.73 kg, PU: 1.00 pc(s)


Images

Additional information

UF test joint boxes, StSt
UF test joint boxes for
underground installation
with integrated, easily accessible test joint
terminal for the down conductor
and earthing cable included,
open at the bottom
Material: StSt
Dimensions: 200 x 200 x 105 mm
Material of test joint: StSt

Brand: DEHN
Type: UFTSK 7.10 FL40 200X200X105 V2A
Part No.: 549090
or equivalent.

Certificates

 

Technical data

Material StSt
Dimensions 200 x 200 x 105 mm
Clamping range Rd / Fl 7-10 / 30-40 mm
Max. permissible load 40 kN

Product 549090 was added to Notepad.

Product 549090 was added to the cart.


Type StSt – without test joint

Open (without bottom).

1 Product

Part No. 549091 UFTSK 200X200X105 V2A

GTIN 4013364128248, Customs tariff No. (EU): 85389099, Gross weight: 3.15 kg, PU: 1.00 pc(s)


Images

Additional information

UF test joint boxes, StSt without test joint
UF test joint boxes for underground installation
without test joint
open at the bottom
Material: StSt
Dimensions: 200 x 200 x 105 mm

Brand: DEHN
Type: UFTSK 200X200X105 V2A
Part No.: 549091
or equivalent.

Certificates

 

Technical data

Material StSt
Dimensions 200 x 200 x 105 mm
Max. permissible load 40 kN

Product 549091 was added to Notepad.

Product 549091 was added to the cart.


Your dashboard services.
Register to access all tools.

Request a risk assessment
back to top