Your dashboard services.
Register to access all tools.

Your dashboard services.
Register to access all tools.

End Pieces

Screwed to the fixed earthing terminal to connect, e.g. an equipotential bonding bar or structural parts such as steel girders, etc.

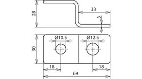
Basic design

Universal use for M10 and M12 connections, e.g. at the fixed earthing terminal.

For connection of Rd, e.g. with KS connector (Part No. 301 019), or Fl with M10 or M12 screws and nuts.

1 Product

Part No. 390499 ES ZF 2XB18 V2A

GTIN 4013364127517, Customs tariff No. (EU): 85359000, Gross weight: 58.20 g, PU: 50.00 pc(s)

Predecessor

Images

Additional information

End piece, basic design, StSt
End pieces
for screwing on to the fixed earthing terminal
for connection to e.g. an equipotential bonding bar
for universal use with M10 and M12 connections
for connecting Rd, e.g. with KS connector (Part No. 301 019)
or Fl with M10 screws and nuts
Material: StSt
Hole Ø: 10.5 / 12.5 mm

Brand: DEHN
Type: ES ZF 2XB18 V2A
Part No.: 390499
or equivalent.

Certificates

 

Technical data

Material StSt
Hole Ø 10.5 / 12.5 mm

Product 390499 was added to Notepad.

Product 390499 was added to the cart.


Design with square holes

Dimensions 11x11 mm, for connecting Rd, e.g. with KS connector (Part No. 301 019), or Fl with M10 screws and nuts.

1 Product

Part No. 390479 ES ZF 2X11.11 1XB13 V2A

GTIN 4013364035324, Customs tariff No. (EU): 85359000, Gross weight: 75.90 g, PU: 50.00 pc(s)

Predecessor

Images

Additional information

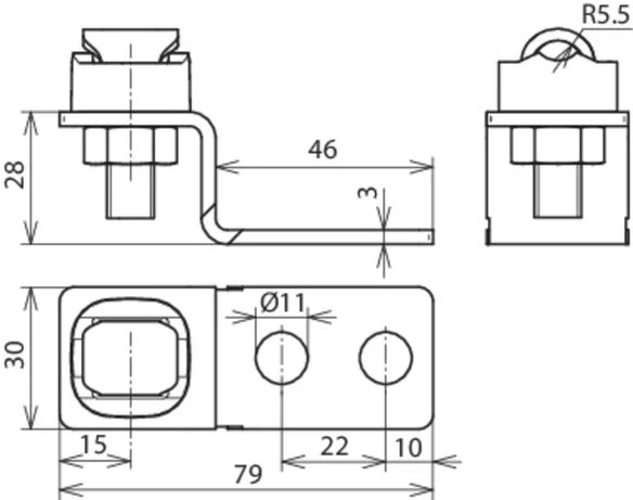
End piece with square hole, StSt
End piece
Screwed to the fixed earthing terminal for connection
of, e.g. an equipotential bonding bar with square holes 11x11 mm
For connecting Rd, e.g. with KS connector (Part No. 301 019) or Fl with M10 screws and nuts
Material: StSt
Hole Ø: 13 mm

Brand: DEHN
Type: ES ZF 2X11.11 1XB13 V2A
Part No.: 390479
or equivalent.

Certificates

 

Technical data

Material StSt
Distance of holes 30 mm
Hole Ø 13 mm

Product 390479 was added to Notepad.

Product 390479 was added to the cart.


Design with holes and KS connector

With holes Ø11 mm.

1 Product

Part No. 363010 ES ZF 2XB11 KSV 7.10 STTZN

GTIN 4013364045743, Customs tariff No. (EU): 85359000, Gross weight: 126.40 g, PU: 50.00 pc(s)


Images

Additional information

End piece with hole and KS connector, St/tZn
End piece
Screwed to the fixed earthing terminal for connection
of, e.g. an equipotential bonding bar with connection holes Ø11 mm and KS connector
Material: St/tZn
Hole Ø: 11 mm
Clamping range Rd: 7-10 mm
Standard: EN 62561-1

Brand: DEHN
Type: ES ZF 2XB11 KSV 7.10 STTZN
Part No.: 363010
or equivalent.

Certificates

 

Technical data

Material St/tZn
Distance of holes 22 mm
Hole Ø 11 mm
Clamping range Rd 7-10 mm
Standard EN 62561-1
*) For exact assignment, see test certificate.

Product 363010 was added to Notepad.

Product 363010 was added to the cart.


Design with holes

With holes Ø11 mm.

1 Product

Part No. 363000 ES ZF 3XB11 STTZN

GTIN 4013364045750, Customs tariff No. (EU): 85359000, Gross weight: 68.00 g, PU: 50.00 pc(s)


Images

Additional information

End piece with hole, St/tZn
End piece
For screwing to the fixed earthing terminal for connection
of, e.g. an equipotential bonding bar with connection holes Ø11 mm, without KS connector
Material: St/tZn
Hole Ø: 11 mm

Brand: DEHN
Type: ES ZF 3XB11 STTZN
Part No.: 363000
or equivalent.

Certificates

 

Technical data

Material St/tZn
Distance of holes 22 mm
Hole Ø 11 mm

Product 363000 was added to Notepad.

Product 363000 was added to the cart.


back to top